- ИЗМЕРВАТЕЛНИ ПРЕОБРАЗУВАТЕЛИ. ОБЩИ СВЕДЕНИЯ
Основата на всяка форма на управление (анализ, прогноза, планиране, контрол, регулиране) на производството се явява достоверността на информацията. Като правило, тази информация се получава чрез измерване на величини, показатели и параметри на продукцията. Процесът на измерване представлява многооперационна процедура, в основата на която е заложена операцията сравняване на стойността на измерваната величина със стойността на известна величина, на която е присвоена стойност единица или кратна на нея. Измервателната процедура се осъществява със съответни технически средства, които реализират една или съвкупност от няколко операции, свързани с възприемане, преобразуване, предаване, регистриране и използване на измервателна информация. В редица случаи при измерването на дадена величина се налага тя да се преобразува в друга с цел да се решат задачите поставени пред информационната верига на измервателната система или съгласуване между отделните й звена, както и от съображения за удобство, или в случаите когато прякото измерване на величината е затруднено. Тогава за измерването се използват определени физични явления или ефекти, под въздействието на които измерваната величина се преобразува в друга. Измервателното преобразуване се осъществява от преобразувател. Измервателният преобразувател е устройство, което осигурява на изхода си величина, която има определена връзка с величината на входа. Тъй като измервателният сигнал е величина, която представя измерваната величина и е функционално свързана с нея, може да се говори не само за преобразуване на една величина в друга, но и за преобразуване на сигнали (вж.т.1.1). Измервателният преобразувател се използва за изработване на измервателен сигнал удобен за по-нататъшно обработване, предаване и съхраняване на измервателна информация. Параметърът на измервателният сигнал, който е носител на информацията за големината на измерваната величина е информативен параметър. Когато величините на входа и на изхода са от един вид и се променя само големината на входната величина, преобразувателят се нарича мащабен измервателен преобразувател. Измервателните преобразуватели не могат да се използват самостоятелно за измервателни цели. Освен тях за реализиране на цялостен процес на измерване са необходими и други устройства, като устройство за сравняване, блок за индикация и др. В зависимост от мястото в структурната схема на измервателната верига преобразувателите биват първични и междинни. Първичният измервателен преобразувател е разположен в началото на измервателната верига и възприема измерваната величина посредством сензор (чувствителен елемент). Сензорът е елемент от системата за измерване, който се намира под прякото въздействие на физичното явление, тялото или веществото, носител на информацията за измерваната величина, т.е. сензорът директно взаимодейства с измервания обект. Основна негова задача е да извлече информация от обекта на измерване, да създаде измервателен сигнал и да го въведе в измервателната верига. Обикновено сензорирането (възприемането) и преобразуването се извършват от устройство, конструктивно обособено в един елемент от измервателната верига (първичен преобразувател, датчик). Първичният измервателен преобразувател се нарича още сензорно-преобразувателно устройство. Междинните (вторични) преобразуватели се използват за преобразуване на измервателния сигнал с цел съгласуване на отделните звена на измервателната верига, за удобство при пренасяне, представяне и съхраняване на измервателната информация. В някои области вместо сензор се използва термина детектор. Детектор е устройство или вещество, което показва наличие на явление или обект, когато е надмината асоциирана към величината прагова стойност.В зависимост от вида на изходния сигнал преобразувателите биват:
– със аналогов изходен сигнал;
– със дискретен изходен сигнал.
В зависимост от това дали енергията за преобразуване е за сметка на енергията на измервания обект или е от външен захранващ източник първичните измервателни преобразуватели биват:
– активни (генераторни), при които енергията за преобразуване е за сметка на енергията на измервания обект, т.е. непосредствено преобразуват една форма на енергия в друга, без да е необходим външен източник на енергия; – пасивни (параметрични), при които енергията за преобразуване е от външен захранващ източник, т.е. само управляват енергията от друг източник. В зависимост от вида на измерваната величина, първичните измервателни преобразуватели могат да бъдат:
– преобразуватели на геометрични величини (линейни и ъглови размери, отклонения на форма и разположение, вълнообразност и грапавост на повърхнини и др.);
– преобразуватели на силови величини (сили и въртящи моменти, налягане, механични напрежения и др.);
– преобразуватели на параметри на движение (преместване на обекти в пространството, линейни и ъглови скорости и ускорения, честота на въртене, вибрации и др.). Първичните измервателни преобразуватели могат да се класифицират и в зависимост от използваното физично явление при преобразуване:
– електросъпротивителни – основани на изменението на активното електрическо съпротивление на проводник или полупроводник при изменение на неговата дължина, на преходното контактно съпротивление или при изменение на механичните напрежения в него;
– електромагнитни – основани на изменението на магнитни и електрически параметри на електромагнитна система или генериране на електродвижещо напрежение в проводник вследствие на изменението на магнитно поле;
– капацитивни – основани на изменението на електрически капацитет на кондензатор при изменение на разстоянието между електродите, площта на припокриването им или диелектричната проницаемост на веществото между тях;
– пиезоелектрически – основани на генерирането на електрически заряди в диелектричен кристал при изменение на механичните напрежения в него;
– термоелектрически – основани на генерирането на електродвижеща сила в електрическа верига, съставена от два различни проводника при разлика в температурите на точките на свързване на двата проводника;
– фотоелектрически – основани на изменение на електрическите параметри на фоточувствителен елемент при промяна на неговата осветеност;
– пневматични – основани на изменението на дебита на въздух, изтичащ през дюза при изменение на сечението на изтичане; и т.н. Обобщената схема на един преобразувател има вида показан на фиг.1.1:

фиг.1.1

1.2
фиг.1.1 Обобщена схема фиг.1.2 Функция на преобразуване
На входа на преобразувателя постъпва величината х, а на изхода се получава преобразуваната изходна величина y. Освен входната величина x върху преобразувателя въздействат външни смущаващи фактори z1,z2,…,zm (температура, налягане, захранване и т.н.), които предизвикват паразитен сигнал (шум) в изходния сигнал y. Процесът на преобразуване се съпровожда и от действието на вътрешни смущаващи фактори zm+1,…,zn. Тези фактори могат да се разделят на две групи: отклонение на действителните стойности на параметрите на преобразувателя от номиналните стойности, дължащи се на неточности при изработване и сглобяване; и вътрешни дестабилизиращи фактори, дължащи се на вредни физични явления – хлабини, сили на триене, електрически, хидравлични, газодинамични съпротивления и др. Вследствие на това изходната величина е функция и на тези фактори:
y = f [x, z1, z2,…,zm,,zm+1, zm+2,…,zn].
Тази функция определя вида на изходния сигнал и връзката му както с входната величина х, така и със смущаващите фактори zi. Зависимостта y=f(x) между информативните параметри на изходния и входния сигнали при определени условия (zi=const) се нарича функция на преобразуване (предавателна характеристика). Тази зависимост може да бъде изразена чрез математическо уравнение, числена таблица или графика (фиг.1.2). Когато входната величина е постаянна (или скоростта й на изменение във времето е пренебрежимо малка), зависимостта се нарича статична (функция на преобразуване в статичен режим), а при изменение във времето на входната величина – динамична (функцията на преобразуване в динамичен режим y(t)=f[x(t)] ) (вж.т.1.3). По същество функцията на преобразуване е математически модел, който описва поведението на преобразувателя. Под калибриране на измервателен преобразувател се разбира действие за установяване на връзката между стойностите на входната и изходната величини, получени чрез измерване, т.е. определяне на функцията на преобразуване (предавателната характеристика) по опитен път. Тази функция може да се използва за изследване на различни свойства на преобразувателя
1.1 Основни свойства на преобразувателите
Отделните видове и типове преобразуватели притежават свои специфични свойства, но имат и някои общи свойства, които могат да се разделят на метрологични и неметрологични. Метрологичните са свързани с качеството на получаваната измервателна информация и в голяма степен определят свойствата на цялата измервателна система. Основно свойство на измервателния преобразувател е неговата чувствителност към входната величина, която се определя чрез отношението на изменението на стойността на изходната величина и предизвикалото го изменение на входната величина. Чрез диференциране на функцията на преобразуване по отношение на х може да се определи чувствителността на преобразувателя към входната величина:
K = dy/dx,
а чрез диференциране по отношение на влияещите фактори zi може да се определи чувствителността към съответния влияещ фактор:
KZi = dy/dzi.
При линейна функция на преобразуване от вида y = yo + kx чувствителността относно х е постоянна, т.е. не зависи от входната величина, и се изразява чрез коефициента на преобразуване k = ∆y/∆x = (yi – yo)/xi . Във връзка с чувствителността може да се използва понятието праг на чувствителност – най-голямото изменение на входната величина, което не предизвиква изменение на изходната величина. Стабилността е свойството да се запазва постояна във времето функцията на преобразуване на измервателния преобразувател. Точността на преобразуване е свойството на определена стойност на входната величина да съответства еднозначна стойност на изходната величина. При преобразувателите с цифров изход, вследствие на дискретизацията, на дадена стойност на изходната величина съответства интервал от стойности на входната величина. Количествено точността на преобразуване се изразява чрез непостоянството (разсейването) на стойностите на изходната величина при една и съща стойност на входната величина. Това непостоянство на стойностите на изходната величина за повтарящи се преобразувания на една и съща входна величина при повтарящи се условия характеризира повторяемостта. Количествено повторяемостта може да се изрази чрез параметрите на разсейването на изходната величина.При детекторите точността количествено се оценява чрез разсейването на стойностите на входната величина, предизвикали една и съща стойност на изходния сигнал.Грешката на задействане при доверителна вероятност 95% е ∆=±2σ . Когато за целите на удобство при използване (например за осигуряване на взаимозаменяемост на измервателни преобразуватели) е посочена номинална функция на преобразуване, под точност на преобразуване може да се разглежда степента на съвпадение на действителната и номиналната функции на преобразуване. Действителна е функцията на преобразуване, получена в резултат от калибриране, а номинална – отразената в техническата документация. В такъв случай като грешка на преобразуване се разглежда разликата мужду стойностите на изходните величини, определени по действителната и номиналната функции на преобразуване (фиг1.3). Резултатите от калибриране могат да се използват и за доближаване на действителната до номиналната функция на преобразуване чрез подходящи въздействия върху измервателния преобразувател.

фиг.1.3 Грешка на преобразуване
Грешката на преобразуване се дължи преди всичко на влиянието на смущаващите фактори и може да бъде намалена чрез намаляване на степента на тяхното влияние или чрез схемни решения. Към първата група се отнасят преди всичко конструктивно технологични мероприятия – например ако смущаващ фактор е външно магнитно поле грешката може да се намали чрез екраниране, ако смущаващ фактор е параметър на захранването – чрез неговата стабилизация, и т.н. Към втората група се отнасят структурни схеми на свързване на преобразуващите елементи, водещи до намаляване на грешките (вж.т.1.4). Хистерезисът е свойство, което се изразява в различие (нееднаквост) на функциите на преобразуване при увеличаване и при намаляване на стойностите на входната величина. Количествено може да се определи чрез разликата;
|y’(x)-y”(x)|,
фиг.1.4а. При детектори хистерезисът количествено се оценява чрез разликата между центровете на групиране (средно аритметичните стойности) на входната величина при ( n )задействания с увеличаване на х (прав ход) и с намаляване на х (обратен ход)-
фиг.1.4б.



а) б) в) Фиг.1.4 а, б)Хистерезис; в) Нелинейност
Обратното въздействие на сензорно-преобразувателното устройство върху входната величина. Такова въздействие е характерно за случаите, когато енергията необходима за преобразуването се черпи от входната (измерваната) величина. Пример за такова въздействие е измерването на температура в някаква среда с терморезистор, чиято температура е различна (по-ниска) от измерваната. При поставянето на терморезистора в средата, нейната температура ще се промени (ще се понижи), т.е. терморезитора ще въздейства върху измерваната величина и ще се породи необратима загуба на информация. Грешката, породена от топлинното взаимодействие за разглеждания пример може да се намали, ако предварително терморезисторът се подгрее до температура близка до тази на измерваната среда. В случаите когато функцията на преобразуване се апроксимира с линейна зависимост може да се използва понятието нелинейност. Нелинейността зависи от 8 стойността на входната величина х и от вида на апроксимацията. Прието е количествено нелинейността да се изразява чрез максималната разлика между стойността на изходната величина по нелинейната функция на преобразуване и съответната стойност от правата, апроксимираща функцията на преобразуване (фиг.1.4б). 1.2 Измервателни сигнали В измервателните преобразуватели пренасянето на информацията за стойността на измерваната величина се осъществява посредством сигнали (сигнали на измервателна информация). Сигналът като материален носител на информация представлява физичен процес, един от параметрите на който е функционално свързан с измерваната величина. Този параметър се нарича информативен параметър. Останалите параметри на сигнала са неинформативни параметри. В широк смисъл сигналът се отъждествява с понятието информация. В тесен смисъл сигналът се разглежда като процес на изменение във времето или в пространството на физическото състояние на какъв да е обект и служи за отразяване, регистрация и предаване на информация. В зависимост от вида на енергията, с помощта на която се представя физичния процес, сигналите могат да бъдат механични, електрически, магнитни, топлинни, акустични, светлинни и др. За теоретичното изучаване на сигналите, независимо от тяхната физическа природа, се използват математически модели. Сигналите могат да бъдат класифицирани по различни признаци, характерни за един или друг тип модел. В зависимост от възможността или невъзможността за точно предсказване на моментни стойности, сигналите могат да бъдат неслучайни и случайни. Ако математическият модел позволява да се направи такова предсказване, то сигналът е неслучаен и се нарича детерминиран сигнал. Той може да бъде зададен с математическа функция. Обобщено функцията, описваща математическия модел на сигнала може да бъде представена във вида:
x=f(t,z,ω,…,a1, a2, a3,…),
където х – информативният параметър на сигнала; t,z,ω – независими аргументи (време, пространство, честота); a1, a2, a3- параметри на сигнала. Съответно моделите се наричат временни, пространствени или честотни. Използват се също и векторни модели. На фиг.1.5 са показани временен, честотен и векторен модели на постоянен и хармоничен сигнали. Математическият модел на детерминиран сигнал може да се използва за само зя описване на образцови сигнали – сигнали с априорно известни характеристики, формирани с помощта на образцови мерки. За описване на неслучайни измервателни сигнали се използват квазидетерминирани модели, в които стойността на един или няколко параметри на сигнала са неизвестни, или присъства малка случайна (шумова) компонента, влиянието на която може да се пренебрегне. Например квазидетерминиран сигнал е синусоидален сигнал с известна честота и постоянна, но неизвестна амплитуда.

Фиг. 1.5 Временен (t), честотен (ω), векторен (v) модели а,б,в – постоянен сигнал; г,д,е – синусоидален сигнал.
В зависимост от броя на приеманите стойности измервателните сигнали се делят на аналогови, квантовани и дискретизирани. Аналогов се нарича сигнал, чието изменение във времето или пространството има непрекъснат характер. Параметрите на аналоговия сигнал се изменят непрекъснато и броят на моментните стойности описващи сигнала е безкраен. Квантован е сигнал, основните характеристики на който могат да приемат ограничено множество стойности. Дискретизиран се нарича сигнал, при който стойността на един параметър може да бъде различна от нула само при определени стойности на аргумента, описващ неговата функция. Този аргумент може да бъде: времето, пространствената координата или честотата. Съответно сигналът се нарича дискретизиран по време, по пространство, по честота.

Фиг. 1.6 г – дискретизиран и квантован
Квазидетерминираните сигнали се делят на елементарни и сложни. Характерни особености на елементарните квазидетерминирани сигнали са простият математически 10 модел и минималния брой параметри. На базата на математически модели на елементарни сигнали се изграждат модели на сложни сигнали. Основни елементарни сигнали са: постоянен сигнал, идеален единичен импулс, синусоидален сигнал. Постоянният сигнал има само един параметър х, който е постоянен във времето:
x = A; A=const. Идеалният единичен импулс (δ-импулс) се описва с математичен модел във вида на делта-функция,момента на действие на импулса, който е единствен параметър на сигнала. Идеалният единичен импулс може да се разглежда като граничен случай на реален правоъгълен

импулс с продължителност τ→0, площ F=1, амплитуда Xм=1/τ.
Фиг. 1.7
а-постоянен сигнал; б-идеален единичен импулс; в-единичен сигнал на изхода; След интегрирането на δ-импулса се получава единична функция.Синусоидален или хармоничен сигнал има три параметъра: амплитуда Хм, честота ω и начална фаза ϕ. Такъв сигнал е удобен за анализ на временни зависимости и широко се използва в измервателната техника. Ако на входа на стационарна линейна система се подаде хармоничен сигнал, то сигналът на изхода остава хармоничен със същата честота, но с различна амплитуда или начална фаза. Сложните квазидетерминирани сигнали могат да бъдат периодични и непериодични. Към периодичните се отнася полихармоничният сигнал – последователност от импулси с правоъгълна, експоненциална или друга форма. Математическият модел на полихармоничен периодичен сигнал се характеризира с условието x(t)=x(t+kT), където Т-период, k=1,2,3…, което означава, че основният параметър на сигнала х повтаря своята стойност през интервал от време, равен на периода Т. Полихармоничните периодични сигнали могат да се представят с помощта на елементарни сигнали чрез разлагане в ред. В общ случай сложният периодичен сигнал съдържа независеща от времето постоянна съставляваща и набор от хармонични колебания, наричани хармоници с честоти ωk=kω, (k=1,2,…), кратни на основната честота. Описвайки полихармоничният периодичен сигнал с помощта на ред на Фурие и определяйки коефициентите на всички елементарни хармонични съставляващи, сигналът може да се представи в честотна форма – във вид на дискретни линейни спектри на амплитуда и фаза (фиг.1.8).

Фиг.1.8
Широко приложение в информационните процеси има сигналът във вид на периодична последователност от импулси с правоъгълна форма (фиг.1.9). Параметри на такъв сигнал са амплитудата xm, периода на повторение Тц, продължителността на импулса τ, коефициента на запълване q=τ/Tц.

Фиг.1.9
Един от често срещан на практика измервателен сигнал е сигналът, получен като сума от две хармонични колебания с близки честоти ω1 и ω2.Резултантният сигнал образува биене (фиг.1.10а). Ако отношението на честотите ω1 и ω2 значително се отличава от единица то резултантният сигнал има вид на пулсация (фиг.1.10б).

Фиг. 1.10
При анализът на сигнали в практиката възниква необходимост от сравнение на сигнали дефазирани във времето. Като пример може да се посочат сигналите на импулсен ултразвуков локатор, принципът на работа на който е основан на закъснението τ във времето между излъченият x(t) и отразеният x(t-τ) сигнали. За решаването на задача от такъв тип се използва автокорелационната функция Rx, която дава възможност да се определи степента на различие на сигнала x(t) от изместеното във времето негово копие. Физичният процес на пренасяне на информация чрез параметрите на спомагателен сигнал се нарича модулация. Ако на един от параметрите ai на високочестотен сигнал u(t) = f(t; a1, a2, … an), наричан носещ сигнал, се възложи да пренесе информационен сигнал s(t) – модулиращ сигнал, то сигналът u(t) се модулира и придобива ново свойство. Стойността на параметъра ai при отсъствие на модулация е постоянна величина, но ако чрез него се пренася информационен сигнал s(t), стойността на параметъра ai е пропорционално зависима от s(t). Обратната операция за раздеряне на модулиращия сигнал от модулирания се нарича демодулация. Най-голямо разпространение са намерили два вида носители: хармонично трептене и последователност от правоъгълни импулси. В зависимост от това се различават непрекъсната и импулсна модулации. Основен вид носещ непрекъснат сигнал е хармоничен сигнал от вида u(t) = U⋅cos(ωt+ϕ), който има три свободни параметъра: амплитуда U, честота ω и фаза ϕ. В зависимост от това на кой от тях се пренася информация, се различават амплитудна, честотна и фазова модулация на носещия сигнал. Честотната и фазовата модулация са тясно свързани, доколкото променят аргумента на функцията косинус и често се обединяват под общото название ъглова модулация. При ъглова модулация се променя фазата на сигнала.В каналите за предаване на цифрова информация е получила разпространение така наречената квадратурна модулация, при която едновременно се изменят амплитудата и фазата на носещия сигнал (амплитудно-фазова модулация). Разновидност на непрекъснатата модулация е дискретната модулация – когато информационният сигнал е дискретен. При използването в качеството на носещ сигнал на периодична последователност от импулси (например правоъгълни) свободни параметри за модулация могат да бъдат амплитудата, продължителността, честотата и фазата (положението на импулса спрямо тактова точка). Това дава четири основни вида импулсна модулация – амплитудноимпулсна, широчинно-импулсна, честотно-импулсна, фазо-импулсна модулация.

Фиг.1.11
Модулация на сигнали б- амплитудна; в-честотна; г-фазова; д-амплитудно-импулсна; е-честотно-импулсна; ж-широчинно-импулсна; з-кодово-импулсна При анализите на процеса на преобразуване за опростяване може да се счита, че се извършва “преобразуване” на една величина в друга, въпреки че фактически се преобразуват сигнали. По-нататък под входна величина следва да се разбира информативният параметър на входния сигнал, а под изходна величина – информативният параметър на изходния сигнал. 1.3 Динамични характеристики Зависимостта на изходния сигнал от изменящи се във времето величини (параметри на входния сигнал и смущаващи фактори) се определя от динамичните характеристики. Те характеризират влиянието на скоростта на изменение във времето на входния сигнал върху изходния сигнал и определят инерционните свойства на преобразувателя. Наличието на елементи с акумулиращи свойства в преобразувателите (подвижни маси, еластични елементи, индуктивности и капацитети), както и на елементи 14 в които енергията се разсейва (триещи връзки, електрически, магнитни, газодинамични съпротивления и др.) са причина за инерционност на преобразувателя. В зависимост от пълнотата на описване на динамичните свойства се различават пълни и частни динамични характеристики. Пълната динамична характеристика напълно описва поведението на изходния сигнал при изменение във времето на информативния и неинформативните параметри на входния сигнал. Към пълните динамични характеристики се отнасят: диференциалното уравнение, преходната функция, импулсната преходна функция, амплитудно-фазовата и фазочестотната характеристики. Частните динамични характеристики отразяват само някои свойства в динамичен режим. Такива характеристики са например времето за реакция (време за установяване на изходния сигнал), коефициента на успокоение, стойността на амплитудно-честотната характеристика при резонансна честота и др. Динамичните свойства на преобразувателите могат напълно да бъдат описани чрез диференциално уравнение.Решението y(t) на диференциалното уравнение описва изходния сигнал при входно въздействие x(t). При изменение на входната величина във времето възниква динамична грешка ∆y(t) вследствие на това, че изходният сигнал y(t) не може точно да отразява изменението на входния сигнал x(t). Диференциалните уравнения от висок порядък (n) могат да бъдат представени чрез система диференциални уравнения от по-нисък порядък с което да се опрости решаването на уравненията. Това означава преобразувателят да бъде разглеждан като съставен от отделни преобразуващи елементи (вж т.1.3) в зависимост от техните свойства, в това число и динамични. В такъв случай за изследване на динамичните свойства на преобразувателите широко се използват динамични звена от първи и втори порядък.При коефициент на успокоение β < 1 – режимът е колебателен, а при β > 1 – режимът е апериодичен. Диференциалното уравнение най-пълно характеризира поведението на преобразувателя във времето, но при определянето на коефициентите му често се срещат значителни трудности. Освен това диференциалното уравнение не дава нагледна представа за динамичните процеси. Затова се използват и други характеристики, някои от които могат да бъдат определени и експериментално.Динамичните свойства на преобразувателите могат да бъдат описани чрез изходния сигнал като реакция на определен типов входен сигнал. Основните типове входни сигнали са единична импулсна функция, единична функция, линейно нарастваща функция и хармонична функция. Ако в даден момент от време (например при t=0) на входа се подаде въздействие във вид на единична импулсна функция (или δ функция), то изменението на изходния сигнал във времето се нарича импулсна преходна функция. За линейна система от втори порядък тя има вида, показан на фиг. 1.12.

фиг. 1.12
Изменението на изходния сигнал след единично скокообразно изменение на входния сигнал се характеризира от преходната функция (фиг.1.13).

фиг. 1.13
Преходната функция позволява да се определи времето за установяване на изходния сигнал ty при зададена грешка ∆. Обикновено се приема ∆ = 0,05 y1 (5% от y1). Ако на входа се подаде линейно нарастващ сигнал, то съответстващото изменение на изходния сигнал се нарича реакция на линейно въздействие. Динамичните свойства на преобразувателите най-често се определят чрез подаване на входа на хармоничен сигнал с честота ω (фиг.1.14): X(jω) = Xm(ω) ejωt . Тогава изходният сигнал ще бъде:
Y(jω) = Ym(ω) ej(ωt+ϕ(ω)) .
Преходната функция позволява да се определи времето за установяване на изходния сигнал ty при зададена грешка ∆. Обикновено се приема ∆ = 0,05 y1 (5% от y1). Ако на входа се подаде линейно нарастващ сигнал, то съответстващото изменение на изходния сигнал се нарича реакция на линейно въздействие. Динамичните свойства на преобразувателите най-често се определят чрез подаване на входа на хармоничен сигнал с честота ω (фиг.1.14): X(jω) = Xm(ω) ejωt . Тогава изходният сигнал ще бъде:
Y(jω) = Ym(ω) ej(ωt+ϕ(ω))

фиг. 1.14
На практика широко разпространение е получила амплитудно-честотната характеристика отношението на амплитудите на изходния и входния сигнали:
S(ω) = |S(jω)| = Ym(ω)/Xm(ω).

фиг. 1.15а фиг.1.15б
На фиг. 1.15а е показана амплитудно-честотна характеристика, а на фиг.1.15б – фазо-честотна характеристика за звено от първи порядък При изменение на входната величина във времето x(t) възниква динамична грешка, вследствие на това, че изходният сигнал y(t) не може точно да отразява изменението на x(t). При достатъчно бавно изменение на х тази грешка може да се пренебрегне. Динамичната грешка се определя чрез динамичните характеристики.Ако е известна амплитудно-честотната характеристика и входната величина не се влияе от честотата,
1.4 Структурни схеми на преобразувателите.
Преобразуването на входния сигнал x в изходен сигнал y се извършва от преобразуващи елементи, свързани по определен начин. Във всеки от тези елементи се осъществява преобразуване. Всеки преобразуващ елемент има собствени характеристики, които определят и характеристиките на целия преобразувател, но по правило преобразуващите елементи нямат нормирани метрологични характеристики. Например преобразуването на налягане в електрически изходен сигнал може да се осъществи от следните преобразуващи елементи (фиг.1.16):

фиг. 1.16
Преобразувателят може да съдържа и преобразуващи елементи, които не променят физическия вид на сигнала. Такива елементи могат да бъдат механични предавателни звена и механизми, електрически и пневматични усилвателни звена и др. Тези елементи имат спомагателни функции при преобразуването на входната величина, но техните характеристики оказват влияние върху характеристиката на преобразувателя. При едни и същи характеристики на преобразуващите елементи, характеристиката на преобразувателя зависи от начина на тяхното свързване – последователно, паралелно, обратно (уравновесяващо) или комбинирано. Схема с последователно преобразуване Преобразуващите елементи са свързани последователно (фиг. 1.17) и входната величина x последователно се преобразува неколкокретно и на изхода се получава изходната величина y.
![]()
фиг. 1.17
Схема с паралелно преобразуване Преобразуващие елементи са свързани успоредно (паралелно) – фиг. 1.18:

фиг. 1.18
Коефициентът на преобразуване при паралелно свързани преобразуващи елементи е равен на сбора от коефициентите на преобразуване на отделните преобразуващи елементи. Частен случай на схема с паралелно свързани преобразуващи елементи е диференциалната схема (фиг.1.19а), намeрила много широко практическо приложение.


фиг. 1.19
Входният сигнал x се подава на два преобразуващи елемента, но с различен знак (+x и –x). Ако двата преобразуващи елемента имат еднакъв коефициент на преобразуване (k1=k2=k) и функциите на преобразуване на двата преобразуващи елемента са съответно: y1 = kx и y2 = – kx общият коефициент на преобразуване на двата паралелно свързани преобразуващи елемента е равен на сумата k+k=2k, т.е чувствителността по отношение на входната величина се удвоява

фиг. 1.20
Освен увеличаване на чувствителността свързването в диференциално схема на два преобразуващи елемента води и до намаляване на грешките. Например при наличие на адитивна грешка ∆z1=∆z2=∆z функциите на преобразуване на двата преобразуващи елемента ще бъдат: y1 = kx + ∆z и y2 = – kx + ∆z а функцията y = y1 – y2 = 2kx + ∆z – ∆z = 2kx, т.е. адитивната грешка се изключва. В случая когато ∆z1 и ∆z2 не са равни y = y1 – y2 = ∆z1- ∆z2 + 2kx, т.е. грешката се намалява значително.Входният сигнал х се подава само към единия преобразуващ елемент. Ако двата преобразуващи елементи имат еднакъв коефициент на преобразуване и са подложени на еднакво външно въздействие (смущаващ фактор z), предизвикващо адитивна грешка ∆z, то y1 = kx + ∆z , а y2 = ∆z . Тогава y = y1 – y2 = kx + ∆z – ∆z = kx, т.е. адитивната грешка от влиянието на фактора z се изключва (фиг.1.20б). Схема с обратно (уравновесяващо) преобразуване Изходната величина обратно се преобразува във величина x, която се сумира с входната величина

(фиг.1.21).
Схемата с обратно преобразуване води до намаляване на чувствителността (1+knβ) пъти, но и до намаляване на грешките. Например относителната мултипликативната грешка, обусловена от промяната на коефициентите на преобразуване на звената при достатъчно малки изменения на тези коефициенти и при knβ>>1 ще бъде: γм ≈ γk / knβ – γβ, където γk = ∆kn/kn; γβ =∆β/β. Следователно при knβ>>1 съставляващата, обусловена от изменението на коефициента на преобразуване влиза в резултантната грешка намалена knβ пъти. Следва да се отбележи, че структурните схеми могат да бъдат и комбинирани, т.е. да съдържат както последователно свързани, така и успоредно свързани преобразуващи елементи, както и да има обратна връзка. Такива структурни схеми са показани на фиг.1.22 и 1.23
k = k1k2(k3+k4)k5

фиг.1.22 и 1.23
2,1 ЕЛЕКТРОСЪПРОТИВИТЕЛНИ ПРЕОБРАЗУВАТЕЛИ
Електроконтактните преобразуватели преобразуват преместване в дискретен електрически сигнал. Преместването предизвиква промяна на съпротивлението на електрическа верига чрез отваряне или затваряне на двойки електрически контакти. Електрическата верига съдържа източник на постоянно или променливо напрежение U0, двойка електрически контакти и товарно съпротивление Rт

(фиг.2.1). (фиг.2.2)
За изходен сигнал може да се използва или токът във веригата i или пада на напрежението Ux върху Rт:
Когато контактите са отворени: Rk → ∞, i = 0 и Ux = 0
Когато контактите са затворени: Rk ≈ 0, i = U0/RT и Ux = U0 .
Следователно функцията на преобразуване е дискретна (фиг.2.2).При затваряне и отваряне на електрическите контакти във времето t се различават четири фази (фиг.2.3): А – отворени ел. контакти В – затворени ел. контакти Б и Г – преходни процеси съответно при затваряне и отваряне на ел. Контакти
фиг.2.3

При отворени електрически контакти (фаза А) съпротивлението Rk е равно на това на изолацията. Затварянето на електрическите контакти (фаза Б) се съпровожда от някои вредни физични явления: появата на краткотрайна искра при доближаване на контактите; повишаване на температурата в началото на допирането на контактите поради малката контактна повърхнина. Когато скоростта на изменение на входната величина е голяма затварянето на електрическите контакти може да стане с удар, който да предизвика осткачане на контакта и неустойчиви затихващи трептения и дори възникване на дъга. Времето на преходния процес при затваряне (фазата Б) се определя от механичното окачване на подвижния електрически контакт и от скоростта на затваряне и може да достигне до 100 ms. Във фазата В (затворени контакти) важен параметър на контактната двойка е преходното съпротивление. То трябва да бъде възможно по-малко. Преходното съпротивление зависи от специфичното съпротивление на контактния материал и е обратно пропорционално на контактното усилие. Контактната сила на притискане на двойката електрически контакти трябва да е достадъчно голяма да разруши окисния слой върху контактите. За осигуряване на надежден контакт при използване на златни или сребърни контакти, контактната сила трябва да е по-голяма от 0,05 N, а при волфрам > 0,7 N. Преходното съпротивление зависи още и от формата, размерите и състоянието на контактните повърхнини. При отваряне на електрическите контакти (фаза Г) условията на работа са особено тежки. С намаляване на контактната сила и на контактната повърхност преходното съпротивление се увеличава. Контактите ерозират. Ерозията на контактите обхваща редица физични явления – топене, изпарение, разпрашаване на контактния материал. Това води до нарушаване на качеството на повърхностите на електрическите контакти. За намаляване на ерозията на контактите при разкъсване на електрическата верига на всички видове електроконтактни преобразуватели се използват искрогасящи
схеми (например чрез включване на RC-вериги паралелно на контактите – фиг.2.4):
фиг.2.4
За намаляване на ерозията на електрическите контакти прецизните преобразуватели се включват в ел. вериги, при които силата на тока е малка (1-2 mA). Преходните процеси при затварянето и отварянето на ел.
контакти (фази Б и Г) определят в голямя степен метрологичните характеристики и надеждността на електроконтактните преобразуватели. От решаващо значение за работата на електроконтактните преобразуватели е изборът на материала от който са изработени електрическите контакти. Употребяват се благородните метали – злато, сребро, платина, паладий, иридий и някои техни сплави. При преобразуватели с по-големи контактни сили и по-мощни вериги се използва и волфрам, а при плъзгащи контакти – родий. Поради ниското си контактно съпротивление, високата електро- и топлопроводност и добрите си технологични свойства сребърните контакти са намерили широко разпространение. Сребърните окиси, получени при електрическите разряди са електропроводими и оказват малко влияние върху контактното съпротивление, но под действие на съдържащия се в атмосферата сероводород по повърхността на сребърните контакти се образува тънък слой от сребърен сулфид с високо съпротивление. Поради това среброто не се прилага при контактни усилия под 0,05 N и напрежения под 7-10 V. Сплавите на среброто с мед имат по-висока твърдост и износоустойчивост, но повече се окисляват и имат неустойчиво преходно съпротивление. Платината може да се използва при по-малки контактни усилия отколкото среброто, но е по-скъпа. Като заместител на платината се използва паладий. За електрически контакти, комутиращи вериги с много малки токове и напрежения, при малки контактни усилия (под 0,01N) за контактен материал се използва злато и паладий. Златото практически не се окислява, но за подобряване на износоустойчивостта по-често се използва сплав злато/никел, която има стабилно преходно съпротивление. Родият е много подходящ за електрически контакти материал, с добри топло- и електропроводни качества. Трудната му топимост и високата му твърдост го правят труден за механична обработка, поради което се използва като електрохимично покритие на сребърни контакти. Волфрамът се отличава с висока твърдост и износоустойчиводт и се използва за прекъсване и включване на ел. вериги с голям ток и напрежение и при контактни сили надвишаващи 0,7N. В зависимост от формата си контактните двойки биват с точков, линеен и равнинен контакт. При малки контактни сили се избира точков контакт, който може да се осигури чрез допир на две сферични повърхнини или една сферична и една плоска повърхнини. Точковият контакт осигурява по-големи повърхностни напрежения, позволяващи полесно разрушаване на окисния слой. При по-големи контактни сили и по-мощни ел. вериги се използват контактни двойки с равнинен контакт, осигуряващ по-малко преходно съпротивление и по-добро топлоотвеждане. Преходното съпротивление на електрическите контакти зависи от замърсеността им. При експлоатация на преобразувателите в замърсена среда се вземат мерки за херметизирането на електрическите контакти. Една разновидност на електроконтактните преобразуватели с херметизирани контакти са магнитоуправляемите електроконтактни преобразуватели, известни още като “рид-контакти”. Те се състоят от две пластини от магнитно мек материал, покрити с благородни метали, затворени в стъклена ампула в която е създаден вакуум или е напълнена с инертен газ.
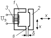
Управлението на контактите става чрез външно магнитно поле, което се създава от постоянен магнит или електромагнит

(фиг.2.5).
Изменяйки големината на магнитния поток Φ могат да се включват или изключват електрическите контакти. Промяната на големината на магнитния поток може да се извършва чрез преместване или завъртане на постоянния магнит (фиг.2.5а), чрез преместване на екран, който шунтира магнитното поле (фиг.2.5б), шунтиране на магнитната верига с подвижен магнит шунт (фиг.2.5в). Магнитоуправляемите контакти имат сравнително голяма надеждност (106 – 109 цикъла), малки размери (Φ1mm, l=5-8mm) и ниска цена. Токът във веригата може да достигне 0,5A при напрежение 220V. Към недостатъците им се отнася сравнително големия хистерезис (∆x>0,05mm).

фиг.2.6.
Зависимостта на управляващия магнитен поток Φ от преместването x на постоянен магнит успоредно на оста на ампулата е показана на фиг.2.7. Когато магнитът е достатъчно далеч, магнитният поток е почти равен на нула и контактите са отворени. При приближаване на магнита магнитния поток нараства и при достигане на определена стойност електрическите контакти се задействат (затварят). При понататъшно преместване на магнита магнитният поток намалява, и когото неговата стойност стане помалка от необходимата за задържане на контактите те се отварят. Следва ново затваряне, отваряне, затваряне и пак отваряне. Магнитният поток по абсолютна стойност е различен в отделните зони. За получаване на еднозначно включване и изключване се използват схемите от фиг.2.6б и в, както и преместване на магнита перпендикулярно на оста на ампулата и завъртане на магнита

фиг.2.7
Една разновидност са живачните електроконтактни преобразуватели, при които за контактен материал се използва живак. В стъклена ампула, частично запълнена с живак са 24 монтирани два неподвижни електрода (фиг.2.8). При наклоняване на ампулата капката живак се премества и по този начин осъществява или не електрическа връзка между електродите.

Фиг.2.8
Към живачните електроконтактни преобразуватели се отнасят и термосигнализаторите, състоящи се от стъклен цилиндър с капиляр и резервоар за живак и два или повече платинови или волфрамови електроди (фиг.2.9). Свободното пространство над живака е запълнено с живачни пари или водород. При изменение на температурата обемът на живака се променя, а заедно с това и нивото му в капиляра, което предизвиква включване (или изключване) на електрическа верига. Единият електрод може да бъде регулируем. Преместването му по дължината на капиляра се осъществява от винт, който се завърта с помощта на магнит.

фиг.2.9
Грешката на задействане на такива термосигнализатори е от порядъка 1-5˚C, а надеждността им – 2-5.105 цикъла. Електроконтактни преобразуватели (ЕКП) за контрол на линейни размери Електроконтактните преобразуватели са намерили широко приложение в средствата за контрол на линейни размери, формата и разположението на повърхнините и осите на детайлите в машиностроенето. По предназначение се делят на три основни групи: – гранични електроконтактни преобразуватели – реагират на определени стойности на контролираната величина, на които предварително са настроени. Служат за контрол на граничните размери на детайлите. – амплитудни ЕКП – реагират на зададено изменение (амплитуда) на контролираната величина. Използват се за контрол на отклоненията на формата и разположението на повърхнините на детайлите. – трикоординатни индикатори на положение – използват се главно при координатни измервания и реагират при отклонение на чувствителния си елемент (измервателен накрайник) от началното положение в направление на която и да е координатна ос x, y, z. ЕКП се състоят от измервателен накрайник, който възприема контролираната величина; предавателен механизъм, който служи за нейното преобразуване в преместване на подвижен електрически контакт и механизъм за настройване на неподвижните електрически контакти. В трикоординатните индикатори на положение по правило липсва механизъм за настройване на контактите. Гранични ЕКП В зависимост от броя на електрическите контактни двойки граничните ЕКП биват едноконтактни, двуконтактни и многоконтактни. Броят на електрическите контакти зависи от броя на командните сигнали, които трябва да бъдат получени.

фиг.2.10
На фиг.2.10 е показана схема на двуконтактен ЕКП (с две двойки ел. контакти). Той се състой от измервателен накрайник 1, който възприема контролираната (входна) величина, лостов предавателен механизъм 2 с подвижен електрически контакт и два неподвижни електрически контакти 3, снабдени с механизъм за настройка на положението им. Предавателният механизъм може да бъде лостов, лостово-пружинен и др. и способсва за повишаване на чувствителността. Той представлява един мащабен преобразувателен елемент – увеличава преместването на подвижния електрически контакт в сравнение с преместването на измервателния накрайник. Двуконтактният ЕКП индицира три състояния: – затворена е едната контактна двойка; – затворена е другата контактна двойка; – нито една контакта двойка не е затворена. Двуконтактният ЕКП може да бъде използван за сортиране на детайлите в три групи, например „годни“, „брак(+)“ и „брак(-)“, което отговаря на трите състояния. При затваряне на едната двойка ел. котнакти се формира първи команден сигнал, а при затваряне на втората двойка ел. контакти – втори команден сигнал. Третият команден сигнал се формира когато и двете двойки ел. контакти са отворени. Броят на индицираните дискретни състояния (сортировъчните групи) е с единица поголям от броя на електрическите контактни двойки. Многоконтактните гранични ЕКП се използват за сортиране на детайлите в повече групи, броят на неподвижните контакти зависи от броя на сортировъчните групи. Характеристиката на ЕКП е дискретна, т.е. на плавно изменение на входната величина x (преместване на измервателния накрайник) съответства скокообразно изменение на изходната величина y (активно съпротивление на електрически вериги). Амплитудни ЕКП Функционалното предназначение на амплитудните ЕКП е контролиране на разликата между най-голямата и най-малката стойности на входната величина. Поради това те са само двуконтактни. Не е задължително да имат два настроечни винта. Единият от контактите може да бъде неподвижен, а другият регулируем. Амплитудните ЕКП се характеризират с наличието на фрикционна връэка в предавателната верига между измервателния накрайник и подвижния контакт. Тя играе роля на „запомнящ“ механизъм. Например на показаният на фиг.2.11 амплитуден ЕКП триещата връзка е между лостовете 2 и 4.

Фиг.2.11
При преместване на измервателният накрайник 1 например нагоре се завърта и лоста 2, а заедно с него и 4 докато подвижният електрически контакт допре в левия неподвижен електрически контакт 3. При понататъшно преместване на измервателният накрайник в същата посока (нагоре) фрикционната връзка между 2 и 4 започва да приплъзва и контактната двойка остава включена. По такъв начин се запомня най-горното положение до което се е преместил измервателният накрайник. При преместване на измервателният накрайник в обратна посока (надолу) контактната двойка изключва. Ако преместването надолу е по-голямо от предварително зададено при настройката се включва и втората контактна двойка (подвижният ел. контакт допира до десния неподвижен 3). При затваряне само на едната двойка ел. контакти (независимо коя) се формира команден сигнал „годен“, а при последователно затваряне и на двете двойки ел. контакти – сигнал „брак“. Сигналът „брак“ или „годен“ се формира от логическа схема в междинен преобразувател (усилвател) към който е включен ЕКП. Настройката може да се осъществи по следния начин: Затварят се и двата ел. контакта. С помощта на настроечния винт контакта се отдалечава на стойност А. А=кТ, където к е предавателното отношение на механизма, Т – допуска. Обикновенно барабанът на настроечния винт е награфен в единици на преместване на измервателния прът, така че по него се отчита Т. Трикоординатни индикатори на положение Електроконтактните трикоординатни преобразуватели са намерили приложение в измервателните глави на трикоординатните измервателни машини, както и в позициониращите системи на металорежещите машини с ЦПУ.

Фиг.2.12
Действието на преобразувателя е основано на прекъсвате на ел. верига при отклонение на осезателя (фиг.2.12). В тялото са монтирани три двойки базиращи сфери, електрически изолирани една от друга. Те играят ролята на неподвижни електрически контакти и са свързани последователно в електрическа верига, захранвана от външен източник. Осезателят се базира върху сферите посредством три цилиндрични щифта, притискан от 27 пружина. Щифтовете затварят ел. верига на неподвижните ел. контакти (базиращи сфери). При преместване на осезателя по някоя от осите x, y или z, някой от щифтовете (или всичките) се отделят от базиращите сфери, като по този начин се прекъсва електрическата верига. Предавателното отношение при задействате на ел. контакти не е еднакво по трите оси. По оста z то е приблизително равно на единица, а по осите x и y е приблизително k≈a/l. поради това грешката на задействане по трите оси е различна и е в границите 5÷10µm. Характеристиката на преместването на осезателя след контакт с измерваната провърхнина до подаване на команден сигнал (разкъсване на ел. верига) има вида: (в равнината x,y) Специфични грешки на електроконтактните преобразуватели На изхода на електроконтактните преобразуватели се получават дискретни сигнали, които отговарят на определени стойности на контролираната величина. Команден сигнал се формира при достигане на текущата стойност на контролираната величина х до предварително избрани стойности х1, х2 в процеса на настройка. При изменение на контролираната величина до стойността x1 изходният сигнал не се променя. Когато стойността и достигне x1, изходният сигнал приема стойност y1. При понататъшно нарастване на x изходният сигнал се запазва и едва при достигане на величината x2 изходният сигнал става y2 (фиг.2.13а).

фиг.2.13
Точността на електроконтактните преобразуватели се характеризира от грешката на задействане на електрическите контакти, грешката на настройка, грешката на обратен ход и изместване на настройката след определен брой задействания. Грешката на задействане ∆з се изразява в разсейване на стойностите на входната величина, предизвикали една и съща стойност на изходната величина. Факторите от които зависи грешката на задействане (хлабини в подвижните части на предавателната верига, изменение на характеристиките на силите на триене в подвижните части, ерозия на контактите и др.) са най-често независими случайни величини и тази грешка има случаен характер. При многократно задействане на контактите може да се определи средноквадратичната грешка s и грешката на задействане ∆з:
където ∆хi са отклоненията на х от стойността на която трябва да сработи електрическата контактна двойка, а n е броят на задействанията на електрическите контакти при еднопосочно преместване на измервателния накрайник. Грешка на настройката – характеризира се с изместване на центъра на групиране на случайните отклонения ∆хi от стойността на величината на която е направена настройка.
При еднократна настройка тази грешка има систематична и случайна съставляваща. Систематичната съставляваща се дължи на метрологичните и конструктивни особености на ЕКП. Основен дял в случайната съставляваща има оператора. За изключване на случайната съставляваща грешката на настройка може да се определи при многократни настройки.Изместване на настройката след определен брой задействания – това е експлоатационен показател и от него зависи интервалът на настройка. Определя се като разлика между центровете на групиране при първоначална настройка и след определен брой задействания (например 25000).Тази грешка се дължи главно на износването на електрическите контакти и триещите повърхнини на подвижните елементи на преобразувателя, но зависи също и от изменението на температурата спрямо нейната стойност при настройването. Грешка на обратен ход – разликата между центровете на групиране при двупосочно изменение на входната величина (при прав и обратен ход).Срокът на служба на електроконтактните преобразуватели за контрол на линейни размери е от порядъка на 2.106 задействания на електрическите контакти.
2.2 Реостатни (потенциометрични) преобразуватели
Реостатните преобразуватели са основани на изменение на електрическото съпротивление на електрическа верига под въздействие на входната величина. Използват се за преобразуване на линейно или ъглово преместване. Най-често реостатните преобразуватели се използват като делители на напрежение с променлив коефициент на делене (от 0 до 1) и се захранват с постоянен или променлив ток.

Фиг.2.14
Най-прост реостатен преобразувател е реохордата – опънат съпротивителен проводник по който се движи плъзгач (фиг.2.14а). Активно съпротивление между плъзгача и единия край А се изменя пропорционално на преместването х. Поради малкото съпротивление на реохордите най-често изолиран проводник се навива върху основа (фиг.2.14б,в). Това позволява увеличаване дължината на проводника и увеличаване на съпротивлението. В зоната на контактуване на плъзгача проводникът се почиства от изолация. Захранващото напрежение се подава към изводите A и B, а изходното напрежение се измерва между изводите A и C.Тази зависимост е валидна при отсъствие на съпротивителен товар на изхода на потенциометъра, т.е. Rт→∝ или поне Rт>>R. Такъв режим съществува, ако към потенциометъра е включено високоомно устройство. Ако това условие не е изпълнено условията в електрическата веригата се променят, а заедно с тях и преобразувателната функция. Еквивалентната електрическа схема при товар на изхода ще има вида

(фиг.2.15):
Тази зависимост е нелинейна, като нелинейността зависи от коефициента на натоварване Фиг.2.16 Абсолютната грешка от нелинейността ще бъде разликата между напрежението при празен ход (RT→∝) и това под товар при едно и също положение на плъзгача,като тя е различна за различните положени на плъзгача. При коефициент на натоварване kT < 0,1 тя е максимална при lx/l ≈ 2/3. С намаляване на kT грешката от нелинейност намалява. Тя е под 1% при kT < 0,04 (т.е. при RT 25 пъти поголямо от R) Вследствие на това,че плъзгачът влиза в съприкосновение със съпротивителния проводник не по цялата му дължина, а в определено място от всяка навивка, изходният сигнал се изменя скокообразно, като


придава дискретен вид на изходния сигнал (фиг.2.16).Ако плъзгачът контактува само с една навивка, при преместването му на една стъпка t се получава скок в изходното напрежение:
Най-малкото преместване на което може да реагира преобразувателя е ∆х=t. В действителност плъзгачът контактува най-малко с две съседни навивки, а в много случаи и с повече. Вследствие на това при премественето му на половин стъпка, когато се свързват накъсо две съседни навивки, се получава допълнително стъпално изменение на изходното напрежение. Това води до известно намаляване на разрешаващата способност когато в интервала около средата на измервателния обхват. Разрешаващата способност на линейните еднооборотни жични преобразуватели е в границите 0,5–0,02%, а при многооборотните 0,1-0,001%. Повишаването на разрешаващата способност се постига най-често с увеличаване броя на навивките. Метрологичните характеристики на жичните преобразуватели зависят и от материала, от който е изработен съпротивителния проводник. Той трябва да има голямо специфично съпротивление, малък температурен коефициент на съпротивление, висока корозионна устойчивост и механична якост. За съпротивителни проводници се използват медноникелови сплави (константан), хром-никелови сплави (нихром) и някои благородни метали и сплави. Такива материали се използват и за изработване на плъзгачите. Освен жичните преобразуватели се използват графитни, металокерамични и пластмасови реостатни преобразуватели. Те имат непрекъсната функция на преобразуване и по-голяма надежност. Нелинейността им е в границите 0,1-0,3 %. Графитните преобразуватели съдържат съпротивителен елемент, който се изработва от твърди износоустойчиви въглеродни съединения. Имат дълъг живот (3.107 цикъла), малка нелинейност и висока разрешаваща способност. Недостатък, който ограничава приложението им е сравнително високото преходно съпротивление и големия температурен коефициент на изменение на съпротивлението. При металокерамичните преобразуватели тънък метален слой е нанесен върху керамична основа. В сравнение с графитните преходното съпротивление е по-малко и имат по-малък температурен коефициент на изменение на съпротивлението. Пластмасовите реостатни преобразуватели съдържат съпротивителен елемент от термореактивна пластмаса, смесена с токопроводящ пълнеж. Имат висока технологичност, голяма надеждност и дълъг живот, но преходното им съпротивление и температурният коефициент на изменение на съпротивлението са относително големи. В метрологичната практика се използват и функционални реостатни преобразуватели с определена нелинейна зависимост на съпротивлението от преместването. Те са удобни за линеализиране на характеристиките на измервателни средства. Зададена нелинейна характеристика може да се постигне по различни начини: с променлива стъпка на навиване (фиг.2.17а); с променлива дължина на отделните навивки (фиг.2.17б); с криволинеен съпротивителен елемент; с шунтиране на съпротивителния елемент на части,по начин,осъществяващ различна стръмност на характеристиката в отделните участъци; посредством схемни решения, осигуряващи нелинейна функция.

Фиг.2.1 фиг.2.17
В реостатните преобразувателите на налягане, сила, ниво на течности и други входната величина се преобразува предварително в преместване посредством механични преобразуващи елементи – мембрана, сифон, поплавък и други.
Предимство на реостатните преобразуватели е малката нелинейност, а основен недостатък – износване на намотките и плъзгача и нарушаване на контакта между тях. Преобразуватели с контактно съпротивление Ако се упражни сила, притискаща две тела едно към друго се увеличава контактната площ между тях и се намалява преходното контактно съпротивление. Преобразувателите с контактно съпротивление са основани именно на изменението на електрическото съпротивление между две контактуващи тела при промяна на силата на притискането им едно към друго. Общото електрическо съпротивление може да се изрази приблизително със зависимостта:
RAB = R0 + Rk = R0 + К/F,
където R0 – общото вътрешно съпротивление; RK – контактното съпротивление; К – константа, зависеща от геометрията на контактните повърхности и еластичните свойства на материала; F – силата притискаща телата едно към друго. За увеличаване на съставляващата Rk се увеличава броят на контактуващите тела, т.е съставя се пакет от шайби 2, а два метални диска 1 през които се предава силата F и който служат за електроди, към които се свързват електрическите проводници (фиг.2.18).

Фиг. 2.18 Фиг.2.19
При голям брой контактуващи тела контактното съпротивление Rk >> R0 (вътрешното съпротивление е много по-малко от контактното) и може да се приеме, че RAB ≈ К/F, т.е. с увеличаване на силата F, електрическото съпротивление между точките А и В намалява. След снемане на товара при натоварване в еластичната област, деформациите и контактната площ се възстановяват до първоначалните си стойности, а с това и преходното контактно съпротивление и съпротивлението RAB. За контактен материал се използва такъв с голямо специфично съпротивление – например електроден въглен, графит, метални пластини с нанесен високоомен резистивен слой и други. Диаметърът на шайбите 2 (фиг.2.18) се определя от максималното допустимо натоварване на натиск и обикновено е от порядъка на 5 – 20 mm, а дебелината на шайбите – от 0,5 до 3,5 mm.На фиг.2.19 е показан характера на зависимостите на електрическото съпротивление RAB от приложената сила F при различен брой n на контактните повърхности. Зависимостта на съпротивлението от натоварването има хистерезис 1 – 3% и нелинейност до 10%. Тези недостатъци се проявяват най-силно при малки стойности на натоварващата сила. Поради това се практикува създаването на предварителен натиск. Преобразувателите с контактно съпротивление нямат добри метрологични характеристики, но са твърде прости, имат висока надеждност, имат мощен изходен сигнал, не изискващ допълнително усилване. Относителната им грешка може да бъде сведена до 3-5%. 2.4 Тензорезисторни преобразуватели Тензосъпротиивителният принцип на преобразуване се основава на изменението на активното електрическо съпротивление на еластичен (метален) проводник или на полупроводник при изменение на механичното напрежение, респективно на деформациите в него, предизвикани от действието на някаква физико-механична величина от силов тип – сила, момент, налягане и пр. При това изменението на електрическото съпротивление на проводниците от метали и метални сплави се дължи най-вече на изменението на геометричните им размери, а на полупроводниците – на изменение на специфичното им съпротивление при деформация. Това явление е известно като тензоефект. Основен преобразуващ елемент в тензорезисторните преобразуватели е тензорезисторът, който може да бъде метален или полупроводников. Ако метален тензорезиистор – проводник със специфично съпротивление ρ, дължина l и кръгло напречно сечение s, бъде подложен на натоварване по оста със сила F (фиг.2.20) в него възниква едномерно напрегнато състояние (чист опън или натиск), и се променят неговата дължина l, напречното му сечение s и специфичното съпротивление ρ. В границите на еластичността тези изменения са пропорционални на приложената сила F.

Фиг.2.20
В областта на еластичните деформации в условията на едномерно напрегнато състояние напречната деформация εr е свързана с надлъжната εl чрез коефициента на Поасон µ, т.е. εr = – µ εl Напречното сечение s на проводник с радиус r е: s = πr 2 . След диференциране: ds = 2πrdr = 2s (dr/r), или ds/s = 2(dr/r), т.е. εs = 2εr = – 2µ εl. Тогава относителното изменение на съпротивлението ще бъде: εR = ερ + εl (1+2µ). Отношението се нарича коефициент на тензочувствителност. Той е по-голям от единица и зависи от свойствата на материала на тензорезистора и способността му да променя дължината, сечението и относителното си съпротивление при механично натоварване. Функцията на преобразуване на тензорезистора има вида: εR = kεl или ∆R = kRεl . В зависимост от материала от който се изработват, тензорезисторите се делят на метални и полупроводникови. При металните тензорезистори коефициентът на тензочувствителност е в границите 0,8-3,6. За константан, манганин и нихром k=2; платина – волфрам k=2,7…3,3; платинасребро k=0,8…1,4; инвар k=3,6. В полупроводниковите тензорезистори се използва най-често силиций с P или N проводимост. Коефициентът на тензочувствителност не е постоянен и функцията на преобразуване е нелинейна. В зависимост от вида на тензосъпротивителният проводник и технологията на изработване, металните тензорезистори се делят на две групи – жични и фолийни. Жичният тензорезистор се състои от решетка от зигзагообразно навит тензочувствителен проводник с диаметър 10-15 µm, залепена между две електроизолационни подложки от хартия или пластмаса (фиг.2.21).

Фиг.2.21 Фиг.2.22
Дължината на решетката L (наричана база) се изработва в границите L=3-150mm. Номиналното съпротивление на тензорезистора е от порядъка на R=30-600Ω. Фолийните тензорезистори се изработват от тънък слой (фолио) тензочувствителен материал с дебелина 4-12µm. Решетката се получава чрез химическо разяждане на фолиото. Чрез нанасяне на тензочувствителния материал върху подложка във вакуумни изпарителни инсталации се постига дебелина на тензорезистора под 1µm и база 1mm. Тези технологии позволяват създаването на тензорезистори със специфична сложна форма на решетката (фиг.2.23).

фиг.2.23
За намаляване на грешките, предизвикани от качеството на залепване, се използват така наречените градуирани тензорезистори. При тях тензорезисторът се залепва върху метална пластина, която се закрепва чрез точкова заварка към измервания обект. Това позволява неколкократно използване на тензорезистора. Специалните тензорезистори могат да се използват за измерване напрежението при усукване на валове, за измерване деформациите на мембрани и други. Тензорезисторите се закрепват към повърхността на измервания обект чрез залепване и му се нанасят покрития предпазващи го от влага и механични повреди. Технологията на залепване и използваните лепила и покрития се определят от производителя и трябва точно да се спазват, тъй като влияят значително върху характеристиката им. При този начин на закрепване тензорезисторите могат да се използват еднократно. Действителните характеристики на тензорезистора могат да се металните тензорезистори са обобщения коефициент на тензочувствителност (K-фактор), напречната чувствителност, хистерезиса, пълзенето на подложката и лепилото под товар и температурната грешка. Напречната чувствителност на тензорезистора се дължи на деформирането на напречните участъци от решетката, които не са в направление на измерваната деформация. Изменението на съпротивлението ∆R на тензорезистора се определя като сума от изменението на съпротивлението на надлъжните участъци ∆Rl и на напречните участъци ∆Ra на решетката.Отношението на тези коефициенти се нарича напречна чувствителност на тензорезистора. Напречната чувствителност зависи от размерите на решетката a и l. С намаляване на широчината а на решетката и увеличаване на базата й l напречната чувствителност намалява (при n=const). Напречната чувствителност предизвиква появата на мултипликативна грешка. При едномерно напрегнато състояние на измервания обект (чист опън или натиск), относителната напречна деформация е свързана с надлъжната чрез коефициента на Поасон. Обобщен коефициент на тензочувствителност (K-фактор). Той е валиден само при едномерно напрегнато състояние и се посочва от производителя. Кфакторът е една от характеристиките на тензорезисторите и зависи от технологията и качеството на залепването. Поради това технологията на залепване трябва точно да се спазва. Само при пренебрежимо малка напречна чувствителност (χ≈0), K-факторът е практически равен на коефициента на тензочувствителност k и не зависи от вида на напрегнатото състояние (K≈k). Мултипликативната грешка предизвикана от напречната чувствителност може да бъде компенсирана и чрез настройване на чувствителността на тензометричното измервателно средство или на преобразувателя на механичната величина. При последователно натоварване и разтоварване на тензорезистора се получава грешка от хистерезис, дължаща се на релаксационни явления в материала на подложката и лепилото. При натоварване относителното изменение на съпротивлението εR нараства по правата 1, а при разтоварване по кривата 2. При повторно натоварване εR се променя по линията 3 (фиг.2.24). След неколкократни натоварвания и разтоварвания грешката от хистерезис намалява. Затова се препоръчва преди измерване да се прави неколкократна тренировка на тензорезистора.

Фиг.2.24
Изменението на съпротивлението на тензорезистора във времето се характеризира от стабилността на тензорезистора. Стабилността е свойство на един преобразувател да поддържа метрологичните си характеристики постоянни във времето. Грешката от нестабилност (“пълзене”) се определя от изменението на съпротивлението на тензорезистора за определено време и зависи от големината на базата l и вида на лепилото. При по-голяма база грешката от нестабилност е по-малка. Фолийните тензорезистори имат по-малка грешка от нестабилност (под 1%). По-интензивно е изменението на изходния сигнал в първите 1-1,5 часа след натоварването. При изменение на температурата се променя началното съпротивление на тензорезистора и коефициента на тензочувствителност. Това предизвиква адитивна и мултипликативна температурна грешка. Промяната на началното съпротивление на тензорезистора при изменение на температурата се дължи на промяна на специфичното съпротивление ρ на проводника при изменение на температурата и под действие на допълнителното механично напрежение появяващо се в тензорезистора вследствие разликата в коефициентите на линейно разширение на детайла, чиято деформация се измерва и тензорезистора.Температурната грешка може да бъде намалена чрез подбиране на материала на тензочувствителния проводник така, че изразът в скобите да бъде близък до нула. Пълната компенсация е невъзможна поради нелинейността на коефициента α от температурата. Друг начин за намаляване на температурната грешка е въвеждането на втори тензорезистор (изпълняващ ролята на опорен или компенсационен), закрепен върху планка заварена в единия си край към измервания обект, а в останалата си част е отделена от него на разстояние около 0,1mm (фиг.2.25). Двата тензорезистора се намират при еднакви температурни условия. Първият тензорезистор реагира на деформацията на измервания обект и на температурната промяна, а втория реагира само на температурната промяна. По този начин се осъществява термокомпенсация на адитивната съставляваща на температурната грешка.

Фиг.2.25 В полупроводниковите тензорезистори като тензочувствителен материал най-често се използва силиций с дупчеста (P-Si) или електронна (N-Si) проводимост и по-рядко германий. Тензорезисторът представлява тънка лента от силиций или германий, изрязана в определено кристалографско направление (фиг.2.26)

фиг.2.26
При N-Si се използва кристалографското направление [100], а при PSi – направлението [111]. Тензорезисторът се залепва върху пластмасова подложка, която има пера за запояване на съединителни проводници. Дължината на базата l при полупроводниковите тензорезистори е в границите 1-12mm, а широчината на лентата 0,2 – 0,5mm. Коефициентът на тензочувствителност е около 50 пъти по-голям в сравнение с металните тензорезистори (K≈100):
За N-Si → K = – 95,3
За P-Si → K = 94,2
Коефициентът на тензочувствителност не е постоянен и функцията на преобразуване εR=f(εl) е нелинейна (фиг.2.27).

Фиг.2.27
При малки деформации и малък диапазон на изменението им функцията на преобразуване може да се апроксимира с линейна зависимост (примерно ε = -0,6.10- 3÷3,5.10-3). При по-големи деформации нелинейността става значителна. Специфичното съпротивление ρ е около 4 пъти по-голямо от това на металните тензорезистори (ρ=2.10-4 Ω). Статичното съпротивление (съпротивлението между изводите на тензорезистора при отсъствие на механична деформация ε=0) се променя при изменение на температурата, т.е. температурният коефициент на съпротивление е непостоянен. Промяната на температурата предизвиква промяна на съпротивлението R (при ε=const), което от своя страна променя коефициента K. Това също предизвиква нелинейност на функцията на преобразуване. Както при металните тензорезистори стабилността (пълзенето) и при полупроводниковите тензорезистори зависи от подложката и лепилото, но общо взето стабилността им е по-добра. Обединяването на елементи от P-Si и N-Si със съответно положителен и отрицателен K-фактор върху обща подложка (фиг.2.28) води до създаването на двойка тензорезистори, която включена в полумостова електрическа схема реагира като тензорезистор с резултантен коефициент на тензочувствителност k=kp+kn kp≈95; kn≈- 95, т.е. k≈95+(-95).

Фиг.2.29
Използвайки интегрална технология за изработване са създадени интегралните тензорезистори. Върху силициева пластина, изпълняваща ролята на еластичен елемент се формира тензорезистора (фиг.2.30). Върху пластината могат да се формират още и елементите на измервателната верига, усилвател и формировател на изходния сигнал. Еластичната пластина може да бъде например мембрана.
![]()
Фиг.2.30
Недостатък на полупроводниковите тензорезистори е температурната зависимост и нелинейната характеристика. Предимство е големият коефициент на тензочувствителност. Те са подходящи за измерване на малки деформации.
На фиг.2.31 е показан тензорезисторен преобразувател на сила, който се състои от еластичен елемент (пръстен), който се деформира при прилагане на сила F и тензорезистори (R1, R2, R3, R4), възприемащи деформация. В конструкцията могат да бъдат взети мерки за херметизиране на тензорезисторите.

Фиг.2.31
В тензопреобразувателите на налягане се използва еластичен елемент (мембрана, силфан) за преобразуването му в деформация. Мембраната може да бъде и от силициева пластина върху която е формиран полупроводников тензорезистор по интегрална технология

Фиг.2.32
Обикновено тензорезисторите се включват в мостова схема (фиг.2.32)Условието за баланс на моста ( = 0) Uu е: R1R3 – R2R4 = 0 или R1R3 = R2R4 или R1/R2 = R4 /R3 . Изменението на едно от съпротивленията (∆R) ще предизвика дисбаланс на моста, пропорционален на ∆R. При четири тензорезистора – всички елементи са активни (пълен мост):
При един активен тензорезистор: ε = ε 1 ; 0 ε 2 = ε 3 = ε 4 =o
При четири тензорезистора
ε1 = ε3 = ε
ε2 = ε4 = -µε

(фиг.2.33):
В долната таблица са дадени някои стойности но мостовия фактор В при различно натоварване и брой на активните рамена на мостовата електрическа схема.
2.5 Терморезистори
Терморезисторите (RTD) са преобразуватели, основани на зависимостта на електрическото съпротивление на проводник или полупроводник от температурата. Тази зависимост е нелинейна и има вида:
R = R0 [1 + A(T-T0) + B(T-T0) 2 ], където R0 – съпротивлението при температура Т0 (прието е Т0 = 0°C), R – съпротивлението при температура Т, А и В температурни коефициенти. В сравнително тесен температурен интервал зависимостта на съпротивлението от температурата може да се приеме за линейна:
R = R0 [1+αR(T-T0)]= R0 (1+αR∆T) където αR – температурен коефициент на съпротивление, т.е. изменението на съпротивлението е пропорционално на изменението на температурата. Предполага се постоянство на αR в избрания температурен интервал (αR =const). Повечето химически чисти метали имат положителен температурен коефициент на съпротивление αR , т.е. специфичното им съпротивление се увеличава с нарастване на температурата. Температурният коефициент на съпротивление зависи от чистотата на даден метал – колкото количеството на примеси е по-малко, толкова αR е по-голямо. В поширок температурен интервал αR е непостоянен, поради нелинейността на характеристиката R(T). Най-широко разпространение като материали за терморезистори са получили платината, медта и никелът. Температурният коефициент на съпротивление на платината е αR ≈0,004 deg-1 и се употребява във вид на тънък проводник с диаметър φ 50 – 100µm или плоска лента със сечение 0,002 – 0,005mm2 . Използва се в температурния интервал от – 200 до +1000oС. Началното съпротивление R0 (при Т=0oC) на стандартизираните платинови терморезистори е равно на 1, 5, 10, 46, 50, 100 и 500Ω. Аналитичната зависимост на съпротивлението от температурата за платинови терморезистори се изразява с уравненията:
R = R0(1+3,968.10-3.T + 5,847.10-6.T2 ), при 0oC <Т<Т<Т
Волфрамът се използва за измерване на бързо променящи се температури на високоскоростни газови потоци във вид на опъната нишка. Температурният коефициент на съпротивление е αR≈4,3.10-3deg–1 . При температура над 6000С в структурата му настъпват изменения, които не позволяват използването му за измервателни цели.

Фиг.2.34
Конструктивното оформление на терморезисторите зависи от условията на експлоатация. В най-простия случай съпротивителният проводник се навива около слюдена пластина и краищата му се запояват към изводни проводници. Навитата пластина се изолира двустранно със слюдени пластини с по-големи размери, които се занитват. Навиването на съпротивителния проводник трябва да се извършва без никакви механични усилия. За отстраняване на възникнали остатъчни напрежения след сглобяване се извършва отгряване. Чувствителният елемент се поставя в защитен кожух от неръждаема стомана или бронз. Защитният кожух акумулира топлина, вследствие на което се получава значителна инерционност (1-2min). Поради това такива терморезисторни преобразуватели се използват само за статични измервания на температура. За намаляване на инерционността е необходимо да се подобрява топлинния контакт между съпротивителния елемент и кожуха. Това може да се постигне чрез притискане на пакета слюдени пластини с пружиниращи алуминиеви пластини, които увеличават топлопренасянето между кожуха и чувствителния елемент. Освен върху слюдена пластина съпротивителният проводник може да бъде навит върху кварцова или керамична основа, покрива се със специална замазка или емайл и се изпича. За измерване на повърхностни температури съпротивителният проводник се навива в плоска решетка и се апликира по технология, аналогична на тензорезисторите. На фиг.2.35 е показана конструкция на терморезистор, състоящ се от керамична основа 2, в канали на която е разположен спирално навит проводник от платина 3, свързан с изводите 4 за включване на терморезистора към електрическата измервателна верига. За закрепване на изводите 4 и за херметизация на керамичната основа е използвана глазура 1. Каналите на основата 2, в които е разположен проводника 3 са запълнени с прах от алуминиев окис, който играе ролята на изолатор и има добра топлопроводност. За защита от механични и химически въздействия терморезистора се поставя в кожух от неръждаема стомана.

фиг.2.35
За измерване на изменението на съпротивлението през терморезистора се пропуска ток. Ако той е голям се предизвиква самозагряване на терморезистора, т.е. променя се температурата му (∆T′) от протичащия ток (фиг.2.36). От друга страна за повишаване на чувствителността е желателно пропускане на по-голям ток. При ток I=5÷10mA повишението на температурата е от порядъка на 0,20C. Допустимите стойности на тока, протичащ през терморезистора при включването му в електрическа верига, трябва да бъдат такива, че изменението на съпротивлението на терморезистора от самозагряване да не надвишават 0,1% от началното съпротивление.

Фиг.2.36
Полупроводниковите терморезистори (термистори) имат по-висока чувствителност при много по-малки размери, но имат значителна нелинейност на характеристиката, поради което могат да се използват за измерване на температури в малък температурен диапазон (-60 до 120°С). При термисторите се използва пресована хомогенна маса от метални окиси (Ni, Mn, Fe), чието съпротивление силно зависи от температурата. коефициентът на преобразуване може да бъде както положителен (PTC), така и отрицателен (NTC). Външншят вид на термисторите наподобява този на пасивните електронни елементи (резистори, кондензатори и др.)
Освен за измерване на температура терморезисторите са намерили приложение и за измерване на състава, плътността и скоростта на газове. В този случай през терморезистора протича ток, който го загрява до определена температура. В зависимост от топлопроводността на флуида или неговата скорост терморезистора се охлажда, т.е. променя се температурата му и електрическото му съпротивление. На фиг. 2.37 е показана принципна схема на газоанализатор, който се състои от камера 2 с анализираната газова смес и терморезистор 1. В зависимост от топлопроводността на газовата смес, състояща се от два газа с различна топлопроводност, може да се съди за процентното съотношение на компонентите на сместта.

фиг.2.37
За изключване на влиянието на външната температура обикновено се използва структурната схема от фиг.1.8б. Втори (компенсационен) терморезистор се поставя в друга камера запълнена с постоянен по състав газ. Неговото съпротивление се променя само от промяна на външната температура. Двете камери се намират при еднакви температурни условия. Най-често терморезисторите се включват в мостова електрическа схема фиг.2.38, едно от рамената на която е терморезисторът.

Фиг.2.38 Фиг.2.38
В някои случаи трябва да се държи сметка за промяната на съпротивлението на съединителната линия (съединителните проводници) вследствие промяна на температурата. За намаляване на влиянието на температурата на съединителните проводници се използва трипроводна схема (фиг.2.42). При такава схема два от проводниците са включени в съседни рамена на моста, а третият – в диагонала на захранване.
- ЕЛЕКТРОМАГНИТНИ ПРЕОБРАЗУВАТЕЛИ
3.1 Индуктивни преобразуватели Индуктивният преобразувател представлява управляема променлива индуктивност, която се използва за изменение на параметрите на електрическа верига, включваща освен индуктивност още и източник на променливо напрежение и активно съпротивление, обединяващо всички последователни съпротивления във веригата. За промяна на индуктивността трябва да се повлияе по подходящ начин на някой от определящите я параметри. В зависимост от това кой именно е избран,принципите на построяване и конструкцията са различни. Общото е, че промяната на индуктивността води до изменение на индуктивното съпротивление, респективно на тока в електрическата верига. Най-често за индуктивност се използва бобина с феромагнитна сърцевина във вид на отворен или затворен магнитопровод. Индуктивните преобразуватели се състоят от магнитопровод и бобина, а принципът им на действие се основава на зависимостта на индуктивността на бобината от положението, геометричните размери и магнитното състояние на елементите на магнитната верига. Входната величина предизвиква промяна на магнитното съпротивление ZM на магнитопровода, което води до изменение на индуктивността L на бобината. Известни са различни видове индуктивни преобразуватели, но найразпространени са дроселните и соленоидните. 3.1 Дроселни индуктивни преобразуватели Дроселните индуктивни преобразуватели (фиг.3.1) се състоят от бобина 3, магнитопровод 1 и подвижна котва 2. Входната величина (преместването x) предизвиква изменение на дължината δ или площта s на въздушна междина, предвидена специално в магнитната верига на преобразувателя.


Фиг.3.1
Пълното електрическо съпротивление (инпеданса) Z на бобината е:
Z = R + jωL, където R – активното съпротивление на бобината; jωL – реактивно съпротивление на бобината; L – индуктивност на бобината; ω – кръгова честота на захранващия източник. Индуктивността L на бобина, разположена на магнитопровод е:
ZM w L 2 = , където w е броят на навивките на бобината, а ZM пълното магнитно съпротивление на магнитната верига. Въздействието върху индуктивността L чрез промяна на броя на навивките w на бобината е по-скоро теоретична. При преобразувателите с феромагнитна сърцевина за промяна на индуктивността се използват методите на модулация на съпротивлението ZM на магнитната верига.

фиг.3.2
Зависимостта L(δ) е показана на( фиг.3.2.) Тя се характеризира с голяма нелинейност и променлив коефициент на преобразуване.Чувствителността е по-голяма при малки стойности на дължината на въздушната междина δ. В определен, сравнително малък участък ∆δ функцията L(δ) може да се апроксимира с линейна зависимост. Ако преместването x на котвата се отчита спрямо избрана начална хлабина δ0, то при зададена нелинейност измервателният обхват е правопропорционален на началната хлабина δ0, а чувствителността е обратнопропорционална на δ0 .С увеличаване на началната хлабина δ0, се увеличава линейния участък и се намалява чувствителността. При зададена допустима нелинейност γнел.доп измерваният обхват ∆δ може приблизително да се определи от израза: ∆δ ≈ 4δ0. γнел.доп, а чувствителността kδ≈1/δ0. Измервателният обхват на дроселните индуктивни преобразуватели с променлива въздушна междина е в границите 20 – 80µm при нелинейност 1%. Освен с П или Ш-образен магнитопровод (фиг.3.1 а,б), широко разпространени са преобразувателите с чашкообразен магнитопровод. Той не се прави от ламели, а се стругова от магнитна стомана или по-често се пресова от ферит (фиг.3.3).

Фиг.3.3
Магнитопроводът защитава бобината от механични повреди и влияние на смущаващи полета – цилиндричния магнитопровод служи като екран и гилза. Обикновено преобразувателите от този вид имат осигурена хлабина δ0 между сърцевината и челото на магнитопровода, която не позволява насищането му. Много често за котва, т.е. за затваряща част на магнитната верига се използва феромагнитна част от обекта на измерване (фиг.3.4). Това е едно несъмнено удобство – преобразувателят се състои само от бобина и магнитопровод, а измерването е безконтактно. В такъв случай трябва да се вземе предвид и една допълнителна загуба от хистерезис и вихрови токове в затварящата част, която обикновено е масивна. Характеристиката ще зависи и от качествата на материала на измервания обект.

фиг.3.4
Дроселните индуктивни преобразуватели с променлива дължина на въздушната междина δ се използват за безконтактно измерване на линейно преместване на феромагнитни обекти (линейни размери, отклонение на форма и разположение, честота на въртене, положение на подвижни органи на машини, роботи и манипулатори). Ролята на котва може да изпълнява повърхнината на измервания обект (ако е от феромагнитен материал). Дроселните индуктивни преобразуватели са намерили приложение и като индикатори на положение на подвижни обекти. Освен чрез изменение на разстоянието δ, магнитното съпротивление на въздушната междина може да се променя с изменение на активната площ s (фиг.3.5).

фиг.3.5
L = f (δ,s); при δ=const → L= f (s).

Фиг.3.6
С увеличаване на активната площ s, индуктивността L се увеличава. Чувствителността ks зависи от δ. При по-малка въздушна междина δ, чувствителността е по-голяма (ks е обратно пропорционална на δ) – фиг.3.6. За s=so=ab индуктивността е максимална, т.е.диапазона на изменение на площта е 0 < s < so s=0 означава котвата да е разположена до ръба на сърцевината. Но тя е твърде близко до нея и част от магнитния поток продължава да се затваря пред котвата. Големината на тази част зависи от междината δ. Затова при s=0 L=L0>0. L0 е различно за различните междини (L01, L02, L03) – фиг.3.6. Измервателният обхват е в границите 0 ≤ x ≤ a (фиг.3.5), функцията на преобразуване L(s) е с по-малка нелинейност от функцията L(δ), но при по-малка чувствителност. На фиг.3.7 са показани принципни схеми на дроселни индуктивни преобразуватели с променлива площ на въздушната междина.

фиг.3.7
Най-често дроселните индуктивни преобразуватели се използват като диференциални, включени в съседните рамена на мостова електрическа схема (фиг.3.8а). Така при преместване х на котвата индуктивността на едната бобина се увеличава с ∆L, а на другата се намалява с ∆L. (вж. т.1.4 фиг.1.20а).

Фиг.3.8
Когато осъществяването на диференциална схема е затруднено или невъзможно, два идентични преобразувателя се включват в мост, като единият се настройва на определена начална хлабина и изпълнява ролята на компенсационен (опорен), а другият е измервателен (фиг.3.8б)
3.2 Соленоидни индуктивни преобразуватели.
Соленоидните индуктивни преобразуватели се състоят от бобина (соленоид) в отвора на която се премества феромагнитна сърцевина (котва) – фиг.3.9. При отсъствие на котва индуктивността на бобината е L0. При поставяне на котва с дължина, равна на дължината на бобината (lk=l), индуктивността на бобината се увеличава до Lm. Lm = L0µl , където µl е ефективна магнитна проницаемост (показва колко пъти се е увеличила индуктивността). При преместване х на котвата се променя индуктивността на бобината.

Фиг.3.9
В действителност напрегнатостта на полето не е постоянна и се променя по дължината на бобината. Затова функцията на преобразуване е нелинейна и има вида, показан на фиг.3.9. Началната индуктивност L0 на еднослойна бобина с радиус r , дължина l и брой на навивките w. Т.е. формата на бобината и начинът на подреждане на навивките влияят върху функцията на преобразуване. Ако навивките на бобината са неравномерни, с гъстота нарастваща в краищата на бобината може в известна степен да се компенсира спадането на чувствителността поради неравномерното разпределение на напрегнатостта на магнитното поле по дължината на бобината. Соленоидните преобразуватели без магнитопровод имат голям измервателeн обхват (до 1000mm), но силно се влияят от външни смущаващи полета. Причината затова е, че магнитните силови линии се затварят през въздуха. Поставянето на магнитопровод 3 (фиг.3.10) води до намаляване на потоците на разсейване и прави преобразувателя по-устойчив към външни електромагнитни полета.


Фиг.3.10
Магнитна проницаемост на въздуха и е подобна на дроселните преобразуватели, но измервателният обхват е значително по-голям – около 0,4mm при γнел.=1%. Увеличаването на обхвата е за сметка на чувствителността. Соленоидните индуктивни преобразуватели имат по ниска чувствителност в сравнение с дроселните.

Фиг.3.11
Диференциалните соленоидни индуктивни преобразуватели имат по-голям измервателен обхват и чувствителност и са намерили най-голямо приложение в измервателната техника. Върху чувствителността и линейния участък оказва влияние отношението на дължината на котвата lK към дължината на бобината l. Найголям линеен участък при запазване на чувствителността се постига при lk/l≈1,5.

![]()
фиг.3.12
Соленоидните индуктивни преобразуватели са намерили голямо приложение за измерване на линейни премествания (линейни размери, отклонения на форма и разположение и др) – фиг.3.12. Измервателният обхват може да достигне 2mm при нелинейност 1%. Грешката от повторяемост е около 0,01µm, а температурната грешка – 0,05µm/0С. 3.1.3 Индуктивни преобразуватели с назъбен магнитопровод Този вид индуктивни преобразуватели се използват за измерване на големи премествания. Преобразувателят се състои от магнитопровод , бобина и котва (фиг.3.13). По вътрешната страна на магнитопровода и по външната на котвата са изработени концентрични или винтови канали.

фиг.3.13
При преместване на котвата, магнитното съпротивление Rδ на въздушната междина се променя периодично от една максимална до една минимална стойност. При това периодично се променя и индуктивността на бобината. Изходният сигнал се променя почти синусоидално с период, равен на 2t (стъпката на каналите).

Фиг.3.14
При диференциалните преобразуватели двата магнитопровода са изместени на половин стъпка (t/2) един спрямо друг. Изходният сигнал има период, равен на стъпката на каналите.

Фиг.3.15
Преобразувателите с назъбен магнитопровод се използват и за измерване на ъглово преместване и честота на въртене. Магнитопроводът и котвата имат надлъжни канали (фиг.3.16).

Фиг.3.16
Информативен параметър на изходния сигнал е броя на периодите и характеристиката е дискретна. Освен броя на периодите на изходното напрежение Uи, ако да се използва като допълнителна информация и неговото текущо изменение, може да се увеличи разрешаващата способност. В такъв случай като параметър на изходния сигнал се използва фазовата разлика между изходния сигнал Uи и един опорен периодичен сигнал U0.
3.4 Индуктивни преобразуватели с променливо реактивно магнитно съпротивление.
Дроселните индуктивни преобразуватели могат да се използват и с неферомагнитна метална котва (медна или алуминиева), която предизвиква промяна на реактивното магнитно съпротивление XM.
ZM = (RM 2+XM 2 ) 1/2 където XM = P/(ωΦ2 ) е реактивната съставляваща на магнитното съпротивление. Използва се така наречения екранен ефект, който се състои в образуването на насрещно магнитно поле в котвата, вследствие вихровите токове в нея. Това магнитно поле взаимодейства с полето на бобината и променя нейната индуктивност. На фиг.3.17 е показана принципна схема и характеристика на дроселен, а на фиг.3.18 и фиг.3.19б – на соленоиден индуктивни преобразуватели с променливо реактивно магнитно съпротивление.


фиг.3.17 фиг.3.18
Загубата на мощност Р в магнитопровода от вихрови токове в котвата е найголяма при минимална въздушна междина между магнитопровода и котвата за дроселните преобразуватели и при напълно потопена котва при соленоидните преобразуватели (ХМ=max) и индуктивността на бобината е Lo (начална индуктивност), която с преместване х се увеличава до Lm. Функциите на преобразуване имат характер, обратен на този от фиг.3.2 и фиг.3.9.

Фиг.3.19
На фиг.3.19а а показана схема за измерване на дебелината b на котвата. Бобината може да бъде с или без магнитопровод. Изходният сигнал зависи от дебелината на котвата (екрана) b и от нейната проводимост. Функцията на преобразуване е нелинейна, като чувствителността и обхвата зависят от началната хлабина δ. Максималната стойност на b, към която преобразувателят е чувствителен зависи от честотата на захранване. Например при честота 500kHz →bmax≈0,2mm; при честота 50Hz→ bmax≈10mm. Използва се за измерване на дебелини на метални покрития върху неметална основа. Бобината може да бъде плоска. Изменението на индуктивността посредством екранния ефект може да се осъществи и чрез променлива площ на екрана, покривана от магнитното поле на бобината. Конструкцията на индуктивните преобразуватели с променливо реактивно магнитно съпротивление е аналогична на соленоидните индуктивни преобразуватели, макар че принципът на действие е различен (променя се jXM) и плунжерът е неферомагнитен. Чувствителността е по-малка от тази при соленоидните. При потапяне на плунжера (преместване наляво – фиг.3.19б) индуктивността намалява, докато при соленоидните – нараства. Магнитното съпротивление се променя вследствие размагнитващото действие на вихровите токове в екрана. Вихровите токове образуват насрещно магнитно поле, което частично компенсира магнитното поле на бобината и намалява индуктивността й.
3.2 Взаимоиндуктивни преобразуватели.
Взаимоиндуктивните преобразуватели са съставени от две електрически независими, но магнитно свързани електрически вериги с бобини (първична и вторична намотки). Магнитният поток от първичната намотка изцяло или отчасти пресича вторичната намотка и индуцира е.д.н. във вторичната електрическа верига. С промяна на магнитната връзка при неизменни ток I1 и напрежение Uз в първичната електрическа верига се изменя тока I2 или напрежението Uи във вторичната или наричана още измервателна електрическа верига. С други думи индуцираното електродвижещо напрежение във вторичната намотка зависи от големината на магнитната връзка. Принципът на прехвърляне на енергия от един контур на друг е аналогичен на принципа на работа на трансформаторите, поради което взаимоиндуктивните преобразуватели често се наричат трансформаторни. В зависимост от вида на магнитната верига взаимоиндуктивните преобразуватели могат да бъдат дроселни, соленоидни, преобразуватели с разпределени параметри и индуктосини.
3.5 Дроселни и соленоидни взаимоиндуктивни преобразуватели
Дроселните и соленоидните взаимоиндуктивни преобразуватели се състоят от магнитопровод, първична намотка (генераторна бобина), вторична намотка (измервателна бобина) и подвижна котва. Те са подобни на дроселните и соленоидните индуктивни преобразуватели, но имат една бобина повече, което позволява да се използват удобствата и възможностите на независима вторична електрическа верига. При дроселните взаимоиндуктивни преобразуватели (фиг.3.20) за промяна на магнитната връзка в магнитната верига специално е предвидена въздушна междина δ.

Фиг.3.20
Една система от две магнитно свързани индуктивности притежава параметъра взаимоиндуктивност М, който зависи от броя на навивките на двете бобини и от пълното магнитно съпротивление на магнитната верига ZM.Взаимната индуктивност М се влияе от определящите я фактори по същия начин, както индуктивността L (вж. т.3.1.1); това предопределя подобните конструкции на индуктивните и взаимоиндуктивните преобразуватели. Ако разсейването на магнитния поток се пренебрегне, магнитното съпротивление на магнитната верига се определя от израза:
ZM = [(RM +Rδ ) 2+XM 2 ] 1/2 ,
където: RM e активното магнитно съпротивление на магнитопровода; Rδ=2δ/µos – активното магнитно съпротивление на въздушната междина; µ0 – магнитна константа (µ0 =4π.10-7H/m); δ – дължината на въздушната междина; s – площта на напречното сечения на магнитопровода и въздушната междина; XM=P/(ωΦ2 ) – реактивната съставляваща на магнитното съпротивление; Р – загубата на мощност в магнитопровода; Ф – магнитният поток в магнитопровода. Ако се пренебрегнат магнитното съпротивление на магнитопровода RM (магнитното съпротивление на феромагнитен материал е много по-малко от това на въздушната междина т.е. RМ< където I1 е токът в първичната електрическа верига, а ω – честотата на захранване. Изходното напрежение Uи може да се променя чрез изменение на дължината на въздушната междина δ или чрез промяна на площта на нейното напречно сечение s, т.е. информативни параметри на входния сигнал могат да бъдат или δ или s. При s=const, Uи=f(δ), а при δ=const – Uи=f(s). Функцията на
преобразуване Uи(xδ) при s=const има вида, показан на фиг.3.21.

фиг.3.21
Наличието на съединителни проводници към подвижната бобина 2 е един експлоатационен недостатък на схемата от фиг.3.20. Затова обикновено двете бобини се монтират на магнитопровод, а подвижният елемент е котва, която при преместването си променя магнитното съпротивление на магнитната верига (фиг.3.22).


Фиг.3.22
При преобразувателите от фиг.3.22 съпротивлението на първичната намотка се променя с изменение на магнитното съпротивление ZM, предизвикано от преместването на котвата. Този недостатък се избягва при диференциалните преобразуватели (фиг.3.23), при които намаляването на съпротивлението на едната половина на първичната намотка при преместване на котвата се компенсира от увеличаването на съпротивлението на другата половина. Освен това и електромагнитната сила на привличане действаща върху котвата не се променя.

фиг.3.23
На фиг. 3.24 е показана принципна схема на соленоиден взаимоиндуктивен преобразувател, съдържащ първична намотка 1, вторична намотка 2, подвижна феромагнитна котва 3 и магнитопровод 4.

Фиг. 3.24
Освен чрез изменение на активното магнитно съпротивление Rδ на въздушната междина, върху пълното магнитното съпротивление ZM на магнитната верига може да се въздейства и чрез промяна на реактивната съставляваща на магнитното съпротивление XM. В този случай вместо котва се използва метален неферомагнитен (меден, алуминиев) екран (фиг.3.25). В зависимост от неговото положение спрямо магнитопровода в екрана възникват вихрови токове, което е еквивалентно на въвеждането на магнитни загуби, с увеличаването на които намалява магнитният поток, а с това и индуцираното във вторичната намотка е.д.н.

3.6 Преобразуватели с разпределени параметри,
Към взаимоиндуктивните преобразуватели се отнасят и така наречените преобразуватели с разпределени магнитни параметри. Те се състоят от магнитопровод, първична намотка и подвижна вторична намотка (фиг.3.26).

Фиг.3.26
Магнитният поток Фх, създаван от първичната намотка се затваря през въздушната междина δ между праволинейните участъци на магнитопровода и се променя линейно от максималната си стойност в сечение I-I до минималната си стойност в сечение II-II. При пресичане на навивките на подвижната бобина от магнитния поток Фx, в нея се генерира електродвижещо напрежение, пропорционално на преместването.Тази зависимост не отчита магнитното съпротивление на магнитопровода. На практика функцията на преобразуване е нелинейна. Нелинейността е в границите 1– 3%. Чувствителността зависи от тока I1. Най-ефективно чувствителността се увеличава с увеличаване броя на навивките на измервателната (вторичната) бобина w2. Работния ход се определя от допустимата нелинейност и съставлява 65–80% от общия ход ∆x=(I-I)–(II-II). Недостатък е наличието на подвижни съединителни проводници към подвижната бабина. Този недостатък е отстранен в преобразувателя с разпределени магнитни и електрически параметри (фиг.3.27). В П-образен магнитопровод 1 са поставени първичната намотка 2 и вторична (измервателната) намотка 3, която има равномерно разпределени навивки по дължината на линейния участък от магнитопровода. Подвижен елемент е котвата 4, която влияе върху разпределението на магнитния поток. Електродвижещото напрежение, което се генерира във вторичната намотка може да се разглежда като съставено от две напрежения Uи=U1+U2. Едното (U1) се определя от магнитния поток Ф1, който се затваря през котвата и взаимодейства с бобината 3 в участъка x1, а другото (U2) се определя от магнитния поток Ф2, който се затваря през въздушната междина δ и взаимодейства с всичките навивки на бобината 3.

Фиг.3.27
Два преобразувателя с разпределени магнитни параметри могат да бъдат включени в диференциална схема, като се свържат подвижните им бобини. При едновременно преместване на измервателните бобини електродвижещото напрежение в едната се увеличава, а в другата намалява. Разновидност на преобразувател с разпределени магнитни параметри е преобразувателят с О-образен магнитопровод (фиг.3.28).

Фиг.3.28
Магнитните потоци в магнитопровода са срещуположни. Когато подвижната намотка е в положение О – О, електродвижещото напрежение в нея е нула. При преместване на подвижната намотка в нея се поражда електродвижещо напрежение, като в ляво и в дясно от сечението О – О, то е с противоположна фаза. Съществено предимство на преобразувателя с разпределени параметри е големия работен ход (65 – 80% от дължината на магнитопровода).
3.7 Индуктосини. Индуктосинът е трансформаторен преобразувател на линейно или ъглово преместване. Състои се от две равнинни намотки, разделени от малка въздушна междина δ=0,1–0,3mm (фиг.3.29). Равнинните намотки (обикновено печатни платки) образуват решетка със стъпка s=0,5–1,5mm. При подаване към едната намотка (първична, ротор) на променливо електрическо напрежение с висока честота (около 10kHz) в другата (вторична, статор) се индуцира електродвижещо напрежение.

Фиг.3.29
Когато навивките на първичната и вторичната намотки са разположени една срещу друга във вторичната намотка се генерира максимално електродвижещо напрежение. При преместване на едната намотка спрямо другата на половин стъпка (x=s/2), генерираното електродвижещо напрежение във вторичната намотка е нула. Периодът на изменение на Uи е Т = 2s (фиг.3.30).

фиг.3.30
Като информативен параметър в границите на преместване на една стъпка s се използва изменението на напрежението Uи или фазата му. При по-голямо преместване се използват броячи на полупериодите на изходния сигнал. Зависимостта на изменение на изходното напрежение от преместването не е точна синусоида, но при подходящи широчина на проводника и стъпка, висшите хармоници, наложени върху основния хармоничен изходен сигнал се подтискат и може да се получи почти синусоидална функция.

При двуфазните индуктосини (фиг.3.31) две независими статорни (вторични) намотки 1 и 2 са отместени помежду си на половин стъпка (s/2). Вследствие на това изходните сигнали са фазово изместени на π/2 (фиг.3.32).

фиг.3.32
Монофазните индуктосини могат да имат различни стъпки на първичната намотка и на отделните секции на вторичната намотка (нониусен индуктосин). Индуктосините се изработват във вид на отделни плочи (линии), с дължина до 1250mm, които могат да се съединяват по между си за увеличаване на обхвата или се изработват във вид на гъвкави ленти с дължина до 3200mm. Грешката на линейните индуктосини зависи от натрупаната грешка на стъпката на решетката и е в границите 1–4µm, а за гъвкавите ленти 2–10µm. При кръговите индуктосини (фиг.3.33) грешката е циклична и е в границите 3 – 10″.
Индуктосините са намерили приложение в металорежещите машини с цифрово програмно управление, роботите и манипулаторите за позициониране на работните им органи.

фиг.3.33
3.8 Магнитоеластични преобразуватели.
Магнитоеластичните преобразуватели се използват за измерване на сили, налягания и въртящи моменти. Принципът на преобразуване е основан на изменението на магнитната проницаемост на феромагнитен материал под действието на механично натоварване. Физичните процеси във феромагнитните материали са свързани с явленията магнитострикция и магнитоеластичност. Магнитострикцията се изразява в изменение на линейните размери на феромагнитно тяло при изменение на магнитната индукция (фиг.3.34а). Под влияние на магнитното поле хаотично ориентираните домени (за поликристални структури) и кристали (за феромагнитни материали с кристална структура) се ориентират в направление на магнитните силови линии, което предизвиква изменение на линейните размери на феромагнитното тяло.

Фиг.3.34
Магнитоеластичността (ефект на Вилари) е обратно на магнитострикцията явление. Изразява се в изменение на магнитните свойства (магнитната проницаемост) на феромагнитен материал под действие на механично напрежение (фиг.3.34б).. Промяната на магнитната проницаемост µ под действие на механично напрежение се изразява в промяна на индуктивността L и на активното съпротивление R на бобина. Магнитострикцията и магнитоеластичността зависят от вида на феромагнитния материал, от неговата структура и от температурата. При желязото и неговите сплави с поликристална структура магнитострикцията и магнитоеластичността са положителни (с увеличаване на механичното напрежение магнитната проницаемост µ се увеличава). При никела магнитострикцията и магнитоеластичността е отрицателна (с увеличаване на механичното напрежение, магнитната проницаемост намалява). Зависимостта на относителната магнитна проницаемост εµ=∆µ/µ от механичното напрежение σ има вида, показан на фиг.3.35. Тя е нелинейна, като чувствителността Kσ=∆lµ/B2 l e пропорционална на началната стойност на магнитната проницаемост µ и обратно пропорционална на магнитната индукция на насищане B. Поради това се използват магнитно меки материали с ниски стойности на В и висока магнитна проницаемост (пермалей, меко желязо или силициева ламарина).

фиг.3.35
Формата на магнитопровода е винаги затворена, тъй като наличието и на малка въздушна хлабина влияе съществено върху магнитното съпротивление. Намотката в такива магнитопроводи се прави ръчно, но това е начина да се избегнат сглобки в магнитопроводите. Магнитоеластичните преобразуватели могат да бъдат индуктивни (с една бобина – фиг.3.36а,б) или взаимоиндуктивни (трансформаторни) – съдържащи първична и вторична намотки (фиг.3.36в).

Фиг.3.36
При диференциалните магнитоеластични преобразуватели се използват два еластични елемента – единият е натоварен на опън, а другият на натиск. На фиг.3.37 е показана принципна схема на диференциален взаимоиндуктивен магнитоелестичен преобразувател с магнитопровод, който е натоварен на огъване. При натоварване със сила F горната част на магнитопровода е натоварена на опън, а долната на натиск.

Фиг.3.37
Магнитоеластичните преобразуватели са намерили приложение и при измерване на въртящ момент. В този случай магнитопроводът е натоварен на усукване. В магнитоанизотропните преобразуватели се използват различните магнитни свойства на материала в надлъжно и напречно направление. Преобразувателят се състои от магнитопровод и две взаимно перпендикулярни бобини, ориентирани под ъгъл 45º спрямо направлението на приложената сила (фиг.3.38). Едната бобина е захранваща, а другата измервателна. При протичане на променлив ток през първичната намотка при отсъствие на товар във вторичната не се индуцира електродвижещо напрежение. При прилагане на сила F и деформиране на магнитопровода, магнитният поток се деформира и във вторичната намотка се генерира електродвижещо напрежение.

фиг.3.38
Магнитоеластичните преобразуватели имат относително невисока точност. Нелинейността им е в границите 2 – 5%. Чувствителността им е голяма поради ефективното използване на целия магнитопровод в процеса на преобразуване. Хистерезиса може да бъде сведен до 1% след тренировъчен цикъл пулсиращо натоварване. Магнитоеластичните преобразуватели “стареят” във времето. За намаляване на това те се подлагат на естествено стареене от 6 – 12 месеца, след което нестабилността им може да бъде сведена до 0,5-1%. Общата им грешка е в границите 3 – 5% и отстъпват по точност на тензорезисторните преобразуватели на сила, които имат грешка 1,2 – 1,5%. Магнитоеластичните преобразуватели са намерили приложение за измерване на големи сили – в теглоизмервателните устройства (бункери, вагони, транспортни ленти и други) т.е. там където експлоатационните условия са тежки. Минималната стойност на измерваната сила е 250N. Поради отсъствието на подвижни елементи надеждността на магнитоеластичните преобразуватели е висока. Изходният сигнал не се нуждае от предварително усилване, което е едно несъмнено предимство. 3.4 Индукционни преобразуватели Индукционните преобразуватели са основани на използването на явлението електромагнитна индукция. Тези преобразуватели не изискват външно електрическо захранване, т.е. енергията необходима за преобразуването се получава от енергията на самия измерван обект. В общ случай индукционните преобразуватели съдържат бобина и постоянен магнит (фиг.3.39). При движение на постоянния магнит със скорост v, магнитните силови линии пресичат навивките на бобината и в нея се индуцира електродвижещо напрежение е, което е функция на скоростта на изменение на магнитния поток Ф.

Фиг.3.39
Индукционните преобразуватели не могат да се използват за статични измервания (за измервания на статични обекти). За да се индуцира електродвижещо напрежение в бобината е необходимо изменение във времето на външно магнитно поле, създавано от постоянния магнит или електромагнит. Така електродвижещото напрежение се явява функция на параметрите В, α и N и те могат да се използват като информативни параметри на входната величина. За информативни параметри на изходната величина се използват амплитудата на индуцираното електродвижещо напрежение и неговата честота. Индукционните преобразуватели се използват за измерване на честота на въртене, параметри на вибрации и сеизмични трептения, параметри на магнитни полета и др. Например схемата от фиг.3.39 може да се използва за измерване на скорост на вибрации (виброскорост). За измерване на вибропреместване или виброускорение, изходния сигнал се подава съответно на интегриращ или диференциращ усилвател. Индукционните преобразуватели на виброскорост се използват за измерване параметри на вибрации в честотния диапазон 1 – 50Hz при амплитуда на вибрациите не повече от 1 – 5mm. Чувствителността им достига 140mV/ m/s. На фиг.3.40 са показани принципни схеми на индукционни преобразуватели за измерване на честота на въртене. Преобразувателите от фиг.3.40а и б съдържат бобина 1, постоянен магнит 2 и феромагнитен назъбен диск 3, а преобразувателят от фиг.3.40в – бобина 1, магнитопровод 2 и въртящ се многополюсен постоянен магнит 3.

Фиг.3.40
На фиг.3.41 е показана схема на индукционен преобразувател, предназначен за определяне на положението и честота на въртене на коляновия вал на двигатели с вътрешно горене. В тялото 1 е поставен постоянен магнит 2. Към неговото чело е допрян феромагнитен накрайник 3, върху който е разположена бобината 4. Преобразувателят е монтиран срещу зъбите на маховика 5.

Фиг. 3.41
При относителното преместване х на феромагнитните зъби (фиг.3.42а) в бобината на преобразувателя се генерира електродвижещо напрежение, което е функция на скоростта v. На фиг.3.42 са дадени графиките на зависимостта е(х) при постоянна скорост и различни стойности на хлабината δ между преобразувателя и зъбното колело. С прекъсната линия са дадени амплитудните стойности на генерираното е.д.н. при различни хлабини δ. С права линия, успоредна на абсцисната ос, е означено напрежението на сработване на компаратора, който формира изходния импулс (в преобразувателя е вградена хибридна интегрална схема за формиране на правоъгълен изходен сигнал, чийто компаратор сработва при e >Uk). От фиг.3.42 се вижда, че при изменение на хлабината δ, а също и при различна скорост v на преместване, се променя разстоянието xk, при което сработва компараторът. Това означава, че при определяне на положението се допуска грешка, която зависи от δ и v и се изразява чрез изменението на разстоянието xk. За честотата на въртене може да се съди и по честотата на изходния сигнал.

Фиг. 3.42
- ГАЛВАНОМАГНИТНИ ПРЕОБРАЗУВАТЕЛИ
Основани са на използването на галваномагнитни явления, ефектите на Хол и Гаус възникващи в полупроводници, намиращи се в магнитно поле.

Фиг. 4.1
Ако в надлъжно направление на полупроводникова пластина (фиг.4.1), намираща се в магнитно поле с индукция В се пропусне електрически ток, то напречно на пластината се получава електродвижещо напрежение Ен (напрежение на Хол). При отсъствие на магнитно поле Eн = 0. Този ефект е известен като ефект на Хол. Ефектът на Гаус се изразява в промяна на електрическото съпротивление RB на полупроводникова пластина,
намираща се в магнитно поле (магниторезистивен ефект).


фиг.4.3 фиг.4.2
Напрежението на Хол Ен (фиг.4.2) и съпротивлението RB (фиг.4.3) зависят от индукцията В на магнитното поле.Напрежението на Хол Ен променя знака си при промяна на полярността на магнитното поле. Когато векторът на магнитната индукция е перпендикулярен на повърхността на пластината (α = 0), Eн и RB са максимални. При α = 900 → Eн = 0. Едновременно с ефектите на Хол и Гаус в полупроводниците се проявяват и други ефекти, които имат второстепенно значение, но оказват влияние на характеристиките на преобразувателите. Напрежение на Хол се появява и в токоподвеждащите електроди (вторичен ефект на Хол), което предизвиква нелинейност на характеристиката. Под действието на собственото магнитно поле на пластината, създадено от протичащия през нея ток I1 се генерира електродвижещо напрежение на Хол (собствен ефект на Хол). Такъв ефект възниква само в случаите, когато електродите са разположени несиметрично спрямо надлъжната ос на пластината. При осветяване на полупроводниковата пластина, напрежението на Хол (Eн) намалява (фотоефект на Хол). Тези вторични ефекти предизвикват нелинейност на характеристиката. Полупроводниковите елементи на Хол се изработват от монокристален полупроводник (силиций Si, германий Ge) или от поликристален полупроводник – галиев арсенид, индиев арсенид и други. Монокристалните елементи на Хол представляват тънки пластини от силиций или германий върху които са запоени електродите. Тъй като дебелината влияе обратно пропорционално на Ен , стремежът е тя да бъде минимална (10 ÷ 200µm). Пластината може да бъде залепена върху керамична подложка. Поликристалните елементи на Хол се изработват чрез нанасяне върху подложка на полупроводниковия слой чрез изпаряване във вакуумни инсталации. Такава технология позволява получаване на малки дебелини на пластината (d = 2 – 5µm) и малки размери (до 2mm) на активната област. Електродите, най-често от благородни материали, се изработват по фотолитографски метод. Подложката може да бъде неферомагнитна (керамика, стъкло, слюда) или феромагнитна. Преобразувателите с немагнитна подложка се използват за измерване на магнитна индукция – големината на магнитната индукция и направлението на вектора на магнитната индукция. Феромагнитните подложки се използват като концентратори на магнитните силови линии и осигуряване на ъгъл α=0. Механичната защита се постига чрез покриване с тънък слой от синтетична смола или чрез затваряне в керамичен корпус.

Фиг.4.4
Високата температурна чувствителност на полупроводниците е причина елементите на Хол да се влияят от температурата. Относително малка чувствителност към температурата имат полупроводниците от индиев или галиев арсенид. Динамичните свойства на преобразувателите на Хол са високи – до 107 Hz. В преобразувателите на механични величини, основани на галваномагнитни ефекти, е необходимо измерваната величина да се преобразува в изменение на магнитна индукция. Магнитният поток се създава най-често от постоянен магнит.

Фиг.4.5 фиг.4.6
При относителното преместване x на елемент на Хол спрямо постоянен магнит, изходния сигнал Ен се променя. Възможни са два варианта на ориентиране на елемента на Хол спрямо постоянния магнит –когато оста на магнита е успоредна на чувствителната повърхнина (фиг.4.5) и когато тя е перпендикулярна на нея (фиг.4.6). При първата схема при преминаване на елемента на Хол покрай магнита Ен сменя знака си. Тази схема е по-удобна за определяне положението на подвижен обект. Недостатък на тези схеми е необходимостта към подвижния обект да се закрепи магнит. Това може да се избегне, ако подвижния обект има зъби и те се използват за промяна на магнитния поток (фиг.4.7).

Фиг.4.7
И в този случай ориентацията на елементът на Хол може да бъде различно ориентиран (фиг.4.8 а, б).

фиг.4.8
При първата схема (фиг.4.8а) Ен не се влияе от промяна на хлабината δ. При втората схема (фиг.4.8б) изходното напрежение има постоянна съставляваща Е0, която се влияе от промяната на хлабината δ. На фиг.4.9 е показана принципна схема на преобразувател на Хол, използвана за управление на запалването в цилиндрите на двигатели с вътрешно горене. Преобразувателят съдържа въртящ се феромагнитен диск (екран) 1 с прорези, постоянен магнит 2 и елемент на Хол 3. Когато между постоянния магнит 2 и елемента на Хол 3 се намира прорез на диска 1, магнитният поток се затваря през елемента на Хол (фиг.4.9а). Когато между магнита 2 и елемента на Хол се намира плътен участък от феромагнитния диск, магнитният поток се затваря през 1 (фиг.4.9б).

Фиг.4.9
На фиг.4.10 е показана функцията на преобразуване при преместване на елемент на Хол в магнитно поле, създавано от два постоянни магнита, разположени с едноименните си полюси един срещу друг. Такъв преобразувател може да се използва за измерване на линейно преместване до няколко милиметра

Фиг.4.10
Недостатък на този вид преобразуватели е чувствителността им към външни магнитни полета. Тя може да бъде намалена чрез използване на затворени магнитни вериги (фиг.4.11).

Фиг.4.11
Чувствителността спрямо входната величина х за такъв преобразувател е значително по-голяма. Недостатък на тези преобразуватели е, че елементът на Хол е подвижен, с произтичащите от това неудобства за отвеждане на изходния сигнал. На фиг.4.12 е дадена принципна схема на диференциален преобразувател, съдържащ два елемента на Хол 1 и 2, постоянен магнит 3 и подвижна феромагнитна котва 4. При преместване на котвата 4 магнитният поток през единия елемент на Хол се увеличава, а през другия намалява. Изходен сигнал е разликата от генерираните от двата елемента на Хол електродвижещи напрежения.

Фиг.4.12
Магниторезисторите са основани са на ефекта на Гаус – промяна на електрическото съпротивление на полупроводникова пластина, намираща се в магнитно поле, т.е. RB = f (B) – фиг.4.3. Магниторезисторите се изработват във вид на решетка чрез нанасяне върху подложка на полупроводников слой чрез изпаряване във вакуумни инсталации (фиг.4.13). Технологията за изработване на полупроводниковите магниторезистори е подобна на технологията за изработване на елемента на Хол, но полупроводниковия слой нанесен върху подложката не е оформен като пластина, а като решетка (меандър).

Фиг.4.13
Съпротивлението R0 се увеличава допълнително чрез намаление на широчината на полупроводниковия слой до около 80µm. Основна характеристика на магниторезисторите е относителното изменение на съпротивлението от магнитната индукция:
На фиг.4.14 е показана схема на преобразувателя FP200L100 (Siemens). Магниторезисторите 1 и 2 са залепени към полюсните накрайници 3 на постоянните магнити 4. Магнитните силови линии се затварят през полюсните накрайници 3 и 5, като пресичат двата магниторезистора. В хоризонтално направление се премества магнитът 6, при което магнитните потоци, създавани от него и от неподвижните магнити 4 се сумират или се изваждат в зависимост от преместването х. Като резултат от сумарното взаимодействие на тези магнитни потоци съпротивлението на магниторезисторите се променя.

Фиг.4.14
На фиг.4.15 е показан диференциален преобразувател за измерване на честотата на въртене с два галваномагнитни елемента 1, които могат да бъдат магниторезистори или елементи на Хол. В единия случай, модулираният от феромагнитните зъби на въртящото се зъбно колело 4 магнитен поток предизвиква промяна на съпротивлението на магниторезисторите, а в другия – изменение на напрежението на Хол. Честотата на изходния сигнал е пропорционална на броя на зъбите и честотата на въртене. Ако двата галваномагнитни елемента 1 са изместени на стъпка t/2 (единият е срещу зъб, а другият – срещу междузъбие), техните периодични изходни сигнали са дефазирани на π/2 и тази фазова разлика се използва за определяне и на посоката на въртене.

- ПИЕЗОЕЛЕКТРИЧЕСКИ ПРЕОБРАЗУВАТЕЛИ.
Пиезоелектрически са преобразувателите основани на пиезоефектът. При деформирането на пиезоелектрически материали по техните повърхнини се появяват електрически заряди (прав пиезоефект – фиг.5.1). При изменение на големината и посоката на деформацията се променят големината и знака на възникналия електрически заряд.

Фиг.5.1
При поставянето на пиезоелектрически материали в електрическо поле, те се деформират (обратен пиезоефект). При промяна на посоката на външното електрическо поле се променя знакът на възникналата деформация. Известни са около 20 кристални вещества, които имат пиезоелектрически свойства. На практика като пиезоелектрически материали най-често се използват: кварц, сегнетова сол, турмалин, литиев ниобат, керамични сплави (бариев титанит, оловен титанит, оловен цирконат и други). Един от най-разпространените пиезоелектрически материали е кварцът. Формата на всяка елементарна клетка от кристала на кварца представлява правилен шестоъгълник, т.е. кристалографската
структура на кварца има вида, показан на фиг.5.2а.

Фиг.5.2
По осите х (електрически оси) са насочени векторите на поляризация P1, P2 и P3. Тъй като тези вектори имат еднаква големина и са разположени на 1200 един спрямо друг, клетката е електрически неутрална (резултантния вектор Р е равен на нула). Ако по направление на някоя от осите х се приложи сила Fx, вследствие на деформацията се променя взаимното разположение на векторите на поляризация P1, P2 и P3 и се появява резултантен вектор Р. По страните, перпендикулярни на направлението х се появяват електрически заряди (надлъжен пиезоефект). Резултантният вектор Р е насочен нагоре (сумата от проекциите върху х на Р2 и Р3 е по-малка от Р1), при което горната повърхнина се зарежда положително, а долната отрицателно (фиг.5.2б). При смяна на посоката на натоварването (натоварване на опън) се сменя поляритета (долната повърхнина се зарежда положително, а горната отрицателно). При натоварване на натиск по оста Y със сила Fy, сумата от проекциите върху електрическата ос Х на векторите Р2 и Р3 е по-голяма от Р1 и резултантният вектор Р е насочен надолу (фиг.5.2в). Долната повърхнина се зарежда положително, а горната отрицателно (напречен пиезоефект). Напречен пиезоефект се получава, когато електрически заряди се образуват по страните, разположени напречно на натоварените страни. При натоварване на огъване (фиг.5.2г), резултантния вектор на поляризация е насочен по оста Y. Дясната страна на пластината се зарежда положително, а лявата отрицателно (проекциите на векторите Р2 и Р3 по оста Y не са еднакви – P2y > P3y). При натоварване по оста Z (перпендикулярна на чертежа), кристалът остава електрически неутрален. Той остава електрически неутрален и при еднакво натоварване от всички страни (хидростатично натоварване). Количествено връзката между изменението на поляризацията Р и механичното напрежение Т при едномерно напрегнато състояние се дава с израза: → P = d T , където d е физическа константа наречена пиезоелектрически модул. В най-общ случай механичното напрежение Т, характеризиращо напрегнатото състояние в околността на точка, се определя от тензор от II ранг от вида:

фиг.5.3
Изборът на осите X,Y,Z е строго определен и е свързан с кристалографските оси на дадена кристална структура. Поляризацията Р е вектор, всяка компонента на който зависи от компонентите на тензора на напрежението.При определяне на напрежението Uх трябва да се отчита не само съответния капацитет С на пиезоелемента, но и капацитетът на присъединителния кабел. Електрическият заряд, генериран на изводите на пиезоелемента се запазва само, ако входното съпротивление на електрическата измервателна верига е безкрайно голямо. Тъй като това изискване е практически трудно изпълнимо, пиезоелектрическите преобразуватели се използват главно за динамични измервания. Кварцът е един от най-разпространените пиезоелектрически материали.Кварцът се характеризира с два пиезомодула Относителната му диелектрична проницаемост е εr = 4,5 и се променя незначително от температурата. При температури над 570°С кварцът губи пиезоелектрическите си свойства. Поради това се използва при температури до 200°С. Сегнетовата сол като пиезоматериал се характеризира с голям пиезомодул т.е. има голяма чувствителност към тангенциални напрежения τyz. Предпочита се при преобразуване на малки сили. Силно хигроскопична е и това не позволява постигане на високи метрологични характеристики. Бариев титанит – пиезокерамика с голяма диелектрична проницаемост εr = 1200 – 1700. Пиезоелектрическият модул се променя значително от температурата. От температурата се променя и диелектричната проницаемост. Това прави преобразувателите с пиезокерамика температурно зависими.Пиезоелектрическите преобразуватели, в които се използва правия пиезоефект, се използват за измерване на сили, налягания и ускорения. Пиезоелектрическите преобразуватели на налягане се използват за динамично измерване на налягане в честотния интервал 2 – 50Hz. На фиг. 5.4 са показани схеми на преобразуватели на налягане. В преобразувателя с надлъжен пиезоефект

(фиг.5.4а)
налягането се възприема от мембрана 1, която притиска пиезоелемента 2 чрез шайбата 3. В преобразувателя от фиг. 5.4б се използва напречният пиезоефект. Пиезоелементът 1 представлява пръстен, който се поляризира в радиално направление при надлъжното му притискане от мембраната 2. Електрическите заряди се извеждат от вътрешната и външната цилиндрична повърхнина на пиезоелемента. За увеличаване на чувствителността могат да се използват няколко пиезоелемента, образуващи пакет (фиг.5.4в). На фиг.5.5 е показан пиезоелектрически преобразувател, използван в двигателите с вътрешно горене за контрол на детонациите.

Фиг.5.5
При преобразувателите на ускорение, за натоварване на пиезоелемента се използва инерционна маса 2 (фиг.5.6). На схемите от фиг.5.6а и б пизоелементът 3 е натоварен на опън-натиск, на схемата от фиг.5.6в – на срязване, а на схемата от фиг.5.6г – на огъване.

Фиг.5.6
Пиезоелектрическите преобразуватели на ускорение се използват в акселерометрите и виброизмервателните уреди. Важна характеристика на преобразувателите на ускорение е напречната чувствителност. Тя предизвиква грешка. Преобразувателите със залепени пиезоелементи имат значителна напречна чувствителност, а резонансната им честота зависи от качествата на лепилото. Тези недостатъци могат да бъдат намалени значително, ако инерционната маса се притиска към пиезоелемента с пружина (фиг.5.6б, фиг.5.7). Формата на инерционната тежест и нейното разположение спрямо пиезоелемента се избира така, че разстоянието между масовия й център и масовия център на пиезоелемента да бъде минимално. За постигане на това инерционната маса трябва да има малка височина.

фиг.5.7
6.ПИРОЕЛЕКТРИЧЕСКИ СЕНЗОРИ
Пироелектрическите сензори са основани на пироелектвическия ефект. Пироелектричеството се проявява в свойството на някой диелектрични кристали да променят електрическата си поляризация при изменение на температурата. При загряване или охлаждане на пироелектрически кристал на страните му се появява електрически заряд. Ако кристалът достатъчно дълго се намира при постоянна температура, то зарядът на повърхностите му се неутрализира от йоните във въздуха и утечки, като кристалът става електрически неутрален. При промяна на температурата по пъвърхнините на кристала се появава електрически заряд ∆p = γ1 ∆T + γ2 ∆T 2 , където γ1 и γ2 – коефициенти на пироелектрическия ефект; ∆T – изменение на температурата или приблизително ∆p ≈ γ ∆T


фиг.6.1
В техниката пироелектриците обикновенно се изработват като тънки пластини с нанесени електроди от двете страни (фиг.6.1а). Такъв сензор може да бъде моделиран като кондензатор (фиг.6.1б), електрически зареждан от топлинен поток (инфрачервено излъчване). Изменението на напрежението при промяна на температурата е: където С – капацитет на кондензатора; S – площ на припокриване на електродите; h – дебелина на пироелектрическата пластина; γ – пироелектрически коефициент на пироелекгрическия материал; εn – относителна диелектричеса проницаемост на пироелектрическата пластина; ε0 –диелектрическа проницаемост на вакума. Известни са стотици материали, имащи пироелектрически свойства, например: турмалин, сегнетоелектрически монокристал, керамика от бариев титанит (BaTiO3, γ = 4·10-4), поликристал титан-олово (PbTiO3, γ = 2,3·10-4), полимери като полиакрилнитрил и поливинилвторид и др. Повечето пироелектрически материали притежават и пиезоелектрически свойства и са чувствителни към деформация. Затова обикновенно в сензора се използват два чувствителни елемента, включени последователно за компенсиране на пиезоефекта, предизвикан от деформации. При това единият от елементите има покритие, повишаващо поглъщащата способност към инфрачервено излъчване (той реагира както на изменението на температурата така и на механичните въздействия), а вторият елемент е екраниран от инфрачервеното излъчване чрез нанесено отражаващо покритие (той реагира само на механичното въздействие). Пироелектрическите сензори са намерили приложение като чувствителни елементи в термометрите за безконтактно (дистанционно) измерване на температура, в системите за противопожарно известяване, в сензорно-преобразувателните устройства за движение (в охранителната техника), в устройствата за автоматично отваряне на врати или включване на осветление и др.
7.КАПАЦИТИВНИ ПРЕОБРАЗУВАТЕЛИ
Капацитивните преобразуватели представляват електрически кондензатори, които променят капацитета си под действие на входната величина. В най-общ случай капацитетът на кондензатор е функция на диелектричните свойства на средата ε и пространствените характеристики на полето g – C = f (ε,g)

фиг.7.1
За плоскопаралелен кондензатор (фиг.6.1), състоящ се от два електрода с размери а×b, разположени на разстояние δ един от друг.За въздух относителната диелектрична проницаемост ε = 1,0005; s=ab – площта на напречното сечение на припокриване на електродите. Т.е. капацитетът на плоскопаралелен кондензатор зависи от диелектричната проницаемост ε на средата между електродите, площта на припокриването им s и разстоянието между тях δ,
т.е.: C = f ( ε , s , δ ).
Информативни параметри за входната величина могат да бъдат изменението на въздушната междина δ, изменението на активната площ s и изменение на диелектричните свойства на средата ε. Верига с реален кондензатор съдържа не само чист капацитет С, но и активна съпротивителна и индуктивна съставляващи, т.е.еквивалентната им схема включва последователно съпротивление Rs, което отразява загубите в кондензатора, паралелно съпротивление Rp, предизвикано от проводимостта на диелектрика и индуктивност L на изводите и арматурата (фиг.7.2).

Фиг.7.2
Обикновено съпротивлението Rp e достатъчно голямо и не шунтира забележимо капацитивното съпротивление, поради което Rp може да се пренебрегне. Когато към кондензатора се включи кабел, индуктивността L се променя и това трябва да се отчита. Затова капацитивните преобразуватели трябва да се градуират съвместно с кабелите им. т.е. информативен параметър на входната величина (преместване) е разтоянието между електродите δ. Функцията C(δ) е нелинейна и има вида, показан на фиг.7.3. Апроксимацията с линейна зависимост се извършва при определена начална хлабина δ0 и обхвата ∆x е сравнително малък. Чувствителността е обратно пропорционална на началната хлабина δ0, а измервателният обхват при нелинейност 1% е ∆x ≈ δ0/10

Фиг.7.3
Затварянето на силовите линии на електрическото поле през страничните чела на електродите предизвиква неравномерно разпределение на интензитета на полето в междината δ (краев ефект). Това води до увеличаване на нелинейността на преобразувателната функция. За отстраняване на този ефект се въвежда допълнителен трети електрод (активен екран), с което се увеличава измервателния обхват (фиг.7.4).

Фиг.7.4 Фиг.7.5
Друг начин за намаляване на краевия ефект е скосяване на измервателния електрод (фиг.7.5). Ролята на втори електрод може да играе и повърхнината на измервания обект (от токопроводящ материал). Така капацитивните преобразуватели могат да се използват за безконтактно измерване на малки премествания. Недостатък на този тип преобразуватели е влиянието на замърсяването на повърхнините на електродите. Това налага почистване и обезмасляване на повърхнините на детайлите. Известни са капацитивни преобразуватели с два измервателни електрода, разделени с екран (фиг.7.7). При изменение на хлабината δ се изменя капацитетът на разсейване между двата измервателни електрода.

Фиг.7.7 фиг.7.8
По тази принципна схема са разработени безконтактни капацитивни вътромери (фиг.7.8). В преобразувателите на налягане подвижният електрод е закрепен в центъра на еластична мембрана. В някои случаи ролята на подвижен електрод може да играе самата мембрана. Ако измервателния електрод се покрие с твърд диелектрик с дебелина a1,
то δ = а1 + а2.
Общият капацитет се определя от капацитетите на два последователно свързани електрода.
Такъв преобразувател може да се използва за интегрална оценка на грапавостта на повърхнини (фиг.7.9б). Ако преобразувателят има n диелектрични слоя с относителни диелектрични проницаемости ε1, ε2, ε3 … εn то такъв преобразувател може да се използва за безконтактно измерване на дебелината на хартия, текстил и други. Ако ε =const и δ = const → C = f (s), т.е. информативен параметър на входната величина (преместване) е активната площ s между електродите (фиг.7.9).

Фиг.7.9

Функцията на преобразуване е линейна в обхвата 0 < x < a, но силно се влияе от непостоянството на хлабината δ. Влиянието на δ значително се намалява с използване на схемата с два неподвижни електрода (фиг.7.10а).

Фиг.7.10
Разновидност на тази схема е капацитивният преобразувател с коаксиални електроди (фиг.7.10б) .Информативен параметър на входната величина е диелектрична проницаемост ε на средата между електродите (фиг.7.11).

Фиг.7.11
Част от междуелектродното пространство е запълнено с диелектрик с диелектрична проницаемост ε1, а другата част − с ε2. Резултантният капацитет може да се представи като сума на два паралелно свързани кондензатора:Такъв преобразувател може да се използва за измерване на ниво на диелектрични течности – вода, петрол, бензин и други (фиг.7.12).

Фиг.7.12
При измерване на ниво на лесно изпаряеми течности (бензин, спирт и др.) е необходимо да се отчита не само ε2 на течността, но и ε1 на газообразната среда (ε1≠1).
8.ФОТОЕЛЕКТРИЧЕСКИ (ОПТИЧНИ) ПРЕОБРАЗУВАТЕЛИ
Оптичните преобразуватели са основани на фотоелектрическия принцип на преобразуване, при който енергията на електромагнитно лъчение се преобразува в електрическа енергия. Общата структурна схема на оптичен сензори има вида, показан на фиг.8.1.

Фиг.8.1
Входната величина х модулира (променя) светлинния поток Ф, създаван от източник на лъчение (светлинен източник), при което чрез изменение на поглъщането или отражението на част от потока Ф, се изменя енергетичната осветеност на приемник на лъчение (фотоелемент). Изходният сигнал на оптичния канал може да бъде фазовата разлика ∆ϕ на електромагнитни колебания на два лъча, честотата f или дължината на вълната λ на електромагнитното лъчение. Той се преобразува в електрически сигнал на изхода на приемника – фототок или съпротивление на фотоелемент. В електрическа измервателната верига той се преобразува в подходящ аналогов или дискретен електрически сигнал. За намаляване на влиянието от външни източници на осветление, източникът на лъчение може да излъчва пулсиращ с определена честота (5-30kHz) светлинен лъч (модулирано излъчване). Източникът на лъчение може да бъде лампа с нажежаема жица, светодиод или лазер. Лампите с нажежаема жица имат недостатъчна стабилност на параметрите и ниска надеждност, което ограничава приложението им. Най често се използват полупроводниковите светодиоди. Светодиодът (фиг.8.2) създава оптическо излъчване при пропускане на ток през него. Неговите спектрални характеристики зависят от химическия състав на използваният полупроводник.

Фиг. 8.2
Лазерът (оптичен квантов генератор) е източник на кохерентно монохроматично електромагнитно излъчване в оптичния диапазон. Състои от три основни елемента (фиг. 8.3): източник на енергия (източник на напомпване), работна среда и оптичен резонатор.

Фиг.8.3
Източникът на енергия може да бъде светлина от газоразрядна лампа, друг лазер, електрически ток или химическа реакция. Типът на източникът на енергия зависи от използваната работна среда. Работната среда е активно вещества, чиито атоми излъчват лазерно лъчение. Работната среда е основен определящ фактор за работната дължина на вълната и за другите свойства на лазера. За работна среда може да се използват газове, течности, твърди тела и полупроводници. Оптичният резонатор в най-прост вид се състои от две успоредни огледала, едното от които е с 100% отражателна способност, а другото е полупрозрачно, т.е. отразява част от светлината, а другата чест я пропуска. Възникналото лъчение стига до едното огледало, отразява се и повторно преминава през средата, при което нови атоми излъчват и го усилват. Другото огледало отново връща лъчението в работната среда, където то отново се усилва и този процес се повтаря многократно докато се достигне необходимия интензитет. Полученото лъчение се извежда от лазела през едно от огледалата, което е полупрозрачно. Качеството огледалата е определящо за качеството на лазерната система. При полупроводниковият лазер работната среда е полупроводник. Типичен представител на полупроводников лазер е лазерният диод. В лазерния диод полупроводниковият кристал се изработва във вид на тънка правоъгълна пластина, която се явява оптичен вълновод. В горният слой на кристала се създава n-област, а в долния слой – р-област. Получава се p-n преход с голяма площ. Двете чела на кристала се полират и образуват оптичен резонатор. Спонтанното излъчване на фотон (като при светодиод) преминава през оптичния вълновод и многократно се отразява от челата преди да излезе навън. Преминавайки през резонатора той предизвиква принудени рекомбинации, създавайки нови и нови фотони, при което излъчването се усилва. Като приемници на светлинното лъчение най-често се използват фоторезистори, фотодиоди, фототранзистори, фототиристори. Използват се също и позиционно– чувствителни фотоприемници и CCD-матрици. Фоторезисторите (фиг.8.4) са полупроводникови елементи, изменящи своята проводимост при изменение на осветеността им. При осветяване съпротивлението им се намалява. Принципът им на действие се основава на вътрешния фотоефект.

Фиг. 8.4
Като материали за светлочувствителен слой се използват селен, кадмий, германий, цинков сулфид, оловен сулфид PbS, оловен селенид PbSe и др.. Широко приложение са намерили селено–кадмиевите (CdSe) фоторезистори. Те имат чувствителност в частта от спектъра с дължини на вълната λ=0,5-1,2µm, като чувствителността им е максимална при λ=0,7µm (фиг.8.4а).
На фиг.8.5 е показана зависимостта на съпротивлението от светлинния поток. Фоторезисторите най-често се включват в схеми на делител на напрежение (фиг.8.6) или в мостви схеми.


Фиг. 8.5 Фиг.8.6
На фиг.8.7 е показана зависимостта на фототока от светлинния поток, която е нелинейна, а на фиг.8.8 – волт-амперната характеристика.


Фиг.8.7 Фиг.8.8
Фоторезисторите се отличават с висока чувствителност, но имат ниско бързодействие, поради което се използват при честоти до1kHz. Трябва да се държи сметка и на зависимостта на съпротивлението от температурата – с увеличаване на температурата, съпротивлението на осветен фоторезистор нарадтва. Температурата влияе и на инерционните свойства на фоторезистора. Температурна компенсация може да се постигне с включване на два еднакви фоторезистора, единият от които е на тъмно, по схемата от фиг. 1.20б. Фоторезистори на основата на PbS (оловен сулфид) и PbSe (оловен селенид) се използват за дистанционно измерване на температури на нагрети до 100-200°С обекти, които непрекъснато излъчват лъчист поток в инфрачервения диапазон. Фотодиодите (фиг.8.9) са полупроводникови елементи с p-n преход. При осветяване обратния ток през p-n прехода се увеличава. При светлинно излъчване, в областта на р-n прехода се генерират носители на заряд (електронно-дупчести двойки), които достигайки границата на p-n прехода се разделят – неосновните носители (дупки) преминават границата на прехода, а основните не успяват да я преминат и се натрупват на границата на прехода. Възникналата потенциална разлика е фото е.д.с. Генерираният ток във фотодиода е обратен, насочен от катода към анода и е пропорционален на осветеността. Материалите от които се изработват фотодиоди са силиций, германий, галиев арсенид, индиев арсенид и др. Светлинният поток може да бъде насочен перпендикулярно на p-n прехода или успоредно на него. Фотодиодите със структура p-i-n съдържат тънки нискоомни p и n области, между които се намира високоомен i-слой. Практически цялото приложено ел. напрежение се поема от i-слоя с което се ускорява образуването на токоносители. Ориентировъчните дебелини на слоевете са: р-слой 0,5µm; i-слой 40µm; n- слой 10µm; защитен окисен слой SiO2 0,8µm.

Фиг. 8.9
Фиг. 8.9 А Фиг. 8.9 Б
Спектралната характеристика зависи от използвания полупроводников материал, технологията на изработване и от приложеното към фотодиода напрежение. Силициевите фотодиоди са чувствителни към светлина с λ=0,6-1,1µm (фиг.8.9Б), германиевите – при λ≈1,5µm. Конструкцията на фотодиод е подобна на обикновен диод, в който е предвиден прозорец през който светлината да попада върху p-n прехода, а в някой случаи е монтирана оптична леща.Фотодиодите могат да работят в два режима – фотодиоден и фотогалваничен (фотоволтаичен, генераторен). Във фотодиоден режим се използва источник на захранване (фиг.8.10а). В този случай през фотодиода протича обратен ток, пропорционален на светлинния поток. Във фотогалваничен режим фотодиодът работи без външен источник на захранване (фиг.8.10б). В този режим той може да се използва като сензор или като “слънчева батерия”, тъй като под въздействие на светлина се генерира ел. напрежение.


Фиг.8.10а Фиг.8.10б
Чувствителността на фотодиодите е около 20µA/1000lx, а честотния диапазон – до 50kHz и е значително по-голям от този на фоторезисторите. Фотодиодът се характеризира с най-голямо бързодействие от всички фотоприемници (10-9 – 10- 11s). При фотортранзисторите ефектът на фотодиода е съпроводен с ефект на усилване, с което чувствителността се увеличава около 30 пъти, но честотния диапазон е по-малък 0 – 30kHz.Позиционно–чувствителния фотоприемник (ПЧФ) представлява приемник с четири светлочувствителни зони (фотодиоди). Ако светлинният сноп е в центъра на приемника (фиг.8.11), всяка от четирите зони е еднакво осветена. При изместване на светлинното петно осветеността на светлочувствителните зони е различна. Това се използва за определяне на координатите (x,y) на светлинното петно.

Фиг.8.11
CCD матрица (Charge-Coupled Device – елемент със зарядна връзка). CCD елемента на матрицата е преобразувател на фотоните в електрически заряд. CCD – матрицата (фиг.8.12) се състои от подложка, изработена от монокристален полупроводников материал (P-Si) в която има канал от N-Si, изолиращ слой от силициев оксид (SiO2), покриващ подложката и набор от микроскопични електроди. След подаване на електрода на електрически потенциал, в зоната под каналите от N-Si се създава потенциална яма, в която се съхраняват електрони. Осветяването на повърхността на елемента води до промяна на електрическия заряд (фототок) на ямата, т.е. всяка единица от светочувствителната матрица реагира на интензитета на светлината. Отделните елементи от матрицата имат способността да обменят заряди от свойте потенциални ями, т.е зарядите се преместват свързано от елемент на елемент. Обменът се осъществява от специални електроди (transfer gate), разположени между съседните елементи. Стойностите на зарядите на отделните елементи (пиксели) се четат последователно.

Фиг. 8.12
В практиката най-голямо приложение са намерили фотоелектрическите индикатори (детектори) на положение на подвижни обекти, растеровите и кодовите сензори на линейно и ъглово преместване и сензорите с оптични влакна.

Фиг.8.13а На фиг.8.13б фиг.8.13г
са показани основните принципни схеми, които се използват във фотоелектрическите индикатори на положение, броячи и сензори на честота на въртене. При схемата с пряко осветление на фотоелемента 2 (фиг.8.13а) светлинният поток, излъчван от източника 1 се пресича (поглъща) от непрозрачния обект 3. Много често източникът 1 и приемникът 2 на лъчението се разполагат от едната страна на обекта 3 (фиг.8.13б), като светлинният поток се отразява от рефлектора 4. Такова разположение позволява да се обединят излъчвателят и приемникът в общ корпус, което улеснява електрическото им захранване. За намаляване на влиянието от външни източници на осветление, се излъчва пулсиращ с определена честота (5-30kHz) светлинен лъч (модулирано излъчване). Фотоприемникът различава модулираният лъч от външни източници на осветление. Когато между сензора и рефлектора има обект с отразяващи свойства, сензорът не може да разбере дали отражението е от рефлектора или от обекта. За това при работа с обекти с голяма отражаваща способност се използват поляризиращи филтри. Те се разполагат пред лещите на излъчвателя и приемника. Излъчваната светлина се поляризира в хоризонтална плоскост, а рефлекторът променя плоскостта на поляризация на 90°. Поляризиращият филтър пред приемника приема само отразената от рефлектора светлина (поляризирана във вертикална плоскост), а отразената от друг обект светлина не се възприема. На схемата от фиг.8.13 в повърхнината на обекта 3 отразява лъчите (дифузно отражение). За измерване на разстоянието до обект се използва схемата от фиг. 8.14, използваща оптична триангулация (тригонометричен метод за определяне на разстояние до обекти с използване геометрията на триъгълници). Изменението на разстоянието до обекта води до изменение на ъгъла на отразения лъч и на позицията му върху фотоприемника (CCD линийка или позиционно-чувствителен фотоприемник).

Фиг.8.14
Растеровите (инкрементални) сензори на линейно и ъглово преместване се състоят от прозрачни пластини върху които са нанесени непрозрачни ивици, образуващи решетка (растер). Ако се наложат две решетки една върху друга при постоянно разстояние между тях (δ = const и δ < a), се образуват непрозрачни и прозрачни зони, които модулират светлинния поток, излъчван от източника при относително преместване на двете решетки една спрямо друга.Едната решетка е неподвижна – основен или измервателен растер, а другата е подвижна – индикаторен растер. Двете решетки образуват комбиниран растер. Комбинираният растер може да бъде обтюрационен, нониусен или муаров. При обтюрационен растер (фиг.8.15) двете решетки са успоредни и имат еднакви стъпки s1 = s2 = s.

При нониусните растери решетките са успоредни, но са с различни стъпки s1 ≠ s2. Чувствителността k=s2/(s1-s2) зависи от разликата между стъпките s1 и s2, решетките са завъртени една спрямо друга на ъгъл α и s1 = s2 = s. Чувствителността зависи от ъгъла α.При преместване на индикаторния растер спрямо измервателния на една стъпка s, ивиците на комбинирания растер се преместват на стъпка sx , т.е. осъществява се усилване. 2 2sinα s s x = Независимо от вида на комбинирания растер, изходния сигнал се променя периодично при преместване на индикаторния растер. Това налага в сензорите да се използва грубо и фино определяне на преместването. Грубото определяне на преместването се извършва чрез броене на периодите m на получените прозрачни и непрозрачни зони на комбинирания растер. Финото определяне на преместването се извършва чрез фазата на изходния сигнал. Най-често се използват многофазни комбинирани растери (дву или четири фазни), които се състоят от n индикаторни решетки, последователно изместени на стъпка sx/n .При преместване х, изходните сигнали на фотоприемниците 2а, 2б, 2с, 2d се променят по хармоничен закон и са изместени един спрямо друг на π/2. Фотоприемниците са включени в електрическа схема (фиг.8.16) с изход – два синусоидални сигнала U12 и U34, дефазирани на π/4. Информацията за преместването х се съдържа във фазата на сигнала. Електрическите сигнали се преобразуват в кратковременни импулси с продължителност τ, пропорционална на преместването (фиг.8.16б). Два формирователя на импулси изработват краткотрайни импулси при преминаване на U12 и U34 през нулата от отрицателна към положителна стойност. Формираните импулси управляват електронен ключ, който се включва при постъпване на импулс от първия формировател и изключва при импулс от втория формировател. В резултат се изработва импулс с амплитуда U и продължителност τ.


Фиг.8.16
В сензорът може да бъде въведен допълнителен растер, който да формира реперни сигнали (фиг.8.17).

Фиг.8.17
Грубото определяне на преместването може да се реализира и чрез допълнителна кодова лента (фиг.8.18).

Фиг.8.18
Кодовите оптикоелектронни сензори преобразуват линейно или ъглово преместване в цифров код.При завъртане на диска светлинен поток пада върху един или друг фотоелемент или съчетание от тях. Сигналите от фотоелементите се подават към устройство за кодиране, което извежда съответния код. Дискът е триразряден, т.е има три пътечки с прозрачни и непрозрачни сектори. Броят на секторите на които е разделена всяка пътечка е 2n , където n е номерът на разряда. Например пътечката от първи разряд (най-вътрешната) е разделена на 21 сектора, пътечката от втори разряд е разделена на 22=4 сектора и т.н. При използване на двоичен код, ако и трите фотоприемника са осветени се извежда код 111; ако и трите фотоприемника не са осветени – код 000 и т.н. За увеличаване на разрешаващата способност се увеличава броя на разрядите (пътечките) на диска. Често се използват и други способи на кодиране. Например широко приложение е намерил кода на Грей, който е характерен с това, че при преминаване от една позиция в следваща се променя състоянието само на един разряд, което го прави по устойчив на грешки при разчитането. Грешки могат да бъдат откривани и ако във всички кодови комбинации, броят на нулите и единиците е еднакъв. Но освен разкриване на грешки, кодът може да бъде разработен така, че и да е възможно поправяне на евентуални грешки, например с дублиране на кодовите комбинации или с подходящо добавяне на допълнителна (проверочна) цифра към основната кодова комбинация.
9.Термоелектрически преобразуватели (термодвойки).
Тези преобразуватели са основани на термоелектрическия ефект, възникващ във веригата на термодвойка. При разлика на температурите Т1 и Т2 в точките на съединение на два разнородни проводника А и В (фиг.9.1а), образуващи термодвойка, в електрическата верига възниква електродвижеща сила, наричана термо-е.д.с. При постоянна температура в едната точка на съединение, например в т.2 Т2=const, възникналото термо-е.д.с. ще бъде:
ЕАВ=f(T1)-k=f1(T1), т.е. термо-е.д.с. е функция на температурата Т1 в точка 1 на съединение на двата разнородни проводника, а k=f(T2). ЕАВ е пропорционално на разликата в температурите ∆Т = Т1 –Т2. Точката на съединение на проводниците 1 се нарича работен край на термодвойката, а точката 2 – свободен край на термодвойката. За измерване на термо-е.д.с. във веригата се включва електроизмервателен уред (миливолтметър) – фиг.9.1а, б, в.

Фиг.9.1
Термоелектрическият контур може да бъде прекъснат в кое да е място и да се включи в него разнороден проводник С. Ако новите връзки (3) се намират при еднаква температура Т3, то паразитна термо-е.д.с. не възниква. Така миливолтметъра за измерване на термо–е.д.с. може да бъде включен както между свободните крайща на термодвойката, така и чрез прекъсване на единия от проводниците. За направа на термовойки се използват следните комбинации от метали и сплави: мед – константан, желязо – константан, сребро – константан, нихром – никел, нихром – константан, платинородий – платина, платинородий – златопаладий и др. Температурният интервал на измерваните температури за термодвойки от благородни метали е от 0 до 1500°С, а за термовойки от неблагородни метали – от 200 да 700°С. В таблица 8.1 са дадени някой характеристики на термодвойки , а в таблица 8.2 – термо-е.д.с. на термоелектроди от различни материали в комбинация с платина при Т1 = 100°С и Т2 = 0°С.
Изменението на температурата Т2 на свободния край на термодвойката води до изменение на показанието на миливолтметъра. Това налага необходимостта от въвеждането на поправки при измерване на температура.

Фиг.9.2
На фиг.9.2 е показана схема на термодвойка с автоматично въвеждана поправка. Последователно във веригата на термодвойката и миливолтметъра е включен мост, в който резисторът R1 е изработен от мед и се намира в зоната, имаща температурата на свободния край на термодвойката; резисторите R2, R3 и R4 са изработени от манганин. При градуиране на термометъра мостът е в равновесно състояние. При експлоатация, отклонението на температурата на свободният край на термодвойката от стойността при която е извършена градуировката предизвиква разбалансиране на моста и на диагоналът ab се появява напрежение, което се сумира с това на термодвойката. Посредством резисторът R5 може да се регулира чувствителността на моста. Грешката на измерване на температури с термодвойки е 0,5 – 2%
- УЛТРАЗВУКОВИ (АКУСТИЧНИ) ПРЕОБРАЗУВАТЕЛИ
Акустичните преобразуватели са основани на използването на акустични вълни като носители на информация и съдържат излъчвател и приемник на акустични трептения. В някой случаи тези два елемента могат да бъдат обединени в един, изпълняващ и двете функции. Акустичният излъчвател може да работи в режим на непрекъснато излъчване, или в режим на излъчване на краткотрайни импулси. Отразените от обекта звукови вълни се приемат от акустичния приемник.

Фиг. 10.1
В качеството на информативен параметър на изходния сигнал при непрекъснато излъчване могат да се използват амплитудата и фазата на акустичното налягане, въздействащо върху приемника, а при импулсно излъчване – времето на закъснение τ на отразения от обекта сигнал спрямо момента на неговото излъчване (ехо-локация). Разстоянието да обекта L се определя от зависимостта: 2 cτ L = , където с е скоростта на звука. В зависимост от честотата f на излъчваните звукови трептения, акустичните преобразуватели се делят на звукови и ултразвукови (f > 20kHz). Ултразвуковите преобразуватели са намерили щироко приложение в дефектоскопията за откриване на вътрешни дефекти (пукнатини, шупли, шлакови включвания и др.) при безразрушителния контрол на отливки, заваръчни шевове и др. (фиг.10.4), за измерване на дебелината на затворени съдове (при отсъствие на достъп до вътрешната повърхнина). Използват се още и за измерване на разстояния до обекти (напрмер за изследване на релефа на морското дъно, за сигнализиране на разстоянието до прегради при паркиране на автомобили и др.). Излъчвателят и приемникът по същество са електромеханични (електроакустични) преобразуватели. Те преобразуват съответно електрическата енергия в механична (звукова) и звуковата в електрическа. Като електроакустични преобразуватели най-често се използват електродинамични, електростатични, електромагнитни, а в областта на ултразвуковите честоти (>20kHz) – пиезоелектрически и магнитострикционни преобразуватели (в.ж. т.3.3 и т.5). Голямо разпространение имат пиезоелектрическите преобразуватели с пиезоелемент от пиезокерамика или монокристален кварц. На фиг. 10.2 е показан пиезоелектрически ултразвуков преобразуватели, състоящ се от следните основни елементи: пиезопластина, демпфер, протектор и корпус. На повърхностите на пиезопластината са нанесени тънки слоеве сребро, служещи за електроди. При подаване на електродите на ел. напрежение с определена честота, пиезопластината работи в режим на излъчване на акустични трептения. Ако върху пиезопластината въздействат акустични трептения, то на електродите се появява е.д.с. –преобразувателят работи в режим на приемане. Демпферът служи за гасене на свободните трептения на пиезопластината и за получаване на кратки ултразвукови импулси (при импулсно излъчване). Материалът на демпфера (силикон, полиуретан, каучук и др.) и неговата форма трябва да осигуряват бързо затихване на ултразвуковите трептения без многократно отражение. Протекторът защитава пиезопластината от механични повреди и подобрява акустичния контакт (при контактен метод) на сензора с обекта. При контактен метод обикновено между сензора и обекта се поставя течност (обекта се намазва с течност – масло, консистентна смазка и др.).

Фиг. 10.2
Излъчвателят и приемникът могат да бъдат монтирани в общ корпус (фиг. 10.3). Понякога в конструкцията се използват призми за пречупване на ултразвуковите лъчи. Изработват се от материали с ниска скорост на разпространение на звука – органично стъкло, полистирол, поликарбонат и др.

фиг. 10.3
ENGINEERING AND TECHNOLOGY IN TRANSPORT Diagnostics and repair