ГЕНЕРАТОРНА СИСТЕМА
Източници на ел.Енергия в автомобилната мрежа – видове генератори и начини на включване
Общи сведения:
Системата за ел. снабдяване на в автомобила служи за захранване на всичките консуматори с ел. Енергия. Източници на ел. Енергия в автомобила са генератора и акумулаторната батерия (АБ) работещи в паралел. При работещ двигател генератора е основен източник на ел. Енергия и осигурява електроснабдяването на консуматорите и зареждане на АБ. При неработещ двигател функциите на източник на ел. Енергия се поемат от АБ, която също така трябва да осигурява и надежден пуск на двигателя. Автомобилните генератори работят в режими на променливи честоти на въртене и натоварвания, изменящи се в широки граници. За автоматично поддържане на напрежението на генератора до зададена стойност при изменения на честотата на въртене и натоварване се използува регулатор на напрежението.

Фиг.13.1.
Структурна схема на системата за електроснабдяване на автомобила
При UГ>ЕАБ IГ=IЗБ +IТ Б – батерия
UГ=ЕБ IГ =IТ З – зареждане
UГ<ЕБ IТ=IГ+IБР Р – разреждане
UГ=0 IБР=IТ
Изисквания към автомобилните генератори
– Да имат голяма мощност при малки размери;
– Автоматично да поддържат постоянно напрежение при изменение на оборотите на вала на генератора и на натоварването;
– Да имат проста конструкция и леко обслужване;
– Да са надеждни при експлоатация;
– Да обезпечават нормален режим на зареждане на АБ – да отдават голям ток при силно разредена АБ и малък при заредена;
– Да са добре механически и електрически защитени;
14.1. Видове автомобилни генератори
А) Генератор за постоянен ток – Използува се генератор с паралелно възбуждане, който спада към групата генератори за постоянен ток със самовъзбуждане.

Фиг.13.2.
ВН – възбудителна намотка – създава постоянно магнитно поле. Разположена е в неподвижната част на машината, наречена „индуктор”.
К – Котва – въртяша се част. В нея се индуктира променливо е.д.н., което чрез колектора и четките се изправя.
Големината на индуктираното е.д.н. е:
Е=с.Ф.n [V] (1)
Където: с – константа;
Ф – магнитен поток, създаван от ВН;
n – честота на въртене на котвата.
За поддържане на постоянно напрежение на изводите на генератора се използува регулатора на напрежение (РН). Както се вижда от (1), за поддържане на постоянно напрежение на изводите на генератора е необходимо с нарастване на честотата на въртене да намалява стойността на магнитният поток (т.е. да намалява тока през възбудителната намотка).
Ограничител на ток (ОТ) – предпазва генератора от претоварване.
Реле за обратен ток (РОТ) – автоматично изключва генератора от веригата, когато напрежението му стане по-малко от напрежението на АБ.
Недостатъци на генераторите за постоянен ток – дължат се главно на наличието на колекторно-четков апарат:
– Има искрене между колектора и четките, поради комутацията, което искрене нараства с нарастването на тока. Това искрене ограничава плътността на тока и съответно възможността да се намалят размерите на генератора при дадена мощност.
– Дори и най-малката неточност при изработване на колектора води до рязко износване на четките.
Б) Генератор за променлив ток
Предимства
– Намаляване от 1,8 2,5 пъти на масата на генератора и около 3 пъти разхода на мед при същата мощност както ГПТ.
– По-малка начална скорост на въртене и осигуряване на по-висока степен на зареденост на АБ.
– По-голяма максимална мощност при равни габарити.
– Опростяване на схемата и конструкцията на регулиращото устройство вследствие на изключването от него на ОТ и РОТ.
– Намаляване на стойността на експлоатационните разходи поради голямата надеждност и по-големия срок на работа. Мощността на алтернаторите е 2 … 3 пъти по-голяма от тази на генераторите на постоянен ток и достига 200 … 300 хиляди километра пробег на превозни средства. Съвременните автомобили и трактори са с генератори за променлив ток. Това са синхронни трифазни или петфазни генератори с електромагнитно възбуждане. За зареждане на АБ променливия ток се изправя чрез електронни силициеви токоизправители. Токоизправителите са с малки размери, топлоустойчиви са и позволяват да бъдат монтирани в корпуса на генератора.
Генераторът за променлив ток работи така.
След включване на запалването токът от акумулатора навлиза във възбудителната бобина. Докато роторът се върти, магнитният му поток пресича намотките на статора и те се индуцират от променлив ток, който след това се ректифицира и подава във външния кръг. Когато напрежението, генерирано от генератора, надвишава това на батерията, токът на генератора се зарежда, за да зареди батерията и да захрани други потребители на електрическата система. По това време намотката на възбуждане на генератора също получава ток от генератора, а не от батерията.Напрежението на генератора се увеличава с увеличаване на честотата на въртене на коляновия вал на двигателя и свързания с него ротор на генератора и може да достигне стойността, при която нормалната работа на устройствата с електрическо оборудване е нарушена. За да се поддържа напрежението на генератора в определени граници на автомобилите в капака на генератора от контактните пръстени е вграден интегрален регулатор на напрежение. Елементите на контролера са монтирани върху метална основа, запечатани и покрити с капак. За връзка с генератора, контролерът има два извода – „B“ и „W“ под формата на твърди плочи. Отрицателната скоба се извежда през корпуса на регулатора към масата на генератора. Конструкцията на държача и капака на четката е такава, че и двете четки на генератора са изолирани от масата.
В) Генератори с независимо възбуждане – възбудителната намотка се захранва от външен източник на постоянно напрежение (напр. АБ).
Принцип на действие: При включване на запалването чрез ключа КЗ, чрез регулатора на напрежение (РН), възбудителната намотка се свързва с АБ. През ВН протича ток, който се определя от напрежението на батерията и от съпротивлението във веригата. ВН се намира в ротора и създава постоянен магнитен поток. Този поток, при въртене на ротора, пресича неподвижната статорна намотка и индуктира в нея променливо е.д.н., което се изправя от изправителната група.
Г) Трифазен генератор – трифазното променливо е.д.н., индуктирано в статора се изправя от трифазния двуполупериоден мостов изправител (схема Ларионов). Във всеки един момент от време токът тръгва от фазата, имаща най-високо положително напрежение, преминава през съответният диод от анодната група (Д1-Д3) преминава през товара (и АБ) и веригата се затваря към фазата имаща най-ниско отрицателно напрежение, като токът преминава през съответния диод от катодната група (Д4-Д6).

Фиг.13.3.

Фиг.13.4. Практическа схема
1-регулатор; 2-кутия; 3-генератор; 4-електрическа система на автомобила; 5-следяща верига.
Д) Седемфазен генератор

Фиг.13.5.
Е) Генератори със самовъзбуждане – Възбудителната намотка се захранва от напрежението, произведено от генератора без участието на АБ. През РН трите спомагателни диода захранват ВН. Веригата се затваря през диодите от катодната група. При завъртане на вала на генератора под действие на остатъчния магнетизъм на ротора във фазовите намотки на статора започва да се индуктира е.д.н. През възбудителната намотка започва да протича ток, който усилва магнитното поле. Индуктираното е.д.н.се повишава, а с това токът през ВН се увеличава. Самовъзбуждането се прекратява, когато падът на напрежение във възбудителната намотка се изравни с изправеното напрежение.

13.3. Видове консуматори в автомобила
1.Постоянно включени
2.Работещи продължително
3.Работещи кратковременно
Принципи на регулиране на напрежението – независимо от вида на генератора, големината на индуктираното е.д.н. се определя от оборотите на подвижната му част, поради което е необходим регулиращ елемент. Както се вижда от зависимостта:
E=c.Ф.n,
поддържането на постоянно напрежение при увеличаване на честотата на въртене на ротора на генератора е възможно само при намаляване на магнитният поток. Намаляването на тока през ВН, а следователно и магнитния поток се постига чрез:
- шунтиране на ВН;
- прекъсване на веригата и;
- включвана на добавъчен резистор последователно на нея.
С нарастване на честотата на въртене на ротора нараства и е.д.н. и напрежението на генератора превишава регулируемата стойност. Тогава РН по един от посочените начини намалява възбудителния ток, което води до намаляване на Ф, е.д.н и напрежението на генератора. Намаляването на напрежението води до необходимост от увеличаване на възбудителния ток. Процеса се повтаря периодически, поради което напрежението на генератора се колебае около регулируемата стойност.
13.4. Реле регулатори на напрежението. Предназначение и видове
Автомобилният генератор работи в специфични условия. Оборотите на двигателя непрекъснато се променят. Натоварването варира значително в зависимост от броя на участващите потребители. Степента на заряд на батерията варира в широки граници, но напрежението в клемите на генератора трябва да бъде почти постоянно (да се отклонява не повече от 3%), а батерията трябва да се зарежда с ток, съответстващ на нейното състояние. Горните условия могат да бъдат изпълнени и генераторът може да функционира нормално само чрез прилагане на релейния контролер. От формулата за напрежението на генератора
(Ur = E f = C e pF)
виждаме, че за да се осигури постоянно напрежение за генератора, тъй като скоростта на ротора се променя, магнитният поток трябва да бъде променен обратно пропорционално на честотата. Тъй като магнитният поток определя силата на тока на възбуждане, напрежението се регулира чрез окъсяване на намотката на възбуждане, т.е. прекъсване на веригата на възбуждане или чрез активиране на допълнително съпротивление последователно с намотката на възбуждане. Следователно принципът на работа се основава на промяна на величината на съпротивлението на веригата на намотката на възбуждане, обратно пропорционална на въртенето на ротора на генератора.
Този принцип на управление може да бъде приложен с устройства от различен тип. В съвременните автомобили се използват регулатори на напрежението, които се делят на контактно-вибрационни (едно- и двустепенни), контактно-транзисторни, безконтактен транзистор и интегрални.
Контакт-вибрационните регулатори имат експлоатационен живот 120 … … 150 хиляди км пробег на превозното средство което е по-ниско от интегралните и безконтактните, в които тази цифра е 200 … 300 хиляди км. Безконтактните и транзисторните и интегралните контролери не съдържат подвижни части, и пружини, поради което не се регулират по време на работа. Въпреки това, на някои автомобили се поставят регулатори за контакт-вибрации, като се има предвид тяхната ниска цена и проста структура.
Контакт-вибрационни регулатори на напрежението.
Принципа на работа на вибриращ регулатор на напрежението. Постоянен допълнителен импеданс R d , предназначен да намали напрежението на генератора до нормално с увеличаване на оборотите на двигателя, се включва последователно с намотката на възбуждане . Електромагнитната намотка се изключва при пълно напрежение на генератора. Контактите ще се отворят, ако силата на напрежение на пружината F и електромагнитната сила на релето са равни на F pr = F em.Както можете да видите, напрежението на релето зависи от напрежението на пружината F pr , величината на въздушната междина σ и параметрите на намотката на релето (r 0 и W 0 ). Ако напрежението на генератора е по-малко от напрежението на релето U p , контактите се затварят и намотката на възбуждане на генератора се включва към скобите на генератора. Съпротивлението на веригата на възбуждане се определя от съпротивлението на намотката на възбуждане R c. Ако напрежението на генератора е равно на напрежението на релето U, контактите ще се отворят и в веригата на възбуждане ще бъде включен допълнителен резистор R d . Тогава съпротивлението на веригата на възбуждане ще бъде равно на сумата от съпротивления R c + R d, Токът в намотката на възбуждане и напрежението на генератора ще намалеят. Щом напрежението на генератора спадне до връщащото напрежение (освобождаване), контактите се затварят отново, токът на възбуждане и напрежението се увеличават. Следователно контактите ще вибрират чрез включване (изключване) на допълнителния резистор R.
В този случай съпротивлението на веригата на възбуждане ще се промени рязко от R c до R c + R d .
Основният недостатък на регулаторите на вибрационното напрежение е наличието на вибриращи контакти, които ограничават максимално допустимия ток на възбуждане на генератора и намаляват надеждността на регулатора. Използваните методи за намаляване на силата на счупване на контактите не премахват напълно споменатите недостатъци, а само позволяват да бъдат намалени до известна степен.

Фиг. 13.8. Схема на регулатор на вибрационното напрежение.
Вибрационните регулатори на напрежението в процеса на работа изискват системно регулиране, тъй като определящият елемент е пружина, чиято еластичност зависи от времето и условията на работа.
Контактно-транзисторни регулатори на напрежението.
С увеличаването на мощността на генераторите на автомобилите и увеличаването на тяхната издръжливост въпросът за регулирането на напрежението стана особено важен. Следователно електромеханичните регулатори са по-ненадеждни от контролерите от второто поколение – контактно-транзисторен, при който те използват транзистора като превключвател, преминавайки от позиция „отворена“ към „затворена“, а контактите управляват само този транзистор.
Пример за регулатор на напрежение за контакт-транзистор е регулаторът на (фиг14.9) Релейният контролер съдържа транзистор VT1 и две електромагнитни релета: регулатор на напрежението KV и реле защита KA. Контактната функция се осъществява от транзистор VT1, който се включва чрез диода VD2 в намотката на възбуждане. Транзисторът VT1 се управлява от регулатор на напрежение KV с две двойки контакти KVI и KV2. Намотката на регулатора на напрежението KV се включва съгласно схемата с ускоряващия резистор R1. Топлинната компенсация на регулатора на напрежението се осъществява от резистора R t.

Фиг.13.9. Схема на регулатора на напрежение от контактно-транзисторен тип.
Защитното реле KA защитава транзистора VT1 от къси съединения в веригата на намотката на възбуждане. Контактите KA1 се включват паралелно с контактите на регулатора на напрежението KV2.
Диод VD3 изключва намотката на възбуждане, за да попречи на самоиндукционния транзистор VT1 да проникне в преобразувателя, който възниква в намотката на възбуждане на генератора по време на отваряне на контактите на регулатора на напрежението.
След включване на превключвателя за запалване S и до задействане на регулатора на напрежението, т.е. до достигане на регулираното напрежение, транзисторът VT1 се отваря, защото има базов ток: положителен изход на батерия или генератор – превключвател за запалване S – скоба VZ – диод VD2 – основа на емитер VT1 – основа на резистор R3 – скоба M – тяло на автомобила. Следователно токът на веригата протича през намотката на възбуждане на генератора: положителна батерия или генератор на изхода – превключвател за запалване S – клема B3 – диод VD2 – емитер колектор на транзистор VT1 – клеми Sh на регулатора и генератор – намотка на възбуждане на генератора – батерията – отрицателно тяло или генератор. Съпротивлението на VD2 и съединението емитер-колектор на транзистора е незначително и следователно токът на възбуждане на генератора е максимален и се определя само от съпротивлението на самата намотка на възбуждане. В допълнение към тези вериги, токът тече едновременно през намотката на регулатора на напрежението KV, в кръг; скоба VZ – диод VD2 – ускорителен резистор Rl – намотка KV – термокомпенсационен резистор R ^ – скоба M – тегло. В същото време през затворените контакти KV1 токът протича през намотката на защитното реле: скоба VZ – затворени контакти KV1 – реле за намотка KA – скоби W регулатор и генератор – възбуждане на намотката – земя. Поради ниския ток в тази верига намагнитването на сърцевината на защитното реле също е малко, което прави невъзможно включването на котвата и затварянето на контактите на KA1.
Ако оборотите на двигателя се увеличат и напрежението на генератора достигне контролирана стойност, токът в намотката на KV ще се увеличи до стойността, при която ЕМС преодолява силата на пружината и KV1 контактите се отварят, а KV2 контактите се затварят. Тогава положителният потенциал на генератора ще бъде приложен към основата на транзистора. Потенциалът на излъчвателя ще бъде малко по-малък от основния потенциал поради спада на напрежението върху диода VD2 и транзисторът VT1 ще се затвори. В този случай токът на възбуждане протича в кръг: положителен изход на генератора – превключвател за запалване 5 – скоба VZ – диод VD2 – резистори R1 и Rd са свързани последователно – скоби на контролера и генератора W – намотка на възбуждане на генератора – земя. Потокът на тока през голямо съпротивление Rd ще го намали в намотката на възбуждане, което ще доведе до намаляване на магнитния поток в намотката на възбуждането и напрежението на генератора, т.е.
Намаляването на напрежението в KV намотката ще доведе до отваряне на контактите KV2, контактите KV1 се затварят, транзисторът VT1 се отваря и описаният процес се повтаря, осигурявайки постоянно регулиране на напрежението. Недостатъкът на регулаторите от смесен тип е променливостта на управляващото напрежение, тъй като стареенето на контролера променя характеристиките на пружината. Следователно при работа регулаторите трябва периодично да се проверяват. Този недостатък не се среща в електронните безконтактни регулатори на напрежението. На практика е възможно да се намерят много дизайни на тези регулатори.
Безконтактни транзисторни регулатори на напрежение.
Ето една схема на обикновен безконтактен контролер на фирма Bosch.

Фиг. 13.10. Принципна схема на прост безконтактен
регулатор на фирмата Bosch.
Когато двигателят се стартира, „+“ се прилага към излъчвателя на силовия транзистор VT2 и „-“ към основата на генераторното напрежение. Тъй като има потенциална разлика между емитера и основата, транзисторът се отваря и във веригата на тока на възбуждащата намотка тече от скобата „+“ през отворения съединител на емитер-колектора към възбуждащата бобина и през нея към земята. Големината на тока се определя от съпротивлението на отворения транзистор VT2 (ома) и съпротивлението на намотката на възбуждане. Под действието на максималния ток на възбуждане напрежението на генератора се увеличава бързо, като в същото време напрежението се увеличава в общата точка на разделителя на напрежението, съставена от резистори RI и R2. Тук делителят на напрежение изпълнява функцията на сензор, докато референтното напрежение съответства на така нареченото напрежение на разрушаване на зенеровия диод VD1. Ако напрежението в точката на разделяне съвпада с напрежението на пробива, тогава диодът VD1 става водещ. Съотношението на съпротивленията R1 и R2 е избрано така, че при желаното напрежение в клемите на генератора, напрежението в точката на разделяне съвпада с напрежението на пробив. Когато токът протича през диода транзистор VT1 се отваря, когато транзисторният управляващ ток преминава: „+” – емитера на транзистор VT1 – основа – диод VD1 – резистор R2 – земя. Когато транзисторът VT1 се отвори, работният ток през него тече от клемата „+“ – преходна емитер-колектор-резистор R3 – маса. В този случай основата на силовия транзистор VT2 през транзистора VT1 се включва към положителния изход на генератора, така че потенциалната разлика между емитера и основата на транзистора VT2 изчезва. Транзисторът VT2 е затворен. Затворен VT2 транзистор прекъсва тока в намотката на възбуждане, в резултат на това намотката на възбуждане индуцира самоиндукция, чиято полярност съвпада с изходното напрежение. В този случай транзисторът VT2 със затворен кръг се прекъсва и може да се провали. Появата на самоиндукция е задължителна, така че трябва да се вземат специални предпазни мерки, за да се предотврати появата на вредни пикови напрежения. По този начин, във веригата при затворен VT2 диод VD2, монтиран между колектора и масата, е изложен на напрежението на съпротивлението и става проводящ.
Ако напрежението между крайните точки на делителя на напрежение стане по-малко от зададената стойност, VD1 е затворен, транзисторът VT1 също преминава в затворено състояние и отрицателен потенциал се подава към основата на силовия транзистор VT2 и следователно текущият път се отваря до намотката на възбуждането.
Схемата на безконтактен регулатор на напрежението, обсъдена по-горе, е проста, и не отговаря напълно на изискванията на регулаторите на напрежението и се представя само за обяснение на принципа на работа. По този начин в реалните регулатори на напрежението се използват терморезистори за предотвратяване на ефекта на температурата върху нивото на регулиращото напрежение; положително напрежение се използва за бързо и пълно затваряне на силовия транзистор и т.н.
- Вградени регулатори на напрежението.
Разработването и внедряването на регулатори на напрежение с интегрални схеми е много важно. Това стана възможно благодарение на значителното развитие на микроелектрониката. Първите интегрирани регулатори започнаха да произвеждат компаниите „Лукас“, „Сименс“, „Моторола“. Интегралната схема е устройство, създадено чрез единен технологичен цикъл и съставено от електрически свързани елементи, които изпълняват функциите на транзистори, резистори, кондензатори, диоди поставени в общ корпус. Интегралните регулатори на напрежението имат 14 … 24 пъти по-малки размери и тегло от регулаторите и 1.6 пъти по-висока допустима работна температура. Веригата съдържа чувствителен елемент VD1, междинен усилвател, създаден на един VT1 и изходен етап на който е сложен транзистор VT2 и VT3, които последователно се включват с намотката на възбуждане на генератора. Веригата за обратна връзка (C1 и R4) ускорява превключването на транзисторите. Конструкцията е направена под формата на херметически затворен блок с общи размери 58 x 38 x 10 mm, с тегло 60 g.
Схемата работи така.
При генератор напрежение под регулиращия транзистор VT1 е затворен, защото основата има нулев потенциал. Транзисторите VT2 и VT3 са отворени, докато управляващият ток протича в кръг: „+“ батерия – превключвател за запалване S – съпротивление R5 – диод VD2 – емитер база на транзистор VT2 – емитер база на транзистор VT3 – импеданс R7 – земя. Токът на възбуждане на генератора тече в кръг: „+“ батерия – превключвател за запалване S – възбудителна намотка 03 – емитер колектор VT3 – резистор R7 – маса. С увеличаването на скоростта на ротора на генератора, напрежението му се увеличава. Когато достигне желаното ниво (14 V), диодът на VD1 се пробива и протича ток, който създава положителен потенциал на базата на VT1. Отваря се транзисторът VT1. Отвореният транзистор VT1 заобикаля (затваря почти за кратко) входната верига на подредения транзистор VT2 и VT3 и го затваря, като прекъсва веригата на намотката на възбуждане. Токът на възбуждане и напрежението на генератора са намалени, докато напрежението на входния делител намалява. Когато напрежението при R2 стане по-ниско от нивото на стабилизация, диод VD1 ще се затвори, което ще доведе до затваряне на транзистора VT1 и изходния транзистор VT2 към VT3. Този процес се повтаря и средното напрежение на генератора се поддържа на зададеното ниво.

Фигура 13.11. Схема на интегриран регулатор на напрежение
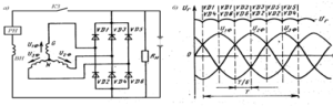
Характеристики на регулационния процес – разглежда се работният процес на автоматично регулирана на напрежението при последователно включване на допълнително съпротивление Rд във веригата на възбудителната намотка. При изключен добавъчен резистор, съпротивлението във веригата на възбудителната намотка е равно на съпротивлението на възбудителната намотка Rв, а при включвана на добавъчния резистор съпротивлението във веригата на възбудителната намотка е сумата от Rв и Rд. Изменението на пулсиращото напрежение и съответствуващото му изменение на съпротивлението във възбудителната верига при различни честоти на въртене ( n1<n2<n3) е показано на фиг1. Както се вижда от фигурата времето tи , през което резистора е изключен, с нарастване на честотата на въртене намалява, а времето tв , през което той е включен нараства. При това съпротивлението във възбудителната намотка се изменя скокообразно от Rв до Rв+Rд. Голямата честота на включване и изключване на резистора води до това, че фактическото съпротивление е еквивалентно на някаква постоянна стойност Rеф, която е равна на средноаритметическата стойност на пулсиращото съпротивление.
, където:
– относителна продължителност на включване на резистора;

Фиг.13.12.
При увеличаване на честотата на въртене от 0 до nx (фиг.13.13), т.е. докато РН не работи (τВ=0) възбудителния ток Iв се определя като Iв=U/Rв и нараства до максимална стойност. При по-нататъшно нарастване на честотата на въртене регулаторът започва да работи, като последователно на възбудителната намотка се включва добавъчния резистор Rд. Възбудителният ток намалява, намаляват се магнитният поток (Ф) и напрежението на генератора (Uг). Тогава Rд се изключва и т.н. Токът в периода nx< n<nmax се определя от зависимостта :
При tв =0 τ=0 n=nx
При t0 =0 τ=1 n= nmax
В интервала nx ÷ nmax , τ нараства от 0 до 1, при което Iв намалява от Iв=U/Rв при n=nx до I=U/(Rв+Rд) при n= nmax . При по-нататъшно нарастване на честотата на въртене напрежението и възбудителният ток нарастват.

Фиг.13.13.
А) Начини на охлаждане на генератора

Фиг. 13.14. Начини за охлаждане на генератора:
а – генератори с конвенционална конструкция; б – генератори с висока температура в аспиратора; с – компактни генератори. Стрелките показват посоката на въздушните потоци.
Основни технически характеристики на генераторите.
Основните технически характеристики на генераторите са напрежение, скорост на ротора и мощност или ток при дадено напрежение.Електрическите характеристики на генераторите на променлив ток характеризират техните качества и зависят от всеки друг параметър, ако останалото е непроменено.
Характеристиката на празен ход е зависимостта на генератора от тока на възбуждане
E = f (I 3 ) при n = const; In = 0. Тази характеристика определя началната скорост на въртене на ротора на генератора, при която напрежението на генератора достига изчислената стойност.
Характеристиката на скоростта е зависимостта на генератора от скоростта на въртене на неговия ротор, която варира пропорционално на скоростта на ротора:
Er = cFn,
където (c) е конструктивна стойност;( n) е скоростта на ротора.
Напрежение на генератора
Ur = Er-IrZo,
където Ir е токът на генератора; Zo е пълното съпротивление на генератора.
Б) Устройство и принцип на действие на променливотокови генератори с електромагнитно възбуждане.
Работни характеристики
– Контактни автомобилни генератори за променлив ток (фиг.13.15)
Състои се от: неподвижен статор 1, набран от листова електротехническа стомана, статорна намотка 2, въртящ се ротор с клюнообразни полюси 9 и

Фиг.13.15.
разположена между тях втулка 15; възбудителна намотка 8; изводите на която са запоени към два изолирани от вала и един от друг медни контактни пръстена 13, капак от страна на ремъка 3 и капак от страна на контактните пръстени 10, направени от алуминиева сплав, в които са поставени лагерите 5 и 11 с двустранно гумено уплътнение (капсоловани). Капаците имат вентилационни отвори и крепежни лапи за закрепване на генератора към двигателя. В капака от страна на контактните пръстени е поставен пластмасов четкодържател 14 с две меднографитни четки 12 и изправителен блок 7. С помощта на вентилатор 6 се създава надлъжна вентилация за охлаждане на генератора. Въртенето на ротора на генератора се осъществява чрез ремъчната шайба 4. При включване на контактния ключ на възбудителната намотка се подава напрежение от акумулаторната батерия, което предизвиква протичането на възбудителен ток. Той, от своя страна, създава магнитен поток, работната част на който се разпределя по клюнообразните полюси с една полярност. Излизайки от полюсите магнитният поток пресича въздушната междина, преминава по зъбите и тялото на магнитопровода на статора, още веднъж пресича въздушната междина, влиза в клюнообразните полюси с противоположна полярност и се затваря през втулката и вала. При въртене на ротора под всеки статорен зъб преминава последователно между положителен и отрицателен полюс, т.е. магнитният поток, пресичащ статора, се изменя по големина и посока. При това във фазните намотки на статора се индуктира променливо е.д.н. с ефективна стоиност
Е=4,44.f.w.кн.Ф (2)
Където:
, Hz – честота;
n – честота на въртене;
p – брой двойки полюси;
w – брой навивки на фаза от статорната намотка;
кн – намотъчен коефициент;
Ф – магнитен поток.
Или
Е=с.Ф.n (3)
Променливото е.д.н се изправя от мостова изправителна схема.
1.Характеристики на генераторите за променлив ток:
А/ Външна характеристика Uг=f(Iг) при n=const – фиг.13.16.
U=4,44.f.w.кН.Ф – Z0.I = cE.n.Ф – Z0.I (4)
Където: Z0 – пълно съпротивление на генератора.

Фиг.13.16.
Намаляването на напрежението при увеличаване на натоварването се обяснява с пада на напрежение в активното и индуктивното съпротивление в статорната намотка, размагнитващото действие на реакцията на тока на котвата, пада на напрежение във веригата на изправителя и др.
– Скоростна регулировъчна характеристика – Iв=f(n) при Uг=const – фиг.13.17.

Фиг.13.17.
С нарастване на оборотите е необходимо да се намали магнитният поток, за да се поддържа напрежението константно (виж 13.18).
-Токоскоростна характеристика Iг=f(n) при Uг=const – фиг.4

Фиг.13.18.
Показва възможността на генератора да отдава ток в мрежата на автомобила при различни обороти. Както се вижда от характеристиката при генераторите съществува самоограничение на отдавания ток при увеличаване на оборотите. Това се обяснява с факта, че с нарастване на оборотите се увеличава и честотата, а от там и реактивното индуктивно съпротивление на статорната намотка XL=ω.L . И тъй като,
токът който може да отдава генератора намалява. От друга страна се увеличава и размагнитващото действие на статорния ток (реакция на тока на котвата).
14.5. Безконтактни генератори с електромагнитно възбуждане.
А) Индукторни генератори (фиг.13.19)

Фиг.13.19.
Възбудителната намотка 1, по която протича постоянен ток, създава в магнитната система поток, който при въртене на ротора остава постоянен по големина и посока. Този поток се затваря, преминавайки през въздушната междина между втулката 2 и вала 3, ротора 5, зъбите на който са изпълнени във вид на звезда, въздушната междина между ротора и статора, магнитопровода 6, капак 4. Изменението на магнитния поток в статора при въртене на ротора става за сметка на въздушната междина между зъбите на статора и ротора. Магнитният поток във въздушната междина периодически изменя големината си от Фmax , когато осите на зъбите на статора и ротора съвпадат, до Фmin , когато осите на статора и ротора са изместени на 180 градуса.
Б) Генератори със скъсени полюси (фиг.13.20) – тук безконтактността се постига за сметка на неподвижното закрепване на ВН 4 с помощта на немагнитен пръстен 1. Полюса 2

Фиг.13.20.
с клюнообразна форма има дължина по-малка от половината дължина на активната част на ротора. В процес на въртене на ротора магнитният поток пресича навивките на статорната намотка 3, индуцирайки в нея е.д.н. Тези генератори са прости по конструкция. Роторите имат малко разсейване. Недостатъците на тези генератори са по-голямата маса от контактните при същата мощност, трудности при закрепване на ВН, имат повишен магнитен шум, по-големи пулсации на напрежението и др.
Приложение
13.6. Конструкции на автомобилни генератори
а) Генератор с ноктиевидни полюси

Фиг.13.21. 1- лагерно тяло; 2- изправителен блок; 3-силови диоди; 4-възбудителни диоди; 5-направляващо лагерно тяло с монтажни фланци; 6-ремъчна ролка; 7-вентилатор; 8-статор; 9-ротор с ноктиевидни полюси; 10-транзисторен регулатор.
б) Компактен генератор

Фиг.13.22. 1-тяло; 2-статор; 3-ротор; 4-електронен регулатор с четкодържач; 5-колекторни пръстени; 6-изправител 7-вентилатор
в) Явнополюсен генератор

Фиг.13.23. 1-лагерен щит; 2-плъзгащи контакти; 3-възбудителна намотка; 4-тяло; 5-статор; 6-лагерно тяло; 7-ремъчна шайба; 8-радиален вентилатор; 9-явнополюсен ротор; 10-колекторни пръстени; 11-силови диоди; 12-радиатор; 13-филтриращ кондензатор; 14-куплунг за свързване към регулатора.
г) Генератор с ротор без бобина (въздушно охлаждаем)

Фиг.13.24. 1-ремъчна шайба; 2-вентилатор; 3-направляващо лагерно тяло с неподвижни вътрешни полюси; 4-статор; 5-неподвижна възбудителна намотка; 6-ротор без бобина; 7-задно лагерно тяло; 8-регулатор; 9-силови диоди; 10-шарнирна конзола; 11-проводящ елемент.
д) Генератор с ротор без бобина (течно охлаждаем)

Фиг.13.25. 1-ремъчна шайба; 2-изправител; 3-регулатор; 4-лагерно тяло; 5-обшивка на генератора; 6-охлаждаща обвивка; 7-капак; 8-неподвижна възбудителна намотка; 9-магнитопровод на статора; 10-статорна намотка; 11-ротор без намотка; 12-немагнитен междинен пръстен; 13-проводящ елемент
13.7.Защита от пренапрежения
Малкото вътрешно съпротивление на стартерната акумулаторна батерия обикновено потиска всички пикове на напрежението, получавани в автомобилната електрическа система. Въпреки всичко, често се препоръчва да се монтира защита против пренапрежения. Причините за появата на такива могат да бъдат:
– повреда в регулатора;
– повреда и разкачане на батерията;
– изключване на товари с преобладаващо индуктивен товар;
– разхлабени електрически връзки.
Свръхнапреженията са пикове, които траят милисекунди. Максималната им стойност достига до 350V. Свръхнапрежение се генерира, когато веригата между генератора и батерията е прекъсната при стартиране на двигателя (това се случва при използване на помощна стартова батерия), или когато се изключват мощни консуматори. Въпреки това, при някакви условия е възможно за кратко време или при спешни случаи е възможна работа без акумулаторна батерия:
А)Видове защита:
– чрез ценерови диоди – пробивното напрежение на използваните в изправителя ценерови диоди е 25-30V за 14-волтови генератори и 50-55V за 28-волтови;
– чрез използване на високоволтови полупроводникови елементи в генераторите и регулаторите;
– чрез използване на допълнителни устройства за защита от пикови напрежения и др.
Б) Работа на генераторите и техните основни неизправности
Работата на генератора е забранена, когато превключвателят за маса е изключен, т.е. когато батерията е изключена.Ако генераторът работи без батерия, тогава в момента на изключване на потребителите на автомобила при неговия изход възниква пренапрежение поради голямата индуктивност на намотката на възбуждане на генератора, тези пренапрежения са опасни за токоизправителния блок на генератора, както и за регулиращия транзистор на регулатора на напрежението. Продължителната работа на генератора с изключен проводник от положителния му изход е забранена, тъй като това води до голям разряд на батерията. В този случай максималният ток протича през намотката на възбуждане и напрежението не се регулира, тоест с увеличаване на скоростта на генератора напрежението на изходния му терминал „+“ ще се увеличи значително. Този режим ще доведе до неуспех на транзистора на регулатора на напрежението, тъй като той ще работи в линейната област, а мощността, разсеяна върху него, ще надвиши допустимата стойност.
Когато батерията е включена погрешно, токоизправителите на токоизправителния блок ще бъдат включени в посока напред. Съпротивлението в посока напред и токът, преминаващ през тях, достига висока сила; проводниците се прегряват, намотката на статора е унищожена, проводниците пробиват и акумулаторът се разрежда напълно, генераторът се проваля. Необходимо е да се следи техническото състояние на контактите и проводниците между масите на контролера и генератора. Ако отрицателният извод на генератора с масата на колата е счупен, амперметърът ще покаже по време на зареждането на автомобила, че се зарежда, след това ще разрежда акумулатора. Ако батерията се управлява от контролна лампа, тя ще мига.
Генераторите за променлив ток работят много по-дълго и по-надеждно от постояннотоквите. Те обаче понякога имат грешки, които трябва да бъдат правилно идентифицирани и своевременно отстранени.
Генератора не зарежда при средна скорост на коляновия вал на двигателя, контролната лампа свети при запалване –
Една от причините за това може да бъде прекъсването на веригата между генератора и акумулатора, което най-често се случва на местата на съединителните скоби и на изводите. В последния случай счупването на проводника обикновено е покрито с изолация. Прекъсвания в кръга, когато той не бъде открит при външна проверка,може да намерите с помощта на контролна лампа, като винаги изключвате генератора и контролера на релето.Единият край на проводника на контролния индикатор докосва масата на колата, а другият завършва последователно до клемите, минавайки в кръг в определена посока от акумулатора до генератора.
Светлината на контролния индикатор показва, че веригата в зоната от мястото на контакт до източника на ток е функционална. Ако лампата не светне в следващата точка, това означава, че проводникът в зоната между тези точки на контакт е счупен. Повредените проводници се заменят с нови или се съединяват чрез усукване и запояване. Областта на усукване се изолира с изолационна лента и полихлорвинилни тръби.
Спадът на напрежението в проводниците се проверява с волтметър, измервайки напрежението в началото и в края на захранващата верига. Разликата в напрежението ще определи спада на напрежението в дадена верига. Допустимият спад на напрежението във веригата е не повече от 0,5 … 0,8 V.
Генераторът може да функционира неправилно поради окачването на четките в каналите на държачите на четката или счупване в намотката на възбуждане на генератора. Първо трябва да проверите четките.За да не висят четките, трябва да почистите каналите на държача на четката от прах и мръсотия, след това да инсталирате четките в тях и да се уверите, че те се движат свободно. Износените четки трябва да бъдат заменени.За да се определи възбуждането на намотката на възбуждане, четките трябва да бъдат извадени от държачите на четката и напрежението през амперметъра трябва да бъде 12V. Ако амперметъра остане на нула или лампата не светне, веригата на възбуждане ще се прекъсне.
„Нулиране“ натоварването на генератора.
Ако токът на натоварване е нулев, може да има някакво напрежение на генератора. Въпреки това, когато натоварването е включено, напрежението на генератора пада рязко до почти нула и генераторът не може да захрани товара. Това явление се причинява главно от междуоборотни къси съединения в намотката на статора. Ако намотките в една или повече статорни бобини са затворени, токът започва да тече през късо съединените бобини и не навлиза във външния кръг. Мощността на генератора рязко намалява и тъй като съпротивлението на късо съединените намотки е малко, токът в тях придобива повече мощност и те се прегряват, а изолацията е счупена или напълно изгорена.
Късо съединение на възбудителна верига.
В този случай амперметърът не показва скок на тока на заряда,самият проводник се загрява бързо. Това се причинява от късо съединение на веригата на намотката на възбуждане към земята, което води до намаляване на напрежението на генератора до почти нула.В този случай късото съединение трябва да се елиминира и батерията трябва да се презареди.Ако двигателят работи със средна скорост, а показанията на амперметъра се колебаят и контролната лампа мига, тогава може да има периодични смущения в веригата на тока на зареждане, като причината може да е във отслабване на задвижващия ремък. Тъй като коланът се плъзга, скоростта на ротора на генератора намалява и токът, подаден към външния кръг, спада, което причинява колебанията.
В) Неизправности на регулаторите на напрежението
Генератора не може да работи с изключена батерия и товар. В този случай пулсацията на напрежението на токоизправителя на генератора ще бъде значителна и ще се отрази на работата му: пиковете на напрежението ще предизвикат „делта“ на чувствителния елемент от веригата на диода и следователно на цялата верига на контролера, въпреки че средната стойност на напрежението на токоизправителя на генератора дори няма да достигне прага на веригата. Това нарушава ясната работа на регулатора, увеличава честотата на превключване на регулиращия трипътен резистор, а оттам и разсейването и прегряването, което води до неизправност на транзистора. Когато потребителите са изключени от генератора, пренапрежението, което възниква на изхода на генератора, деактивира полупроводниковите устройства на регулатора на напрежението, тъй като напрежението надвишава допустимите стойности. В регулаторите на напрежение със силициеви транзистори, свързването на клемите Sh и „+“ късо съединение намотката на възбуждане, през него не тече ток, генераторът не се възбужда. Режимът е опасен, тъй като води до отказ на контролния транзистор, тъй като преходът му към колектора на емитер попада под пълното напрежение на акумулатора. Токът и мощността на колектора от транзистора придобиват стойности, по-големи от допустимите, а транзисторът при прегряване се проваля,
В случай на късо съединение на клемите Sh и „-“ изходният транзистор на регулатора се скъсява, напрежението на генератора не се регулира и може да увеличи опасността за лампите и други потребители с увеличаваща се честота на въртене. Този режим е опасен и за полупроводникови устройства за регулиране на напрежението.
ENGINEERING AND TECHNOLOGY IN TRANSPORT Diagnostics and repair