Генераторна система
Основни технически характеристики на генераторите.
- Цел и основни изисквания към генераторите.
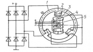
Генераторът е източник на електрическа енергия в автомобила, предназначен да захранва със енергия и да зарежда батерията при средни и високи скорости на коляновия вал на двигателя. На съвременните автомобили са инсталирани трифазни алтернатори с токоизправители със силициеви диоди.Генераторът се състои от статор и ротор. Генераторът работи така. След включване на запалването токът от акумулатора навлиза във възбудителната бобина, монтирана на пътя на генератора. Докато роторът се върти, магнитният му поток пресича намотките на статора и те се индуцират от променлив ток, който след това се ректифицира и подава във външния кръг. Когато напрежението, генерирано от генератора, надвишава това на батерията, токът на генератора се зарежда, за да зареди батерията и да захрани други потребители на електрическата система. По това време намотката на възбуждане на генератора също получава ток от генератора, а не от батерията.Напрежението на генератора се увеличава с увеличаване на честотата на въртене на коляновия вал на двигателя и свързания с него ротор на генератора и може да достигне стойността, при която нормалната работа на устройствата с електрическо оборудване е нарушена. За да се поддържа напрежението на генератора в определени граници на автомобилите в капака на генератора от контактните пръстени е вграден интегрален регулатор на напрежение. Елементите на контролера са монтирани върху метална основа, запечатани и покрити с капак. За връзка с генератора, контролерът има два извода – „B“ и „W“ под формата на твърди плочи. Отрицателната скоба се извежда през корпуса на регулатора към масата на генератора. Конструкцията на държача и капака на четката е такава, че и двете четки на генератора са изолирани от масата.Към генераторите се предивяват следните изисквания; дълготрайност и надеждност в експлоатация; малки общи размери, тегло и цена; висока специфична мощност, възможност за осигуряване на зареждане на батериите при ниска скорост на въртене на коляновия вал на двигателя в режим на празен ходМощността на алтернаторите е 2 … 3 пъти по-голяма от тази на генераторите на постоянен ток и достига 200 … 300 хиляди километра пробег на превозни средства,В момента са налични два типа генератори за променлив ток; с контактни пръстени и четки и безконтактни индуктори.Принципът на работа на алтернатора се основава на явленията на електромагнитната индукция, открити от М. Фарадей. Магнитният поток в генератора (фиг. 1.2) се генерира от намотката на възбуждане по време на потока на директен електрически ток в него. Магнитният поток от полюса S, пресичащ въздушната междина, прониква в зъба на ротора, в статора и за втори път, преминавайки през въздушната междина, достига до полюса N.Този път на фиг. (1.2) е обозначен с пунктирана линия.По време на въртенето на ротора всеки от зъбите на статора се редува между северния и южния полюс на ротора. Магнитният поток протича през зъбите на статора, варира по величина и посока и пресича проводниците на трифазната намотка, хванат в процепите между зъбите.

Фигура 1.2. Схема на алтернатора на автомобила
1 статор, 2 намотки на статора, 3 полюса на ротора,4 – намотка на възбуждане, 5 – четки.
Променливият ток на генератора се преобразува в постоянен ток с помощта на токоизправител с шест диода, създаващ трифазна мостова верига.
Генератор изправител

В генераторите, в които бобината за възбуждане изразходва енергия от батерията, малко разреждане на акумулатора и възбудителната бобина се нагряват при спиране на автомобила за дълъг период от време.

Фигура 1.3. Принципна схема на генератор с допълнителен изправител.
Генераторите вече се предлагат с три диода, генериращи енергия от генератори, които осигуряват автоматична защита срещу разреждане на възбудителната батерия.
Основни технически характеристики на генераторите.
Основните технически характеристики на генераторите са напрежение, скорост на ротора и мощност или ток при дадено напрежение.Електрическите характеристики на генераторите на променлив ток характеризират техните качества и зависят от всеки друг параметър, ако останалото е непроменено.Характеристиката на празен ход е зависимостта на генератора от тока на възбуждане E = f (I 3 ) при n = const; In = 0. Тази характеристика определя началната скорост на въртене на ротора на генератора, при която напрежението на генератора достига изчислената стойност, Характеристиката на скоростта е зависимостта на генератора от скоростта на въртене на неговия ротор, която варира пропорционално на скоростта на ротора:
Er = cFn,
където (c) е конструктивна стойност;( n) е скоростта на ротора.
Напрежение на генератора
Ur = Er-IrZo,
където Ir е токът на генератора; Zo е пълното съпротивление на генератора.
Работа на генераторите и техните основни неизправности.

Работата на генератора е забранена, когато превключвателят за маса е изключен, т.е. когато батерията е изключена.Ако генераторът работи без батерия, тогава в момента на изключване на потребителите на автомобила при неговия изход възниква пренапрежение поради голямата индуктивност на намотката на възбуждане на генератора, тези пренапрежения са опасни за токоизправителния блок на генератора, както и за регулиращия транзистор на регулатора на напрежението.Продължителната работа на генератора с изключен проводник от положителния му изход е забранена, тъй като това води до голям разряд на батерията. В този случай максималният ток протича през намотката на възбуждане и напрежението не се регулира, тоест с увеличаване на скоростта на генератора напрежението на изходния му терминал „+“ ще се увеличи значително. Този режим ще доведе до неуспех на транзистора на регулатора на напрежението, тъй като той ще работи в линейната област, а мощността, разсеяна върху него, ще надвиши допустимата стойност. Когато батерията е включена погрешно, токоизправителите на токоизправителния блок ще бъдат включени в посока напред. Съпротивлението в посока напред и токът, преминаващ през тях, достига висока сила; проводниците се прегряват, намотката на статора е унищожена, проводниците пробиват и акумулаторът се разрежда напълно, генераторът се проваля.Необходимо е да се следи техническото състояние на контактите и проводниците между масите на контролера и генератора. Ако отрицателният извод на генератора с масата на колата е счупен, амперметърът ще покаже по време на зареждането на автомобила, че се зарежда, след това ще разрежда акумулатора. Ако батерията се управлява от контролна лампа, тя ще мига. Генераторите за променлив ток работят много по-дълго и по-надеждно от постояннотоквите. Те обаче понякога имат грешки, които трябва да бъдат правилно идентифицирани и своевременно отстранени.
Генератора не зарежда при средна скорост на коляновия вал на двигателя, контролната лампа свети при пълно запалване. Една от причините за това може да бъде прекъсването на веригата между генератора и акумулатора, което най-често се случва на местата на съединителните скоби и на изводите. В последния случай счупването на проводника обикновено е покрито с изолация. Прекъсвания в кръга, когато той не бъде открит при външна проверка,може да намерите с помощта на контролна лампа, като винаги изключвате генератора и контролера на релето.Единият край на проводника на контролния индикатор докосва масата на колата, а другият завършва последователно до клемите, минавайки в кръг в определена посока от акумулатора до генератора. Светлината на контролния индикатор показва, че веригата в зоната от мястото на контакт до източника на ток е функционална. Ако лампата не светне в следващата точка, това означава, че проводникът в зоната между тези точки на контакт е счупен. Повредените проводници се заменят с нови или се съединяват чрез усукване и запояване. Областта на усукване се изолира с изолационна лента и полихлорвинилни тръби. Спадът на напрежението в проводниците се проверява с волтметър, измервайки напрежението в началото и в края на захранващата верига. Разликата в напрежението ще определи спада на напрежението в дадена верига. Допустимият спад на напрежението във веригата е не повече от 0,5 … 0,8 V.
Генераторът може да функционира неправилно поради окачването на четките в каналите на държачите на четката или счупване в намотката на възбуждане на генератора. Първо трябва да проверите четките.За да не висят четките, трябва да почистите каналите на държача на четката от прах и мръсотия, след това да инсталирате четките в тях и да се уверите, че те се движат свободно. Износените четки трябва да бъдат заменени.За да се определи възбуждането на намотката на възбуждане, четките трябва да бъдат извадени от държачите на четката и напрежението през амперметъра трябва да бъде 12V. Ако стрелката на амперметъра остане на нула или лампата не светне, веригата на възбуждане ще се прекъсне.
„Нулиране“ натоварването на генератора Ако токът на натоварване е нулев, може да има някакво напрежение на генератора. Въпреки това, когато натоварването е включено, напрежението на генератора пада рязко до почти нула и генераторът не може да захрани товара. Това явление се причинява главно от междуоборотни къси съединения в намотката на статора. Ако завоите в една или повече статорни бобини са затворени, токът започва да тече през късо съединените бобини и не навлиза във външния кръг. Мощността на генератора рязко намалява и тъй като съпротивлението на късо съединените завои е малко, токът в тях придобива повече мощност и те се прегряват, а изолацията е счупена или напълно изгорена. Късо съединение на възбудителна верига. В този случай амперметърът не показва скок на тока на заряда,самият проводник се загрява бързо. Това се причинява от късо съединение на веригата на намотката на възбуждане към земята, което води до намаляване на напрежението на генератора до почти нула.В този случай късото съединение трябва да се елиминира и батерията трябва да се презареди. Ако двигателят работи със средна скорост,а показанията на амперметъра се колебаят и контролната лампа мига, тогава може да има периодични смущения в веригата на тока на зареждане, като причината може да е във отслабване на задвижващия ремък. Тъй като коланът се плъзга, скоростта на ротора на генератора намалява и токът, подаден към външния кръг, спада, което причинява колебанията..
Реле регулатори на напрежението
Предназначение и видове.
Автомобилният генератор работи в специфични условия. Оборотите на двигателя непрекъснато се променят. Натоварването варира значително в зависимост от броя на участващите потребители. Степента на заряд на батерията варира в широки граници, но напрежението в клемите на генератора трябва да бъде почти постоянно (да се отклонява не повече от 3%), а батерията трябва да се зарежда с ток, съответстващ на нейното състояние. Горните условия могат да бъдат изпълнени и генераторът може да функционира нормално само чрез прилагане на релейния контролер. От формулата за напрежението на генератора
(Ur = E f = C e pF)
виждаме, че за да се осигури постоянно напрежение за генератора, тъй като скоростта на ротора се променя, магнитният поток трябва да бъде променен обратно пропорционално на честотата. Тъй като магнитният поток определя силата на тока на възбуждане, напрежението се регулира чрез скъсяване на намотката на възбуждане, т.е. прекъсване на веригата на възбуждане или чрез активиране на допълнително съпротивление последователно с намотката на възбуждане. Следователно принципът на работа се основава на промяна на величината на съпротивлението на веригата на намотката на възбуждане, обратно пропорционална на въртенето на ротора на генератора.
Този принцип на управление може да бъде приложен с устройства от различен тип. В съвременните автомобили се използват регулатори на напрежението, които се делят на контактно-вибрационни (едно- и двустепенни), контактно-транзисторни, безконтактен транзистор и интегрални. Контакт-вибрационните регулатори имат експлоатационен живот 120 … … 150 хиляди км пробег на превозното средство което е по-ниско от интегралните и безконтактните, в които тази цифра е 200 … 300 хиляди км. Безконтактните и транзисторните и интегралните контролери не съдържат подвижни части, и пружини, поради което не се регулират по време на работа. Въпреки това, на някои автомобили се поставят регулатори за контакт-вибрации, като се има предвид тяхната ниска цена и проста структура.
Контакт-вибрационни регулатори на напрежението.
Принципа на работа на вибриращ регулатор на напрежението. Постоянен допълнителен импеданс R d , предназначен да намали напрежението на генератора до нормално с увеличаване на оборотите на двигателя, се включва последователно с намотката на възбуждане . Електромагнитната намотка се изключва при пълно напрежение на генератора. Контактите ще се отворят, ако силата на напрежение на пружината F и електромагнитната сила на релето са равни на F pr = F em.Както можете да видите, напрежението на релето зависи от напрежението на пружината F pr , величината на въздушната междина σ и параметрите на намотката на релето (r 0 и W 0 ). Ако напрежението на генератора е по-малко от напрежението на релето U p , контактите се затварят и намотката на възбуждане на генератора се включва към скобите на генератора. Съпротивлението на веригата на възбуждане се определя от съпротивлението на намотката на възбуждане R c. Ако напрежението на генератора е равно на напрежението на релето U, контактите ще се отворят и в веригата на възбуждане ще бъде включен допълнителен резистор R d . Тогава съпротивлението на веригата на възбуждане ще бъде равно на сумата от съпротивления R c + R d, Токът в намотката на възбуждане и напрежението на генератора ще намалеят. Щом напрежението на генератора спадне до връщащото напрежение (освобождаване), контактите се затварят отново, токът на възбуждане и напрежението се увеличават. Следователно контактите ще вибрират чрез включване (изключване) на допълнителния резистор R.В този случай съпротивлението на веригата на възбуждане ще се промени рязко от R c до R c + R d . Основният недостатък на регулаторите на вибрационното напрежение е наличието на вибриращи контакти, които ограничават максимално допустимия ток на възбуждане на генератора и намаляват надеждността на регулатора. Използваните методи за намаляване на силата на счупване на контактите не премахват напълно споменатите недостатъци, а само позволяват да бъдат намалени до известна степен. Вибрационните регулатори на напрежението в процеса на работа изискват системно регулиране, тъй като определящият елемент е пружина, чиято еластичност зависи от времето и условията на работа.
Контактно-транзисторни регулатори на напрежението.
С увеличаването на мощността на генераторите на автомобилите и увеличаването на тяхната издръжливост въпросът за регулирането на напрежението стана особено важен. Следователно електромеханичните регулатори са по-ненадеждни от контролерите от второто поколение – контактно-транзисторен, при който те използват транзистора като превключвател, преминавайки от позиция „отворена“ към „затворена“, а контактите управляват само този транзистор.
Безконтактни транзисторни регулатори на напрежение.
Неизправности на регулаторите на напрежението.
Генератора не може да се работи с изключена батерия и товар. В този случай пулсацията на напрежението на токоизправителя на генератора ще бъде значителна и ще се отрази на работата му: пиковете на напрежението ще предизвикат „делта“ на чувствителния елемент от веригата на диода и следователно на цялата верига на контролера, въпреки че средната стойност на напрежението на токоизправителя на генератора дори няма да достигне прага на веригата. Това нарушава ясната работа на регулатора, увеличава честотата на превключване на регулиращия трипътен резистор, а оттам и разсейването и прегряването, което води до неизправност на транзистора. Когато потребителите са изключени от генератора, пренапрежението, което възниква на изхода на генератора, деактивира полупроводниковите устройства на регулатора на напрежението, тъй като напрежението надвишава допустимите стойности. В регулаторите на напрежение със силициеви транзистори, свързването на клемите Sh и „+“ късо съединение намотката на възбуждане, през него не тече ток, генераторът не се възбужда. Режимът е опасен, тъй като води до отказ на контролния транзистор, тъй като преходът му към колектора на емитер попада под пълното напрежение на акумулатора. Токът и мощността на колектора от транзистора придобиват стойности, по-големи от допустимите, а транзисторът при прегряване се проваля, В случай на късо съединение на клемите Sh и „-“ изходният транзистор на регулатора се скъсява, напрежението на генератора не се регулира и може да увеличи опасността за лампите и други потребители с увеличаваща се честота на въртене. Този режим е опасен и за полупроводникови устройства за регулиране на напрежението.
Двуредовата система за зареждане при някой автомобили
В продължение на много години някой автомобили използват система за зареждане в двоен режим, за да увеличат горивната ефективност и да намалят влаченето на двигателя при стартиране. Двата режима могат да постигнат до 10% намаляване на натоварването на двигателя, като позволяват на електрическия модул за управление (ECM) да определя скоростта на зареждане въз основа на информация, събрана от електрически детектор за натоварване (ELD) и различни други сензори. По време на тежки електрически или механични натоварвания (т.е., ако съединителят на променлив ток е включен), ECM ще настрои напрежението на зареждане на 14.4-14.9V (режим на висок изход); по време на стартиране и леко електрическо натоварване, ECM ще настрои напрежението на зареждане на 12.4-12.9V (режим с нисък изход). В последния случай тази аномалия може да накара техник да се опита да диагностицира проблем с ниско зареждане, въпреки че е нормално да има 12,5-12,7 зарядно напрежение, когато параметрите са изпълнени.
Това може да обърка повечето техници, защото отнема повече от
12,6 волта за зареждане на батерия. Въпреки това, докато е в режим на нисък изход, алтернаторът всъщност не „зарежда“ батерията, а просто държи напрежението на батерията при 12,5-12,7 волта. Основното изтегляне на акумулатора става по време на стартиране и след зареждането на акумулатора няма нужда да поддържате напрежението по-високо от това, от което се нуждае автомобилът. След зареждане на батерията повечето от токът се извежда от алтернатора, както е показано на фигура 1. По този начин тази система повишава ефективността, като зарежда батерията само при необходимост.
Елементи
Фигура 1: Токов поток
Alternator: n Battery: n

Системите за зареждане изглежда са подобни на другите производители. Те все още използват трифазен алтернатор, задвижван с колан и вътрешен електронен регулатор на напрежението, който има три основни функции.
Регулаторът контролира ширината на импулса на напрежението на полевия ротор. Колкото по-дълго е полевият ротор, толкова повече ток ще се подава към електрическата система.
- Регулаторът контролира ширината на импулса на напрежението на полевия ротор. Колкото по-дълго е полевият ротор, толкова повече ток ще се подава към електрическата система.
- Регулаторът информира ECM за състоянието на полевия ротор. Това ще покаже скоростта, с която алтернаторът се зарежда.
- Регулаторът директно контролира индикатора за предупреждение за зареждане чрез включване на заземената страна на веригата. При по-новите превозни средства регулаторът не управлява индикаторната лампа. Когато възникне проблем, регулаторът информира ECM за ситуацията и ECM ще сигнализира модула за управление на габарит, за да включи индикаторната лампа.
Единственият компонент, който прави системата за зареждане на Honda уникална, е електрическата детектор за натоварване, разположен вътре в предпазителя. В някои случаи кутията с предпазители ще трябва да бъде демонтирана, за да получи достъп до ELD. Този сензор информира ECM за количеството електрическа енергия, използвана от превозното средство. ECM изпраща 5V препратка към ELD и ELD дърпа референтното напрежение към земята, когато електрическото натоварване се увеличава. Трябва да се намерят 2-4 волта на терминала ELD, когато превозното средство е под ниско електрическо натоварване и 1-2 волта при високо електрическо натоварване.
Терминали и режими
Регулаторът на напрежение използва пет извода: запалване (IG), управление (C), полево поле (FR), батерия, (B) и лампа (L). B терминалът е веригата с висок ток, която е отговорна за зареждането на батерията. Останалите вериги са разположени в един конектор и отговарят за контрола на регулатора на напрежението, разположен в генератора.

IG веригата е от решаващо значение за правилната работа на системата за зареждане. Завъртането на ключа за запалване в положение Run ще изпрати източник на напрежение към IG терминала, което е необходимо за захранване на регулатора на напрежението. Схемата на С е отговорна за контрола на режима на зареждане. Регулаторът на напрежение изпраща напрежение към ECM чрез C верига. В зависимост от нуждите на системите за зареждане, ECM или държи напрежението високо, за да сигнализира за високия изходен режим, или дърпа напрежението ниско, за да сигнализира за ниския изходен режим. Когато напрежението на веригата C се намали от ECM: напрежението за зареждане на акумулатора ще варира от 12.4-12.9V. ECM използва режим с ниска мощност при стартиране на двигателя или ако са изпълнени всички от следните параметри:
електрическо натоварване под 15 ампера (варира в зависимост от превозното средство), скорост на превозното средство между 10-45 мили / ч или на празен ход, докато сте в движение, скорост на двигателя под 3000 об / мин,
температура на охлаждащата течност над 167 ° F (75 ° C),
A / C превключвател
температура на входящия въздух над 68 ° F (20 ° C).
Извън тези параметри ECM ще задържи напрежението в C веригата, което ще постави системата за зареждане в режим на висок изход. В този режим напрежението за зареждане на батерията ще варира от 14.4-14.9V. ECM използва FR верига за състояние на полевия ротор, за да може да променя скоростта на празен ход на двигателя. Ако алтернаторът е под високо натоварване, ECM ще увеличи скоростта на празен ход. Докато двигателят работи, ECM изпраща 5V към регулатора на напрежението чрез FR верига. Когато полевият ротор е включен, регулаторът на напрежението ще изтегли напрежението надолу и когато полевият ротор е изключен, той ще държи напрежението високо, както е показано на фигура 3.

Системата за зареждане използва L верига, за да информира водача за всички неизправности в системата за зареждане. През годините Honda използва два метода за осветяване на лампата за предупреждение за зареждане. При по-старите модели L веригата директно осигурява заземяване на предупредителната лампа, ако има проблем. Ако всичко беше в спецификация, регулаторът на напрежението отстрани земята, като осигури положително напрежение на източника в L веригата. Въпреки това, при превозни средства с късен модел ECM изпраща напрежение на източника към веригата L. Ако възникне проблем, регулаторът на напрежението ще издърпа напрежението на веригата L на земята. Ако това се случи, ECM ще разбере, че напрежението на сигнала е свалено и след това ще изпрати сигнал „предупредителна лампа за зареждане“ през мрежата на CAN шината към контролния модул на габарита. В този случай модулът за контрол на габарита ще включи директно индикаторната лампа.
Диагностика
Няма зареждане:
Проблем без зареждане може да бъде причинен от дефектен алтернатор или кабел на батерията. В допълнение, липсата на 12V на IG терминала ще причини същия проблем. Докато IG и B веригите са свързани, системата за зареждане ще функционира.
Ниско зареждане:
Този проблем може да възникне, ако коланът се подхлъзне или ако оборотите на двигателя са твърде ниски. По-специфично за Honda / Acura, ако веригата C се прекъсне до земята, системата за зареждане винаги ще се зарежда в режим на ниска мощност. Това ще симулира проблем с ниско зареждане и клиентът също ще се оплаче от затъмняване на фаровете, докато включва други компоненти.
Предупредителна лампа:
Предупредителната лампа ще се включи, ако системата се зарежда по-ниско от посоченото. Има обаче много случаи, когато системата за зареждане ще премине тест за ефективност и все още е включена лампа за предупреждение за зареждане. В повечето случаи вариантите на дизайна са виновни и повечето техници предпочитат да използват генератори с OEM, за да избегнат грешни проблеми със зареждането със светлина.
Ако системата за зареждане премине тест за работоспособност и индикаторна лампа все още свети, може да има късо заземяване в проводника, преминаващ към веригата L.
Предупредителната лампа не се включва:
Ако има отворен проводник, който преминава към веригата L, лампичката за предупреждение за зареждане никога няма да се включи. Това може да засяга някои хора, тъй като ако конекторът, съдържащ четирите основни клеми, е изключен, системата за зареждане ще се провали, но предупредителната лампа никога няма да светне. Клиентът няма да знае, че има проблем, докато превозното средство се спре внезапно.
Мигащи или затъмняващи светлини:
През 2000 г. повечето превозни средства бяха стандартни с дневни светлини, а многобройните клиенти се оплакваха от затъмняване или трептене на фаровете.
DTC
Могат да бъдат зададени няколко диагностични кода за неизправности, ако има грешки в системата за зареждане. P1298 (високо напрежение на веригата ELD) може да бъде причинено от дефектна спойка на ELD. Ако случаят е такъв, 5V ще бъде намерен на терминала на ELD сигнала в ECM. Отначало се изискваше техници, които да заменят цялата кутия с предпазители. Сега обаче се налага технически специалисти да разглобяват кутията с предпазители и да заменят само ELD. Същото напрежение ще се намери, ако има проблем от земята на ELD. Ако възникне проблем във веригата FR, ще бъде зададен P16BC (ниско напрежение на терминална верига на генератора / ниско напрежение на IGP). Ако ECM почувства напрежение на зареждане под 11 V за най-малко 1 минута, той ще зададе P0562 (ниско напрежение на системата за зареждане). В някои случаи, ако всички горепосочени кодове са зададени с други кодове тип P, като P0102 (ниско напрежение на сензорната верига на MAF) или P0141 (неизправност на веригата на нагревателя HO2S [сензор 2]), това може да бъде причинено от отворена на клема F5 (YEL) на конектор F в кутията с предпазители под тирето. Тази система за зареждане се използва от Honda / Acura от началото на 90-те и дизайнът не се е променил много. Всъщност цветовете на проводниците и клемите от схемите от 1990 г. са в съответствие със схемите, които имаме днес.
ENGINEERING AND TECHNOLOGY IN TRANSPORT Diagnostics and repair